Visto che oggi non avevo niente da fare, ho pensato di rivedere il tuo PCB per renderlo un po' piu' piccolo e compatto.
Nel frattempo ho apportato le necessarie modifiche.
Naturalmente dovra' essere ancora ridotto alle dimensioni dei particolari; ma un po' di lavoro voglio lasciarlo a te.
Realizzare PCB con FidocadJ
Moderatori:
carloc,
g.schgor,
BrunoValente,
IsidoroKZ
34 messaggi
• Pagina 2 di 4 • 1, 2, 3, 4
0
voti
[12] Re: Aiuto con PCB
Caro marco ti ringrazio.
Però ho da far vedere il circuito che ho realizzato io, e in più fare una rettifica.
Questo è quello che ho fatto:
Poi rettifico che il motorino assorbirà max 0.50 Ampere a 12 V. Quindi.. le dimensioni delle piste si ridurranno? insomma meno sbattimenti? Grazie.
Però ho da far vedere il circuito che ho realizzato io, e in più fare una rettifica.
Questo è quello che ho fatto:
Poi rettifico che il motorino assorbirà max 0.50 Ampere a 12 V. Quindi.. le dimensioni delle piste si ridurranno? insomma meno sbattimenti? Grazie.
1
voti
[13] Re: Aiuto con PCB
Per le piste, non ti conviene stare troppo stretto; in seguito potresti adoperare il circuito per motori di potenza superiore.
Per il PCB circuitalmente va bene; hai dimenticato di correggere pero' (lo avevo gia' detto) le connessioni del mosfet.
Per il PCB circuitalmente va bene; hai dimenticato di correggere pero' (lo avevo gia' detto) le connessioni del mosfet.
marco
0
voti
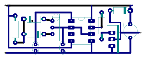
[14] Re: Aiuto con PCB
Ok.. vediamo se adesso ci siamo.. posto solo il PCB questa volta, cosi come lo dovrò stampare:
Se lo uso solo con un motorino come quello descritto nel penultimo post.. può andar bene?
Se lo uso solo con un motorino come quello descritto nel penultimo post.. può andar bene?
0
voti
[16] Re: Aiuto con PCB
guarda il motore è questo qui:
http://it.rs-online.com/web/p/motoriduttori-cc/4130616/
Per sicurezza te lo faccio vedere..
http://it.rs-online.com/web/p/motoriduttori-cc/4130616/
Per sicurezza te lo faccio vedere..
0
voti
[17] Re: Aiuto con PCB
In effetti il motoriduttore ha un consumo esiguo, tuttavia e' sempre bene abbondare (quando lo spazio c'e') per evitare il surriscaldamento delle piste e dei componenti.
Anche il mosfet andrebbe raffreddato con un dissipatore per consumi superiori; nel tuo caso penso rimarra' freddo.
A questo punto sta' a te decidere cosa fare; di consigli - mi pare - ne hai avuti a sufficienza.
Anche il mosfet andrebbe raffreddato con un dissipatore per consumi superiori; nel tuo caso penso rimarra' freddo.
A questo punto sta' a te decidere cosa fare; di consigli - mi pare - ne hai avuti a sufficienza.
marco
0
voti
Salve.
Ho realizzato il circuito senza grosse difficoltà, e sono in attesa dell'arrivo del motorino.
Ho una sola domanda..
Questo circuito mi permetterà di controllare la velocità dello stesso da 0 rpm fino al massimo consentito per un determinato tensione? (ammesso io lo alimenti a 12 V erogherebbe circa 280 giri).
Quindi in teoria da 0 a 280?
Ho realizzato il circuito senza grosse difficoltà, e sono in attesa dell'arrivo del motorino.
Ho una sola domanda..
Questo circuito mi permetterà di controllare la velocità dello stesso da 0 rpm fino al massimo consentito per un determinato tensione? (ammesso io lo alimenti a 12 V erogherebbe circa 280 giri).
Quindi in teoria da 0 a 280?
0
voti
Chiedo venia se sembrerà che questa discussione non abbia mai fine, ma dal momento che si parla comunque dello stesso argomento, mi sembrerebbe dispersivo aprire un nuovo thread.
Ad ogni modo, dopo aver constatato il funzionamento del circuito, ho migliorato il curcuito creando una versione davvero piccola e compatta.
Nella versione precedente, cioè quella creata con l'ausilio di Marco, ho utilizzato condensatori poliestere (il mio negozio di elettronica me li ha consigliati, probabilmente perché non aveva altro), ma adesso che è tutto piuttosto miniaturizzato, avrei intenzione di utilizzare i piccolissimi condensatori ceramici che ho già comprato.
Pensate che possano andare bene con una tensione di 12V?
Poi, altra cosa. Avrei intenzione di dislocare il potenziometro dal circuito, collegandolo esternamente con 3 cavetti (uno per pin).
Fondamentalmente c'è qualche regola che devo seguire? Cioè il pin centrale reale del potenziometro, corrisponde sempre al pin centrale dell'illustrazione come da PCB (come ho fatto la voltaprecedente)? Oppure non conta granchè questo dettaglio?
Grazie mille.
Ad ogni modo, dopo aver constatato il funzionamento del circuito, ho migliorato il curcuito creando una versione davvero piccola e compatta.
Nella versione precedente, cioè quella creata con l'ausilio di Marco, ho utilizzato condensatori poliestere (il mio negozio di elettronica me li ha consigliati, probabilmente perché non aveva altro), ma adesso che è tutto piuttosto miniaturizzato, avrei intenzione di utilizzare i piccolissimi condensatori ceramici che ho già comprato.
Pensate che possano andare bene con una tensione di 12V?
Poi, altra cosa. Avrei intenzione di dislocare il potenziometro dal circuito, collegandolo esternamente con 3 cavetti (uno per pin).
Fondamentalmente c'è qualche regola che devo seguire? Cioè il pin centrale reale del potenziometro, corrisponde sempre al pin centrale dell'illustrazione come da PCB (come ho fatto la voltaprecedente)? Oppure non conta granchè questo dettaglio?
Grazie mille.
34 messaggi
• Pagina 2 di 4 • 1, 2, 3, 4
Chi c’è in linea
Visitano il forum: Nessuno e 168 ospiti

Elettrotecnica e non solo (admin)
Un gatto tra gli elettroni (IsidoroKZ)
Esperienza e simulazioni (g.schgor)
Moleskine di un idraulico (RenzoDF)
Il Blog di ElectroYou (webmaster)
Idee microcontrollate (TardoFreak)
PICcoli grandi PICMicro (Paolino)
Il blog elettrico di carloc (carloc)
DirtEYblooog (dirtydeeds)
Di tutto... un po' (jordan20)
AK47 (lillo)
Esperienze elettroniche (marco438)
Telecomunicazioni musicali (clavicordo)
Automazione ed Elettronica (gustavo)
Direttive per la sicurezza (ErnestoCappelletti)
EYnfo dall'Alaska (mir)
Apriamo il quadro! (attilio)
H7-25 (asdf)
Passione Elettrica (massimob)
Elettroni a spasso (guidob)
Bloguerra (guerra)




