Esaminando il circuito del mio UPS ad onda pseudo-sinusoidale ho notato uno strano filtro sull'uscita utilizzatore.
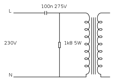
Teoricamente il filtro, ammesso che lo sia, dovrebbe essere un passa basso per filtrare il segnale PWM ad alta frequenza che sintetizza la sinusoide, invece il filtro RC è appunto costituito da una resistenza da 1k8 ohm 5W collegata tra L ed N, ed un condensatore da 100n 275V collegato sulla fase. Questo però è un filtro passa-alto!
E' possibile in realtà che il filtro possa servire per attenuare la tensione generata dall'inverter che è un 18+18/230 con presa centrale. Mi viene da pensarlo perché la sinusoide viene generata da due mosfet in push-pull con tensione di drain non di 18V ma 24 V con risultato di avere un tensione massima di switching pari a 48V e non 36 (18+18)?
strano filtro su UPS
Moderatori:
carloc,
g.schgor,
BrunoValente,
IsidoroKZ
17 messaggi
• Pagina 1 di 2 • 1, 2
0
voti
Tutti i componenti hanno (almeno) due terminali. Non ho capito come e` collegato il condensatore (e neanche la R a dire il vero). Schemino!
Per usare proficuamente un simulatore, bisogna sapere molta più elettronica di lui
Plug it in - it works better!
Il 555 sta all'elettronica come Arduino all'informatica! (entrambi loro malgrado)
Se volete risposte rispondete a tutte le mie domande
Plug it in - it works better!
Il 555 sta all'elettronica come Arduino all'informatica! (entrambi loro malgrado)
Se volete risposte rispondete a tutte le mie domande
0
voti
Questo filtro è sull'uscita oppure il segnale filtrato viene poi retroazionato in qualche maniera?
0
voti
Il filtro è posto sull'uscita dell'utilizzatore.
Allego lo schemino
In questo thread è riportata l'immagine del PCB: http://www.electroyou.it/phpBB2/viewtopic.php?f=1&t=29017
Il condensatore è quello nero accanto alla seriale ed il resistore è quello a dx disposto in verticale.
Guardando il PCB lato sotto si vede come sono collegati
Allego lo schemino
In questo thread è riportata l'immagine del PCB: http://www.electroyou.it/phpBB2/viewtopic.php?f=1&t=29017
Il condensatore è quello nero accanto alla seriale ed il resistore è quello a dx disposto in verticale.
Guardando il PCB lato sotto si vede come sono collegati
0
voti
A me un collegamento del genere sembra senza senso.
Per usare proficuamente un simulatore, bisogna sapere molta più elettronica di lui
Plug it in - it works better!
Il 555 sta all'elettronica come Arduino all'informatica! (entrambi loro malgrado)
Se volete risposte rispondete a tutte le mie domande
Plug it in - it works better!
Il 555 sta all'elettronica come Arduino all'informatica! (entrambi loro malgrado)
Se volete risposte rispondete a tutte le mie domande
0
voti
Visto così sembrerebbe un passa alto a 885 Hz, che sinceramente non avrebbe senso di esserci....taglierebbe pure i 50Hz
0
voti
IsidoroKZ ha scritto:A me un collegamento del genere sembra senza senso.
Infatti lascia perplesso anche me. comunque ho appena modificato il post precedente dando più indicazioni.
Sei stato più veloce di me!
0
voti
tuloski ha scritto:Visto così sembrerebbe un passa alto a 885 Hz, che sinceramente non avrebbe senso di esserci....taglierebbe pure i 50Hz
Così infatti è un passa alto. Pensavo ad un altro uso ma non vorrei dire una castroneria, ci provo:
la presa centrale del secondario è "alimentata" a 24 V mentre l'inverter è 260/18,1+18,1 (a vuoto), considerando che la tensione viene switchata con un push-pull converter, ho sui terminali del primario 48V che essendo oltre i 36 (18+18) mi darebbero oltre i 260 (a vuoto). Ora il filtro potrebbe attenuare la massima tensione portandola a quella richiesta. Altrimenti non mi spiego i 230V con un inverter da 36 alimentato a 48V.
Non mi frustate
0
voti
tuloski ha scritto:Visto così sembrerebbe un passa alto a 885 Hz
Non puoi dire qual e` la frequenza del filtro perche' non sai che cosa c'e` dall'altro lato del trasformatore e neppure qual e` il carico collegato alla sinistra del circuito.
Per usare proficuamente un simulatore, bisogna sapere molta più elettronica di lui
Plug it in - it works better!
Il 555 sta all'elettronica come Arduino all'informatica! (entrambi loro malgrado)
Se volete risposte rispondete a tutte le mie domande
Plug it in - it works better!
Il 555 sta all'elettronica come Arduino all'informatica! (entrambi loro malgrado)
Se volete risposte rispondete a tutte le mie domande
0
voti
IsidoroKZ ha scritto:tuloski ha scritto:Visto così sembrerebbe un passa alto a 885 Hz
Non puoi dire qual e` la frequenza del filtro perche' non sai che cosa c'e` dall'altro lato del trasformatore e neppure qual e` il carico collegato alla sinistra del circuito.
Ma allora cosa è quella roba?! A cosa può servire?
Ho verificato nuovamente i collegamenti e sono come da circuito.
17 messaggi
• Pagina 1 di 2 • 1, 2
Chi c’è in linea
Visitano il forum: Nessuno e 245 ospiti

Elettrotecnica e non solo (admin)
Un gatto tra gli elettroni (IsidoroKZ)
Esperienza e simulazioni (g.schgor)
Moleskine di un idraulico (RenzoDF)
Il Blog di ElectroYou (webmaster)
Idee microcontrollate (TardoFreak)
PICcoli grandi PICMicro (Paolino)
Il blog elettrico di carloc (carloc)
DirtEYblooog (dirtydeeds)
Di tutto... un po' (jordan20)
AK47 (lillo)
Esperienze elettroniche (marco438)
Telecomunicazioni musicali (clavicordo)
Automazione ed Elettronica (gustavo)
Direttive per la sicurezza (ErnestoCappelletti)
EYnfo dall'Alaska (mir)
Apriamo il quadro! (attilio)
H7-25 (asdf)
Passione Elettrica (massimob)
Elettroni a spasso (guidob)
Bloguerra (guerra)





