Cos'è ElectroYou | Login Iscriviti

ElectroYou - la comunità dei professionisti del mondo elettrico

Controllare intensità LED RGB anodo comune

hi-fi, luci, suoni, effetti speciali, palcoscenici...

Moderatore: Foto UtenteIsidoroKZ

0
voti

[1] Controllare intensità LED RGB anodo comune

Messaggioda Foto Utentedevrandom » 14 nov 2011, 17:26

Come controllo l'intensità dei singoli colori di un LED RGB a anodo (polo positivo) comune?
Con un LED a catodo comune avrei usato un segnale PWM, ma con questo con un segnale PMW mandato all'anodo regolo l'intensità di TUTTI i colori insieme...

Sparo: forse posso collegare l'anodo a +5v (o un'altra tensione superiore a quella di funzionamento dei LED) e poi i 3 catodi a tre pin di un microcontrollore (tramite le giuste resistenze) che mandano un segnale PWM in modo che la differenza di potenziale passi da 0 a +5v (quindi alla fine da 0 al giusto tensione date le resistenze)

Non so se è fattibile, e poi il LED non si danneggia applicando +5v sia all'anodo sia al catodo? Anche se non penso dato che la ddp è nulla, ma non sono molto ferrato in elettronica...

Grazie

Immagine

Codice: Seleziona tutto
Forward voltage:
3.2V (green, blue)
2.0V (red)

Forward current (typ/max):
20mA

Supply voltage    Resistor value
5V               91 Ohm (green)
                  91 Ohm (blue)
                 150 Ohm (red)
Avatar utente
Foto Utentedevrandom
5 1 3
New entry
New entry
 
Messaggi: 75
Iscritto il: 16 feb 2011, 16:33

0
voti

[2] Re: Controllare intensità LED RGB anodo comune

Messaggioda Foto Utentedevrandom » 14 nov 2011, 18:42

Aggiungo qui visto che non mi fa editare:

Vorrei utilizzare una scheda Arduino per pilotare i LED (quindi un microcontrollore Atmega328).
Avatar utente
Foto Utentedevrandom
5 1 3
New entry
New entry
 
Messaggi: 75
Iscritto il: 16 feb 2011, 16:33

0
voti

[3] Re: Controllare intensità LED RGB anodo comune

Messaggioda Foto UtenteIsidoroKZ » 14 nov 2011, 18:48

Puoi benissimo fare il PWM sul catodo. Anodi comuni al positivo, qualunque tensione, per ogni catodo una resistenza che limiti la corrente a 20mA e poi tre transistori comandati da Arduino che fanno il PWM. Potrebbe essere sconsigliabile collegare direttamente i led al micro perche' non e` detto che il micro riesca a pilotare 20mA.
Per usare proficuamente un simulatore, bisogna sapere molta più elettronica di lui
Plug it in - it works better!
Il 555 sta all'elettronica come Arduino all'informatica! (entrambi loro malgrado)
Se volete risposte rispondete a tutte le mie domande
Avatar utente
Foto UtenteIsidoroKZ
121,2k 1 3 8
G.Master EY
G.Master EY
 
Messaggi: 21059
Iscritto il: 17 ott 2009, 0:00

0
voti

[4] Re: Controllare intensità LED RGB anodo comune

Messaggioda Foto Utentedevrandom » 14 nov 2011, 18:53

Ogni PIN dell'Atmega238 pilota tranquillamente 50mA, quindi non ci dovrebbero essere problemi, in ogni caso mi delucidi sull'uso dei transistor?
Uno schemino veloce?

RETTIFICO: 40mA
Avatar utente
Foto Utentedevrandom
5 1 3
New entry
New entry
 
Messaggi: 75
Iscritto il: 16 feb 2011, 16:33

0
voti

[5] Re: Controllare intensità LED RGB anodo comune

Messaggioda Foto UtenteIsidoroKZ » 14 nov 2011, 19:11

Allora nessun problema, forse bisogna solo tenere conto che a livello basso la tensione non e` proprio 0V, e quindi bisogna scalare un pochino la resistenza di limitazione. Se hai un link al data sheet del micro (indica anche la pagina) do uno sguardo.
Per usare proficuamente un simulatore, bisogna sapere molta più elettronica di lui
Plug it in - it works better!
Il 555 sta all'elettronica come Arduino all'informatica! (entrambi loro malgrado)
Se volete risposte rispondete a tutte le mie domande
Avatar utente
Foto UtenteIsidoroKZ
121,2k 1 3 8
G.Master EY
G.Master EY
 
Messaggi: 21059
Iscritto il: 17 ott 2009, 0:00

0
voti

[6] Re: Controllare intensità LED RGB anodo comune

Messaggioda Foto Utentedevrandom » 14 nov 2011, 19:22

http://docs-europe.electrocomponents.co ... db98fb.pdf

Mi spieghi anche come si pilotano con un transistor?
Grazie
Avatar utente
Foto Utentedevrandom
5 1 3
New entry
New entry
 
Messaggi: 75
Iscritto il: 16 feb 2011, 16:33

0
voti

[7] Re: Controllare intensità LED RGB anodo comune

Messaggioda Foto Utentedevrandom » 14 nov 2011, 21:55

Almeno il tipo di transistor che devo usare, o perché no, una guida o delle lezioni di elettronica per principianti :lol: :lol: :lol:
Avatar utente
Foto Utentedevrandom
5 1 3
New entry
New entry
 
Messaggi: 75
Iscritto il: 16 feb 2011, 16:33

0
voti

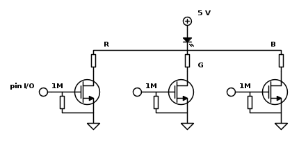
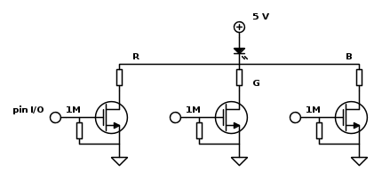
[8] Re: Controllare intensità LED RGB anodo comune

Messaggioda Foto Utentesimo85 » 15 nov 2011, 0:01

Se vuoi usare i transistori puoi usare un BS270 per catodo.
A questo link hai lo schema di esempio, solo che invece di esserci lo switch, il gate lo colleghi al pin del microcontrollore, e la resistenza per ciascun colore la metti in serie sul catodo come già detto da Foto UtenteIsidoroKZ, così



R, G & B fanno ovviamente riferimento ai catodi.
Avatar utente
Foto Utentesimo85
30,9k 7 12 13
Disattivato su sua richiesta
 
Messaggi: 9927
Iscritto il: 30 ago 2010, 4:59

0
voti

[9] Re: Controllare intensità LED RGB anodo comune

Messaggioda Foto Utentedevrandom » 15 nov 2011, 14:54

Ok, posso sapere perché proprio quel transistor? Come si sceglie un transistor per un determinato compito? Mi piacerebbe impararlo per diventare un po' più indipendente...
Poi c'è una guida su come amplificare un segnale analogico con un transistor?
Avatar utente
Foto Utentedevrandom
5 1 3
New entry
New entry
 
Messaggi: 75
Iscritto il: 16 feb 2011, 16:33

0
voti

[10] Re: Controllare intensità LED RGB anodo comune

Messaggioda Foto Utentesimo85 » 15 nov 2011, 15:25

perché quel tipo di transistore come interruttore si comporta meglio che un bipolare (i.e. NPN), provoca una caduta di tensione minore.

Quando conosci le caratteristiche di funzionamento dei transistori decidi in base a quello che devi fare quale transistore usare.
Vedi se per il momento questo link e questo tutorial ti possono essere di aiuto.

O_/
Avatar utente
Foto Utentesimo85
30,9k 7 12 13
Disattivato su sua richiesta
 
Messaggi: 9927
Iscritto il: 30 ago 2010, 4:59


Torna a Elettronica e spettacolo

Chi c’è in linea

Visitano il forum: Nessuno e 9 ospiti