Salve a tutti....
Volevo chiedervi un favore....
Potreste procurarmi uno schema di un circuito elettrico per fare accendere una lampadina a comando vocale???????
Grazie mille a tutti.....
Accensione a comando vocale
Moderatore:
IsidoroKZ
8 messaggi
• Pagina 1 di 1
1
voti
Se non hai bisogno di un riconoscimento particolare ti basta un circuito con un piccolo microfono.
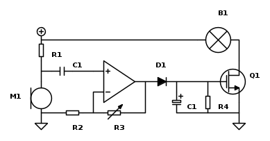
Purtroppo non ho ancora avuto il tempo di creare un circuito che ne faccia uso, però visto che l'argomento interessa anche a me, mi sono azzardato a fare questo piccolo schema senza dimensionare i componenti.
Per il collegamento del microfono mi sono basato su schemi visti in giro per la rete (quindi che sia sicuramente corretto non è certo), la lampadina dovrebbe rimanere accesa per un po'.
Nel caso che l'abbozzo si potrebbe migliorare o fosse da correggere, mi farebbe piacere se qualche guru del portale ci metta il suo parere a riguardo così imparo di più anche io
Forse
Piercarlo ci può dire qualcosa di più :)

Purtroppo non ho ancora avuto il tempo di creare un circuito che ne faccia uso, però visto che l'argomento interessa anche a me, mi sono azzardato a fare questo piccolo schema senza dimensionare i componenti.
Per il collegamento del microfono mi sono basato su schemi visti in giro per la rete (quindi che sia sicuramente corretto non è certo), la lampadina dovrebbe rimanere accesa per un po'.
Nel caso che l'abbozzo si potrebbe migliorare o fosse da correggere, mi farebbe piacere se qualche guru del portale ci metta il suo parere a riguardo così imparo di più anche io
Forse

0
voti
guarda io lo realizzai e' semplicissimo....utilizzai uno stadio amplificatore con due transistor ad emettitore comune connesso all'ingresso di un ne555...a valle ovviamente un led....con qualsiasi suono il led si accendeva per circa 4 secondi.
-

elettrokimbo
22 1 4 - Frequentatore

- Messaggi: 156
- Iscritto il: 7 dic 2011, 23:45
0
voti
Ricky89 ha scritto:Scusa la mia ignoranza ma non ho ben capito.
E continuera' ad essere cosi' fino a quando non deciderai di studiare prima, almeno un po'.
Te l'ho gia' detto nell'altro thread, ma vedo che non hai recepito il messaggio.
Anche se salti da un progetto all'altro, i risultati saranno sempre gli stessi; perderai il tuo tempo e lo farai perdere agli altri.
marco
0
voti
Devi cominciare dai libri!
Quando saprai leggere uno schema e riconoscere i componenti ed il loro uso (almeno in modo approssimativo) potrai cominciare a costruire qualcosa di molto piu' semplice di quello che finora ci hai mostrato.
Quando saprai leggere uno schema e riconoscere i componenti ed il loro uso (almeno in modo approssimativo) potrai cominciare a costruire qualcosa di molto piu' semplice di quello che finora ci hai mostrato.
marco
8 messaggi
• Pagina 1 di 1
Torna a Elettronica e spettacolo
Chi c’è in linea
Visitano il forum: Nessuno e 27 ospiti

Elettrotecnica e non solo (admin)
Un gatto tra gli elettroni (IsidoroKZ)
Esperienza e simulazioni (g.schgor)
Moleskine di un idraulico (RenzoDF)
Il Blog di ElectroYou (webmaster)
Idee microcontrollate (TardoFreak)
PICcoli grandi PICMicro (Paolino)
Il blog elettrico di carloc (carloc)
DirtEYblooog (dirtydeeds)
Di tutto... un po' (jordan20)
AK47 (lillo)
Esperienze elettroniche (marco438)
Telecomunicazioni musicali (clavicordo)
Automazione ed Elettronica (gustavo)
Direttive per la sicurezza (ErnestoCappelletti)
EYnfo dall'Alaska (mir)
Apriamo il quadro! (attilio)
H7-25 (asdf)
Passione Elettrica (massimob)
Elettroni a spasso (guidob)
Bloguerra (guerra)



