Salve a tutti,
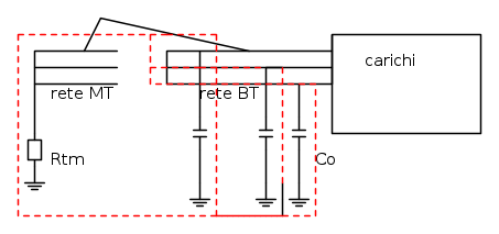
nel seguente schema ho un contatto accidentale tra un impianto di MT e un impianto d BT. Vorrei sapere se il mio ragionamento è giusto:
la corrente di guasto(rosso) circola tra le capacità omopolari della rete di b.t., dato che questa presenta un estensione piccola tali capacità sono piccole, quindi la reattanza 1/wCo è grande. Quindi la corrente di guasto permane in quanto essendo questa corrente piccola (per il motivo di sopra 1/wCo è grande) le protezioni della rete di m.t. non intervengono in quanto dimensionate per correnti di guasto più elevate.
Inoltre risulta che la tensione della fasi della rete di b.t. assumono un potenziale prossimo a quello dello della fase di m.t. pertanto c'è il rischio del cedimento dell'isolamento della rete di b.t. Pertanto questo tipo di schema non viene utilizzo. E' giusto il ragionamento? Grazie
Un tipo di schema stato del neutro reti B.T.
Moderatori:
sebago,
MASSIMO-G,
lillo,
Mike
11 messaggi
• Pagina 1 di 2 • 1, 2
0
voti
0
voti
Si,infatti anche a me sembra che nello schema manchi qualcosa.
Se siamo nel caso del sistema IT (mancherebbe il trafo 15000/400). Una volta, con il vecchio DPR 547, era previsto, sul centrostella, un dispositivo chiamato valvola di tensione (in pratica uno scaricatore) che, in caso di guasto tra primario e secondario del trafo, scaricava a terra la sovratensione facendo intervenire le protezioni di MT. Al giorno d'oggi questo tipo di guasto (tra sistemi di I^ e II^ categoria) non è più preso in considerazione per la sua possibilità molto remota (avevo fatto a suo tempo delle richieste di chiarimenti sul perché non fosse più obbligatoria la valvola di tensione e tutti mi avevano dato la stessa versione).
Se siamo nel caso del sistema IT (mancherebbe il trafo 15000/400). Una volta, con il vecchio DPR 547, era previsto, sul centrostella, un dispositivo chiamato valvola di tensione (in pratica uno scaricatore) che, in caso di guasto tra primario e secondario del trafo, scaricava a terra la sovratensione facendo intervenire le protezioni di MT. Al giorno d'oggi questo tipo di guasto (tra sistemi di I^ e II^ categoria) non è più preso in considerazione per la sua possibilità molto remota (avevo fatto a suo tempo delle richieste di chiarimenti sul perché non fosse più obbligatoria la valvola di tensione e tutti mi avevano dato la stessa versione).
0
voti
Sto studiando lo stato del neutro, in particolare lo stato del neutro nelle reti a b.t.
Uno dei motivi che indussero a mettere a terra direttamente il neutro delle reti di b.t. è la limitazione del rischio di danni agli impianti, folgorazione delle persone in caso di contatto accidentale con i conduttori di M.T. o di A.T.
Quello di sopra è un tipo di schema che mette in evidenza tale contatto con il neutro della rete a b.t. a terra mentre il neutro della rete di m.t. direttamente a terra.
Uno dei motivi che indussero a mettere a terra direttamente il neutro delle reti di b.t. è la limitazione del rischio di danni agli impianti, folgorazione delle persone in caso di contatto accidentale con i conduttori di M.T. o di A.T.
Quello di sopra è un tipo di schema che mette in evidenza tale contatto con il neutro della rete a b.t. a terra mentre il neutro della rete di m.t. direttamente a terra.
0
voti
Nel tuo schema il centro stella della parte in MT (a sinistra) è messo a terra, tramite impedenza, per limitare la corrente di guasto nelle reti di distribuzione a 15 kV; si usa nelle sottostazioni AT/MT. Mentre la parte a destra è riferita alla distribuzione MT/BT.
0
voti
delgrosso ha scritto:Quello di sopra è un tipo di schema che mette in evidenza tale contatto con il neutro della rete a b.t. a terra mentre il neutro della rete di m.t. direttamente a terra.
prova a disegnare lo schema che pensi tu con inserito anche il trafo cosi vediamo.
0
voti
marco61 ha scritto:prova a disegnare lo schema che pensi tu con inserito anche il trafo cosi vediamo.
Giusto?
0
voti
11 messaggi
• Pagina 1 di 2 • 1, 2
Torna a Impianti, sicurezza e quadristica
Chi c’è in linea
Visitano il forum: Nessuno e 32 ospiti

Elettrotecnica e non solo (admin)
Un gatto tra gli elettroni (IsidoroKZ)
Esperienza e simulazioni (g.schgor)
Moleskine di un idraulico (RenzoDF)
Il Blog di ElectroYou (webmaster)
Idee microcontrollate (TardoFreak)
PICcoli grandi PICMicro (Paolino)
Il blog elettrico di carloc (carloc)
DirtEYblooog (dirtydeeds)
Di tutto... un po' (jordan20)
AK47 (lillo)
Esperienze elettroniche (marco438)
Telecomunicazioni musicali (clavicordo)
Automazione ed Elettronica (gustavo)
Direttive per la sicurezza (ErnestoCappelletti)
EYnfo dall'Alaska (mir)
Apriamo il quadro! (attilio)
H7-25 (asdf)
Passione Elettrica (massimob)
Elettroni a spasso (guidob)
Bloguerra (guerra)







