Cos'è ElectroYou | Login Iscriviti

ElectroYou - la comunità dei professionisti del mondo elettrico

Stabilizzare un trasformatore 12v

Elettronica lineare e digitale: didattica ed applicazioni

Moderatori: Foto Utentecarloc, Foto Utenteg.schgor, Foto UtenteBrunoValente, Foto UtenteIsidoroKZ

0
voti

[11] Re: Stabilizzare un trasformatore 12 V

Messaggioda Foto Utenteposta10100 » 22 nov 2011, 19:06

carlo87 ha scritto: semza nessuna perdita di potenza del trasformatore...

Questo è fisicamente impossibile, qualsiasi circuito tu possa impiegare chiederà qualcosa in cambio e bisogna dargliela per forza ;-)
Per ridurre al minimo la potenza persa si può utilizzare una soluzione switching, ma è troppo complessa e costosa rispoetto alla soluzione lineare.
Insomma non ne val la pena, almeno a livello hobbistico.

O_/
http://millefori.altervista.org
Tool gratuito per chi sviluppa su millefori.

Tutti sanno che una cosa è impossibile da realizzare, finché arriva uno sprovveduto che non lo sa e la inventa. (A. Einstein)
Se non c'e` un 555 non e` un buon progetto (IsidoroKZ)

Strumento per formule
Avatar utente
Foto Utenteposta10100
5.550 4 10 13
Master EY
Master EY
 
Messaggi: 4832
Iscritto il: 5 nov 2006, 0:09

0
voti

[12] Re: Stabilizzare un trasformatore 12 V

Messaggioda Foto Utentecarlo87 » 22 nov 2011, 19:10

premetto ke nemmeno si sa quanti Ampere e il trasformatore ke potenza può erogare????
Avatar utente
Foto Utentecarlo87
23 6
Frequentatore
Frequentatore
 
Messaggi: 139
Iscritto il: 27 ott 2011, 20:05

0
voti

[13] Re: Stabilizzare un trasformatore 12 V

Messaggioda Foto Utentecarlo87 » 22 nov 2011, 19:19

http://www.settorezero.com/wordpress/al ... on-lm338k/
ho visto pure questo circuito vorrei un vostro parere
Avatar utente
Foto Utentecarlo87
23 6
Frequentatore
Frequentatore
 
Messaggi: 139
Iscritto il: 27 ott 2011, 20:05

0
voti

[14] Re: Stabilizzare un trasformatore 12 V

Messaggioda Foto Utenteposta10100 » 22 nov 2011, 19:37

carlo87 ha scritto:premetto ke_(NO k! -> che) nemmeno si sa quanti Ampere e il trasformatore ke_(NO k! -> che) potenza può erogare????

Con la formula di Foto UtenteIsidoroKZ, un trafo da 1.6Kg eroga circa 90VA.
carlo87 ha scritto:http://www.settorezero.com/wordpress/alimentatore-variabile-stabilizzato-1-30v-5a-con-lm338k/
ho visto pure questo circuito vorrei un vostro parere

è un lineare come quello già proposto.

Come ti ho già detto, l'unico modo per ridurre lo spreco di energia è il regolatore switching.
Il problema è che mi pare di capire che tu non sapresti progettarne uno da solo e, anche montandolo seguendo uno schema, ti ritroveresti a spendere dei soldi per un circuito che alla fine non funziona, o non funziona come dovrebbe.
Gli switching sono tanto performanti quanto complessi, se vuoi qualcosa di semplice ed affidabile metti un regolatore lineare.



Rimetto lo schema corretto, in quello di Foto Utentemarioursino il nome del regolatore non è quello giusto.

O_/
http://millefori.altervista.org
Tool gratuito per chi sviluppa su millefori.

Tutti sanno che una cosa è impossibile da realizzare, finché arriva uno sprovveduto che non lo sa e la inventa. (A. Einstein)
Se non c'e` un 555 non e` un buon progetto (IsidoroKZ)

Strumento per formule
Avatar utente
Foto Utenteposta10100
5.550 4 10 13
Master EY
Master EY
 
Messaggi: 4832
Iscritto il: 5 nov 2006, 0:09

0
voti

[15] Re: Stabilizzare un trasformatore 12 V

Messaggioda Foto UtenteIsidoroKZ » 22 nov 2011, 19:41

Con 5A di carico di sicuro non arriva a 32V di uscita, se va bene arriva dalle parti di 25V. Non e` detto che riesca ad erogare 5A per tutte le tensioni di uscita.

Con il trasformatore che hai riesci ad arrivare a 30V, ma probabilmente la corrente massima che puoi avere e` meno di 2A.
Per usare proficuamente un simulatore, bisogna sapere molta più elettronica di lui
Plug it in - it works better!
Il 555 sta all'elettronica come Arduino all'informatica! (entrambi loro malgrado)
Se volete risposte rispondete a tutte le mie domande
Avatar utente
Foto UtenteIsidoroKZ
121,2k 1 3 8
G.Master EY
G.Master EY
 
Messaggi: 21059
Iscritto il: 17 ott 2009, 0:00

0
voti

[16] Re: Stabilizzare un trasformatore 12 V

Messaggioda Foto Utentecarlo87 » 22 nov 2011, 19:59

ok...
Avatar utente
Foto Utentecarlo87
23 6
Frequentatore
Frequentatore
 
Messaggi: 139
Iscritto il: 27 ott 2011, 20:05

0
voti

[17] Re: Stabilizzare un trasformatore 12 V

Messaggioda Foto Utentecarlo87 » 23 nov 2011, 17:30

se per favore avete uno schema di un alimentatore variabile che e sempre buono ad averlo che mi regola la tensione da 1.5v a 30v
Avatar utente
Foto Utentecarlo87
23 6
Frequentatore
Frequentatore
 
Messaggi: 139
Iscritto il: 27 ott 2011, 20:05

0
voti

[18] Re: Stabilizzare un trasformatore 12 V

Messaggioda Foto UtenteTony76 » 23 nov 2011, 17:36

Allora rivolgiti a Dio e chiedi che ci venga donato il rendimento=1 !!!!!! :lol:
Non esistono sistemi reali senza perdite, ovvero con efficenza del 100%...
Avatar utente
Foto UtenteTony76
0 1
 
Messaggi: 3
Iscritto il: 30 set 2011, 15:49

2
voti

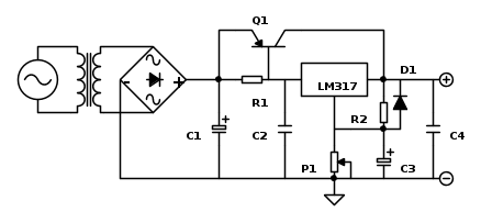
[19] Re: Stabilizzare un trasformatore 12 V

Messaggioda Foto Utentesimo85 » 24 nov 2011, 2:00

carlo87 ha scritto:se per favore avete uno schema di un alimentatore variabile...

Questo è un possibile schema per un alimentatore variabile.


Dipendendo dalla potenza del tuo trasformatore, Q1 potrebbe anche essere escluso dallo schema. Tieni conto che il regolatore LM317 si tiene per sè \approx 3V (vedi il link del datasheet) tra tensione di entrata e tensione di uscita quindi probabilmente non avrai i 30V di uscita che tu vuoi ma bensì qualcosa di meno, e per tutta la potenza che dovrebbe dissipare ti servirebbe un bel dissipatore, anche per Q1 nel caso dovesse servire..

Quindi, prima ti devi accertare sui dati del tuo trasformatore (tensione RMS al secondario e potenza in VA), ti leggi questo articolo di Foto Utentemarco438 e poi si continua.

O_/
Avatar utente
Foto Utentesimo85
30,9k 7 12 13
Disattivato su sua richiesta
 
Messaggi: 9927
Iscritto il: 30 ago 2010, 4:59

Precedente

Torna a Elettronica generale

Chi c’è in linea

Visitano il forum: Google Adsense [Bot] e 53 ospiti