centralina passo passo con timer auto off
Moderatori:
carloc,
g.schgor,
BrunoValente,
IsidoroKZ
0
voti
fprse cosi?
0
voti
No- Così non servirebbe il transistor:
se il contatto fosse "Normalmente Aperto ",
basterebbe metterlo il serie alla bobina.
Il problema è se il contatto è "Normalmente Chiuso"
e deve comandare il relè quando si apre.
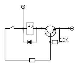
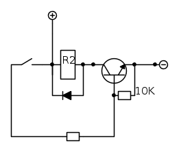
Allora il circuito può essere questo::
se il contatto fosse "Normalmente Aperto ",
basterebbe metterlo il serie alla bobina.
Il problema è se il contatto è "Normalmente Chiuso"
e deve comandare il relè quando si apre.
Allora il circuito può essere questo::
0
voti
g.schgor ha scritto:Così non servirebbe il transistor:
se il contatto fosse "Normalmente Aperto ",
basterebbe metterlo il serie alla bobina.
Ma scusa, mi hai sempre detto che il segnale era
"a terra" e doveva comandare il relè quando non lo
era più....
Allora metti questo contatto in parallelo al transistor
che comanda R2, ad è fatta.
0
voti
sicuramente mi sono spiegato male io , io intendo dire la parte della ricevente radio ...questo contatto
0
voti
Allora non ci capiamo.
R1 è il relè che applica la tensione al circuito,
R2 è il relè che la toglie.
Fin qui avevi parlato di uno "stop esterno",
quindi giustamente si trattava di comandare
R2 con anche un altro segnale (oltre a quello
ricavato dal 4013 o dal 555) e ritenevo che
ci fosse solo incomprensione sulla natura di
questo (comando con "0" o con "1"? con
contatto aperto o chiuso ?).
Ma ora mi sembra tu intenda qualcosa d'altro...
R1 è il relè che applica la tensione al circuito,
R2 è il relè che la toglie.
Fin qui avevi parlato di uno "stop esterno",
quindi giustamente si trattava di comandare
R2 con anche un altro segnale (oltre a quello
ricavato dal 4013 o dal 555) e ritenevo che
ci fosse solo incomprensione sulla natura di
questo (comando con "0" o con "1"? con
contatto aperto o chiuso ?).
Ma ora mi sembra tu intenda qualcosa d'altro...
0
voti
no , quello funziona bene senza nessun tipo di problema.
il problema e' al comando accensione(normalmente aperto) che viene dal contatto del rele' della centralina radio
e' in quel contatto che intendo dire in cui ho il problema di commutazione.
forse e un problema di un anti rimbalzo
il problema e' al comando accensione(normalmente aperto) che viene dal contatto del rele' della centralina radio
e' in quel contatto che intendo dire in cui ho il problema di commutazione.
forse e un problema di un anti rimbalzo
Chi c’è in linea
Visitano il forum: Nessuno e 329 ospiti

Elettrotecnica e non solo (admin)
Un gatto tra gli elettroni (IsidoroKZ)
Esperienza e simulazioni (g.schgor)
Moleskine di un idraulico (RenzoDF)
Il Blog di ElectroYou (webmaster)
Idee microcontrollate (TardoFreak)
PICcoli grandi PICMicro (Paolino)
Il blog elettrico di carloc (carloc)
DirtEYblooog (dirtydeeds)
Di tutto... un po' (jordan20)
AK47 (lillo)
Esperienze elettroniche (marco438)
Telecomunicazioni musicali (clavicordo)
Automazione ed Elettronica (gustavo)
Direttive per la sicurezza (ErnestoCappelletti)
EYnfo dall'Alaska (mir)
Apriamo il quadro! (attilio)
H7-25 (asdf)
Passione Elettrica (massimob)
Elettroni a spasso (guidob)
Bloguerra (guerra)





