Salve vorrei collegare 4 serie di luci di natale a led bianchi tutti insieme eliminando i vari giochi che gli fa fare quella "scatoletta" con il tasto.
Presuppongo che per farli funzionare devo realizzare un raddrizzatore, simile a quello che era realizzato sulla scheda della centralina di controllo.
Qualcuno saprebbe consigliarmi uno schema semplice da realizzare con i relativi componenti??
Avevo pensato al raddrizzatore con 4 diodi, detto a ponte...
é possibile??
Grazie
Raddrizzatore per serie led 220 V
Moderatori:
carloc,
g.schgor,
BrunoValente,
IsidoroKZ
9 messaggi
• Pagina 1 di 1
0
voti
0
voti
Quanti led sono, di che tipo e come sono collegati?
In genere sconsiglio queste operazioni: se domandi vuol dire che non hai molta esperienza con l'elettricita`, e puo` essere pericoloso, per te, per gli altri e per la possibilita` di incendio.
In genere sconsiglio queste operazioni: se domandi vuol dire che non hai molta esperienza con l'elettricita`, e puo` essere pericoloso, per te, per gli altri e per la possibilita` di incendio.
Per usare proficuamente un simulatore, bisogna sapere molta più elettronica di lui
Plug it in - it works better!
Il 555 sta all'elettronica come Arduino all'informatica! (entrambi loro malgrado)
Se volete risposte rispondete a tutte le mie domande
Plug it in - it works better!
Il 555 sta all'elettronica come Arduino all'informatica! (entrambi loro malgrado)
Se volete risposte rispondete a tutte le mie domande
0
voti
Si, ho poche esperienze pratiche...però conosco un po di teoria che ho visto all'università...
Percio preferisco avere qualcuno piu esperto che mi segua prima di procedere...
Avevo pensato anche ad un trasformatore..ma poi dovrei modificare tutte le serie dei led.
Percio preferisco avere qualcuno piu esperto che mi segua prima di procedere...
Avevo pensato anche ad un trasformatore..ma poi dovrei modificare tutte le serie dei led.
0
voti
Avevo pensato ad uno schema del genere
Utilizzando questi componenti ossia 1N4007 avro giusto ai capi del led al centro una tensione di circa 220 V in corrente continua??
Utilizzando questi componenti ossia 1N4007 avro giusto ai capi del led al centro una tensione di circa 220 V in corrente continua??
0
voti
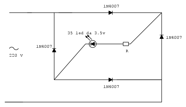
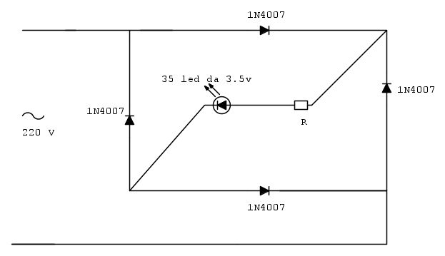
Inserisco uno schema che rappresenta meglio il mio problema.
Devo illuminare 35 led bianchi in serie necessariamente con la 220.
Ho pensato al raddrizzatore a ponte.
poiché avrò una tensione di picco pari a 300v circa utilizzando la legge di ohm :) ho che:
300=Vr+122.5(tensione dei 35 led in serie)
da cui
Vr=177,5V
Supponendo di far scorrere 35 mA nei led ho che la resistenza deve essere di:
R=177,5/(30*10^-3)=5916ohm che approssimo con una resistenza da 6K.
Attendo una vostra conferma prima di fare la prova fisica con tutte le dovute tutele :):)
Devo illuminare 35 led bianchi in serie necessariamente con la 220.
Ho pensato al raddrizzatore a ponte.
poiché avrò una tensione di picco pari a 300v circa utilizzando la legge di ohm :) ho che:
300=Vr+122.5(tensione dei 35 led in serie)
da cui
Vr=177,5V
Supponendo di far scorrere 35 mA nei led ho che la resistenza deve essere di:
R=177,5/(30*10^-3)=5916ohm che approssimo con una resistenza da 6K.
Attendo una vostra conferma prima di fare la prova fisica con tutte le dovute tutele :):)
0
voti
Dovresti mettere una resistenza da almeno 5W, e la corrente media sarebbe inferiore ai 35mA previsti.
Ora devo scappare, vedo di trovare stasera o domani un po' di tempo. CHe cosa hai studiato all'universita`?
Ora devo scappare, vedo di trovare stasera o domani un po' di tempo. CHe cosa hai studiato all'universita`?
Per usare proficuamente un simulatore, bisogna sapere molta più elettronica di lui
Plug it in - it works better!
Il 555 sta all'elettronica come Arduino all'informatica! (entrambi loro malgrado)
Se volete risposte rispondete a tutte le mie domande
Plug it in - it works better!
Il 555 sta all'elettronica come Arduino all'informatica! (entrambi loro malgrado)
Se volete risposte rispondete a tutte le mie domande
0
voti
Sto per laurearmi in Ingegneria Informatica, percui ho fatto elettrotecnica, elettronica analogia e digitale.....
grazie
grazie
0
voti
Ho fatto due conti di corsa sul retro di una busta, e piu` o meno dovrebbe essere una cosa del genere.
Se vuoi usare il secondo schema che hai messo, quello con la resistenza, devi mettere una resistenza da 3000Ω 10W. Ne dissipa solo 5, ma cosi` non scalda tanto. La resistenza deve essere isolata a 400V.
La ragione della resistenza piu` bassa di quella che hai calcolato e` dovuto al fatto che la tensione e` sinusoidale, i 320V ci sono solo per un attimo, poi scendono, e per un quarto di periodo circa non passa corrente perche' la rete e` a meno di 122V.
La corrente di picco nei led e` di 60mA circa, quella efficace di 40mA circa e quella media, che e` poi quella che fa luce, di 30mA circa.
Altra possibilita` e` di mettere subito dopo il ponte un condensatore elettrolitico da 27µF 400V, e poi da quello andare ai led con una resistenza: questa volta da 6300Ω sempre 10W (stesso motivo di prima), e i led lavorano a 30mA di corrente continua.
Questo sistema e` protegge un po' da sovratensioni sulla rete, lo sconsiglio perche' e` pericoloso.
Se vuoi fare una versione che non scalda tanto, guarda questi due articoli: uno e due: con un condensatore da 750nF 400V dovresti cavartela.
Se vuoi usare il secondo schema che hai messo, quello con la resistenza, devi mettere una resistenza da 3000Ω 10W. Ne dissipa solo 5, ma cosi` non scalda tanto. La resistenza deve essere isolata a 400V.
La ragione della resistenza piu` bassa di quella che hai calcolato e` dovuto al fatto che la tensione e` sinusoidale, i 320V ci sono solo per un attimo, poi scendono, e per un quarto di periodo circa non passa corrente perche' la rete e` a meno di 122V.
La corrente di picco nei led e` di 60mA circa, quella efficace di 40mA circa e quella media, che e` poi quella che fa luce, di 30mA circa.
Altra possibilita` e` di mettere subito dopo il ponte un condensatore elettrolitico da 27µF 400V, e poi da quello andare ai led con una resistenza: questa volta da 6300Ω sempre 10W (stesso motivo di prima), e i led lavorano a 30mA di corrente continua.
Questo sistema e` protegge un po' da sovratensioni sulla rete, lo sconsiglio perche' e` pericoloso.
Se vuoi fare una versione che non scalda tanto, guarda questi due articoli: uno e due: con un condensatore da 750nF 400V dovresti cavartela.
Per usare proficuamente un simulatore, bisogna sapere molta più elettronica di lui
Plug it in - it works better!
Il 555 sta all'elettronica come Arduino all'informatica! (entrambi loro malgrado)
Se volete risposte rispondete a tutte le mie domande
Plug it in - it works better!
Il 555 sta all'elettronica come Arduino all'informatica! (entrambi loro malgrado)
Se volete risposte rispondete a tutte le mie domande
0
voti
Grazie per il tuo interessamento...leggero attentamente ciò che mi hai consigliato...
volevo dirti che analizzando bene la serie delle luci led, ho notato ma non ho ancora capito secondo quale criterio sono stati messi a diverse decine di led ma non a tutti delle mini resistenze da 5.1 kohm..
nell'attesa di una risposta avevo fatto una prova con il semplice ponte che avevo disegnato e il tutto sembra funzionare senza problemi... è ovvio che però potrebbero sorgere lasciando accesa la serie per diverse ore :):)
volevo dirti che analizzando bene la serie delle luci led, ho notato ma non ho ancora capito secondo quale criterio sono stati messi a diverse decine di led ma non a tutti delle mini resistenze da 5.1 kohm..
nell'attesa di una risposta avevo fatto una prova con il semplice ponte che avevo disegnato e il tutto sembra funzionare senza problemi... è ovvio che però potrebbero sorgere lasciando accesa la serie per diverse ore :):)
9 messaggi
• Pagina 1 di 1
Chi c’è in linea
Visitano il forum: Nessuno e 38 ospiti

Elettrotecnica e non solo (admin)
Un gatto tra gli elettroni (IsidoroKZ)
Esperienza e simulazioni (g.schgor)
Moleskine di un idraulico (RenzoDF)
Il Blog di ElectroYou (webmaster)
Idee microcontrollate (TardoFreak)
PICcoli grandi PICMicro (Paolino)
Il blog elettrico di carloc (carloc)
DirtEYblooog (dirtydeeds)
Di tutto... un po' (jordan20)
AK47 (lillo)
Esperienze elettroniche (marco438)
Telecomunicazioni musicali (clavicordo)
Automazione ed Elettronica (gustavo)
Direttive per la sicurezza (ErnestoCappelletti)
EYnfo dall'Alaska (mir)
Apriamo il quadro! (attilio)
H7-25 (asdf)
Passione Elettrica (massimob)
Elettroni a spasso (guidob)
Bloguerra (guerra)




