Ti sbagli, la risposta ti è già stata data per ben due volte: così non funziona e non otterrai nessun risultato.
A parte questo se scolleghi e ricolleghi l'integrato dall'alimentazione te lo ritrovi resettato. Infine in uscita da quell'integrato avrai sempre e soltanto o un livello logico 0 o un livello logico 1.
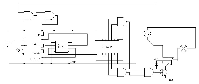
Per quanto riguarda il collegamento dei contatori credo tu abbia capito, in poche parole il contatore 2 deve incrementarsi ogni volta che il contatore 1 arriva ad avere tutte le sue uscite a livello logico alto.
Costruire un relè temporizzatore
Moderatori:
carloc,
g.schgor,
BrunoValente,
IsidoroKZ
0
voti
davidde ha scritto:Per quanto riguarda il collegamento dei contatori credo tu abbia capito, in poche parole il contatore 2 deve incrementarsi ogni volta che il contatore 1 arriva ad avere tutte le sue uscite a livello logico alto.
Quindi poiché sono 4 bit il massimo che avrò sarà 15, ciò significa che arriva a 15 e poi incrementa il secondo contatore e ti sembra corretto? Non dovrebbe essere invece che arriva a 9 e poi le sue uscite si azzerano e incrementano il secondo contatore?
Per quanto riguarda l'alimentazione ho inserito una AND (formata da NAND). La sera sull'uscita del ftr ho 1 logico che è un ingresso della and. L'altro ingresso viene dalla nand del contatore. Se ho ben capito l'uscita del contatore che è spento è 0, negato è 1. La and mi dà 1 e fornisce l'alimentazione all' ne555 o altro poi vediamo e al contatore. Quando raggiungo il numero 60 l'uscita della nand va a 0 che spegne la lampada inoltre l'uscita è collegata alla and quindi 0*1=0 cioè fermo il timer. Chiaramente l'integrato NAND sarà l'unico alimentato direttamente dal ftr. Volevo chiedere se sia necessario un transistor all'uscita della and o ce la fa benissimo?
Poi ho trovato un integrato interessante per sostituire l'ne55, ovvero l' icl8038. Può andare bene o è ancora migliore quello da te proposto?
ps. ultima cosa non capisco perché il relè deve essere collegato solo in questo modo. perché non va bene come lo collegai al primo circuito?
Grazie per la pazienza
EDIT alev: ridotta dimensione dell'immagine
4
voti
Scusa, ma se non intendi seguire i consigli, perché li chiedi?
Ti ho detto che non puoi alimentare integrati se non con
una tensione sicura e tu inventi nuovi circuiti con integrati
che alimentano altri integrati !
davidde ti ha dato un ottimo consiglio di adottare un 4060
che comprende la generazione del clock ed il conteggio, ma tu insisti sul
4520, non interpretando nemmeno le caratteristiche di questo
(se sono 2 contatori binari a 4bit, come pensi che di azzerino dopo il 9?).
Ti avevo detto di verificare la logica dei NAND e per te va bene così...
E via di questo passo
Ti ho detto che non puoi alimentare integrati se non con
una tensione sicura e tu inventi nuovi circuiti con integrati
che alimentano altri integrati !
che comprende la generazione del clock ed il conteggio, ma tu insisti sul
4520, non interpretando nemmeno le caratteristiche di questo
(se sono 2 contatori binari a 4bit, come pensi che di azzerino dopo il 9?).
Ti avevo detto di verificare la logica dei NAND e per te va bene così...
E via di questo passo
0
voti
g.schgor ha scritto:Scusa, ma se non intendi seguire i consigli, perché li chiedi?
Ti ho detto che non puoi alimentare integrati se non con
una tensione sicura e tu inventi nuovi circuiti con integrati
che alimentano altri integrati !
Non voglio tenere sempre sotto tensione tanti integrati!
g.schgor ha scritto:davidde ti ha dato un ottimo consiglio di adottare un 4060
che comprende la generazione del clock ed il conteggio, ma tu insisti sul
4520, non interpretando nemmeno le caratteristiche di questo
(se sono 2 contatori binari a 4bit, come pensi che di azzerino dopo il 9?).
Voglio capire come si collega quel contatore e poi se mai passo al 4520.
Comunque io continuo a non capire come quei due contatori "contino" bene.
Se il massimo è 15, quando il primo contatore lo raggiunge e va avanti ripartendo da 0, il secondo contatore va a 1. Posso sapere come fa ad avanzare il conteggio collegato in quel modo?(Sono fatto così fin quando non capisco non vado avanti)
0
voti
kristian ha scritto:Non voglio tenere sempre sotto tensione tanti integrati!
Allora metti un alimentatore comandato da un interruttore crepuscolare.
kristian ha scritto:Posso sapere come fa ad avanzare il conteggio collegato in quel modo?
Infatti i 2 contatori non sono fra loro collegati, come già detto al post[6]
g.schgor ha scritto:non vedo come i 2 contatori binari
del 4520 vengono messi "in cascata" per contare fino a 60.
e ti avevo inviato un riferimento (post[8]) per il loro possibile collegamento.
A questo proposito ecco anche la soluzione per collegamento "sincrono"
Come puoi vedere questo comporta una notevole aggiunta circuitale.
Per questi motivi,mi associo a
5
voti
Questo è il collegamento "asincrono" (che avevo già citato al post[8]).
Gli ingressi dei contatori del 4520 hanno la particolarità di far avanzare
il conteggio sui fronti d'onda positivi (
) oppure su quelli
negativi (
).
Sfruttando questo fatto è possibile inviare al contatore successivo
un impulso di avanzamento ogni volta che il bit più significativo
del precedente torna a "0".
Ovviamente questo rende asincrono il conteggio globale (infatti
il clock entra solo nel
del primo contatore, gli altri
sono messi a "0").
Per ottenere un conteggio sincrono, bisogna adottare la seconda
configurazione del riferimento riportato del tuo post.
Maggiori informazioni su come funziona il 45210 le trovi
su datasheet.
Gli ingressi dei contatori del 4520 hanno la particolarità di far avanzare
il conteggio sui fronti d'onda positivi (
) oppure su quelli negativi (
).Sfruttando questo fatto è possibile inviare al contatore successivo
un impulso di avanzamento ogni volta che il bit più significativo
del precedente torna a "0".
Ovviamente questo rende asincrono il conteggio globale (infatti
il clock entra solo nel
del primo contatore, gli altri sono messi a "0").
Per ottenere un conteggio sincrono, bisogna adottare la seconda
configurazione del riferimento riportato del tuo post.
Maggiori informazioni su come funziona il 45210 le trovi
su datasheet.
-2
voti
Ma perché continui a dire questo fatto. è chiaro che se non colleghi niente non funziona niente.
Quindi quel no significa si.Ora ti chiedo il conteggio non si dovrebbe invece fermare a 9, per fare un conteggio giusto?
Quindi quel no significa si.Ora ti chiedo il conteggio non si dovrebbe invece fermare a 9, per fare un conteggio giusto?
Chi c’è in linea
Visitano il forum: Nessuno e 101 ospiti

Elettrotecnica e non solo (admin)
Un gatto tra gli elettroni (IsidoroKZ)
Esperienza e simulazioni (g.schgor)
Moleskine di un idraulico (RenzoDF)
Il Blog di ElectroYou (webmaster)
Idee microcontrollate (TardoFreak)
PICcoli grandi PICMicro (Paolino)
Il blog elettrico di carloc (carloc)
DirtEYblooog (dirtydeeds)
Di tutto... un po' (jordan20)
AK47 (lillo)
Esperienze elettroniche (marco438)
Telecomunicazioni musicali (clavicordo)
Automazione ed Elettronica (gustavo)
Direttive per la sicurezza (ErnestoCappelletti)
EYnfo dall'Alaska (mir)
Apriamo il quadro! (attilio)
H7-25 (asdf)
Passione Elettrica (massimob)
Elettroni a spasso (guidob)
Bloguerra (guerra)



