Cos'è ElectroYou | Login Iscriviti

ElectroYou - la comunità dei professionisti del mondo elettrico

Amplificatore e filtro

Elettronica lineare e digitale: didattica ed applicazioni

Moderatori: Foto Utentecarloc, Foto Utenteg.schgor, Foto UtenteBrunoValente, Foto UtenteIsidoroKZ

0
voti

[11] Re: Amplificatore e filtro

Messaggioda Foto UtenteClaudioC » 4 dic 2011, 7:02

Dopo i vostri preziosi consigli ho cercato di polarizzare l'emettitore comune senza tenere conto del filtro associato.
I risultati purtroppo non sono quelli sperati.

Ho imposto una corrente Ic = 0.5 mA ed una tensione di alimentazione Vcc = 10 V.
Ho calcolato poi Rc come rapporto tra Vc (5 V) e Ic ottenendo Rc = 10 kohm.

Sapendo poi che Ie è circa uguale a Ic e che la tensione Ve deve essere circa uguale a 1 V, ho calcolato la resistenza Re = 2 kohm.

Vb = Ve + Vbe = 1 + 0.6 = 1.6 V.

Ho calcolato quindi il partitore di base con Ib = Ic / hfe = Ic / 195 = 2.56 uA.

R2 = Vb / 10 * Ib = 62.5 kohm
R1 = (Vcc - Vb) / 25.6 uA = 328 kohm

Il tutto non funziona :?
Sicuramente commetto qualche errore, ma non riesco a trovarlo :cry:

Questo è quello che vedo sul simulatore http://clip2net.com/s/1n3nL
Avatar utente
Foto UtenteClaudioC
10 3
 
Messaggi: 31
Iscritto il: 3 dic 2011, 9:43

0
voti

[12] Re: Amplificatore e filtro

Messaggioda Foto UtenteBrunoValente » 4 dic 2011, 15:13

Scusa, sarà che non mi intendo di simulatori (a dir la verità li ho sempre snobbati), ma cosa mi rappresenta quella sinusoide? Con quale segnale di ingresso la hai ottenuta? le tensioni di polarizzazione corrispondono a quelle calcolate? il guadagno vale 5?

ClaudioC ha scritto:... Per quanto riguarda la resistenza di collettore essa sarà la somma della resistenza di collettore per la polarizzazione + la resistenza del filtro RLC.
E' corretto?

No: quella di polarizzazione del collettore non serve più perché l'induttanza è un cortocircuito per la continua, quindi il dimensionamento si semplifica, la tensione di collettore nel tuo caso va a 10V indipendentemente da R.
Avendo quindi una riserva di tensione verso l'alto maggiore, conviene aumentare la tensione di emettitore (3-4V) per una migliore stabilizzazione termica.

Il valore di R va quindi scelto per ottenere il guadagno desiderato: nel tuo caso, per un guadagno di 100 (forse troppo alto), dovrebbe valere 200k.
La corrente di collettore che hai scelto mi sembra troppo bassa. Un valore idoneo per transistor di piccolo segnale è intorno a 5-10mA (vedi ad esempio il BC547).


ClaudioC ha scritto:Per quanto riguarda l'induttanza, è meglio simularla o fare l'avvolgimento ?

Bé, io che ho una certa età non mi scandalizzo quando vedo le induttanze nei circuiti e, senza pensarci su, la realizzerei avvolgendola, o al limite la acquisterei bella e pronta. Per l'accordo userei un condensatore variabile, oppure se il Q è basso e quindi l'accordo poco critico, aggiusterei il tiro parallelando più condensatori fissi.

Cosa devi collegarci come carico?
Avatar utente
Foto UtenteBrunoValente
39,6k 7 11 13
G.Master EY
G.Master EY
 
Messaggi: 7796
Iscritto il: 8 mag 2007, 14:48

0
voti

[13] Re: Amplificatore e filtro

Messaggioda Foto UtenteClaudioC » 4 dic 2011, 15:34

BrunoValente ha scritto:Scusa, sarà che non mi intendo di simulatori (a dir la verità li ho sempre snobbati), ma cosa mi rappresenta quella sinusoide? Con quale segnale di ingresso la hai ottenuta? le tensioni di polarizzazione corrispondono a quelle calcolate? il guadagno vale 5?


La sinusoide rappresenta l'uscita al terminale di collettore ed è ottenuta con un segnale sinusoidale all'ingresso ad 1 MHz con ampiezza 10 mVpp.
Questo è lo schema ridotto che ho disegnato con tanto di correnti e tensioni
http://clip2net.com/s/1n6rn
Come puoi vedere non assomigliano minimamente a quelle calcolate, ma non capisco dove sbaglio nei calcoli.

BrunoValente ha scritto:Il valore di R va quindi scelto per ottenere il guadagno desiderato: nel tuo caso, per un guadagno di 100 (forse troppo alto), dovrebbe valere 200k.


Questo perché il guadagno in tensione è dato dal rapporto tra le resistenze Rc e Re, corretto ?

BrunoValente ha scritto:Bé, io che ho una certa età non mi scandalizzo quando vedo le induttanze nei circuiti e, senza pensarci su, la realizzerei avvolgendola, o al limite la acquisterei bella e pronta. Per l'accordo userei un condensatore variabile, oppure se il Q è basso e quindi l'accordo poco critico, aggiusterei il tiro parallelando più condensatori fissi.


Qui per me entriamo nell'esoterico. :oops:

BrunoValente ha scritto:Cosa devi collegarci come carico?


Come inizio vorrei collegarci un oscilloscopio.
Avatar utente
Foto UtenteClaudioC
10 3
 
Messaggi: 31
Iscritto il: 3 dic 2011, 9:43

0
voti

[14] Re: Amplificatore e filtro

Messaggioda Foto UtenteBrunoValente » 4 dic 2011, 15:41

La tensione di base è a 0V!!
Immagino dipenda dal generatore di ingresso che evidentemente è un cortocircuito per la continua e quindi cortocircuita la base al negativo.
Dovresti inserire un condensatore da 10-100nF in serie al generatore.
Inoltre hai invertito tra loro le resistenze R3 e R4 (nel messaggio dove hai fatto i calcoli le chiamavi R1 e R2)
Avatar utente
Foto UtenteBrunoValente
39,6k 7 11 13
G.Master EY
G.Master EY
 
Messaggi: 7796
Iscritto il: 8 mag 2007, 14:48

0
voti

[15] Re: Amplificatore e filtro

Messaggioda Foto UtenteClaudioC » 4 dic 2011, 16:07

BrunoValente ha scritto:Immagino dipenda dal generatore di ingresso che evidentemente è un cortocircuito per la continua e quindi cortocircuita la base al negativo.


Accidenti, hai ragione, non avevo visto.
Dipende ovviamente dal fatto che il generatore di segnale è solo un generatore di ac.
Bloccando lo scaricamento della continua con il condensatore rimedio egregiamente :)

Ti mostro il risultato del simulatore, ovvero la tensione di collettore:

http://clip2net.com/s/1n6Iy

Fissata ovviamente la svista dell'inversione delle resistenze nel partitore di ingresso (se non me l'avessi detto tu, sarebbero passati giorni prima che me ne accorgessi)

Come vedi il guadagno di tensione è di 5 volte, imposto da Rc e Re.
La domanda ingenua è: se aumentassi Rc, avrei un guadagno di tensione maggiore, giusto ?
Avatar utente
Foto UtenteClaudioC
10 3
 
Messaggi: 31
Iscritto il: 3 dic 2011, 9:43

0
voti

[16] Re: Amplificatore e filtro

Messaggioda Foto UtenteBrunoValente » 4 dic 2011, 16:26

Si ma, senza induttore collegato in parallelo, oltre ad aumentare il guadagno ti si abbassa la tensione di polarizzazione del collettore e quindi si riduce la dinamica di uscita per la semionda negativa del segnale.
Man mano che aumenti R la tensione del collettore scendendo si avvicina sempre più a quella dell'emettitore fino a raggiungerla (quasi). In queste condizioni il transistor è saturo e non amplifica più.
Avatar utente
Foto UtenteBrunoValente
39,6k 7 11 13
G.Master EY
G.Master EY
 
Messaggi: 7796
Iscritto il: 8 mag 2007, 14:48

0
voti

[17] Re: Amplificatore e filtro

Messaggioda Foto UtenteClaudioC » 4 dic 2011, 16:36

Per quanto riguarda il guadagno ho messo un bel condensatore da 50nF in parallelo alla resistenza di emettitore, che dovrebbe aver fissato il problema senza toccare Rc.

Mamma mia che fatica bestiale che sto facendo e quante cose sto imparando. E' la prima volta che provo a progettare qualcosa dal nulla.

Adesso provo a risolvere la parte riguardante il filtro (condensatore e induttore) e riporto le mie scoperte.

Per il momento grazie moltissime per l'aiuto. Non avrei potuto capire così tante cose senza di te.

Claudio.
Avatar utente
Foto UtenteClaudioC
10 3
 
Messaggi: 31
Iscritto il: 3 dic 2011, 9:43

0
voti

[18] Re: Amplificatore e filtro

Messaggioda Foto UtenteBrunoValente » 4 dic 2011, 16:40

Di nulla...facci sapere cosa scopri! :-)
Avatar utente
Foto UtenteBrunoValente
39,6k 7 11 13
G.Master EY
G.Master EY
 
Messaggi: 7796
Iscritto il: 8 mag 2007, 14:48

0
voti

[19] Re: Amplificatore e filtro

Messaggioda Foto UtenteClaudioC » 5 dic 2011, 17:40

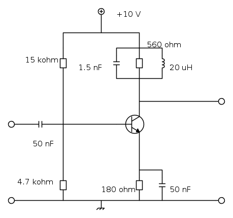
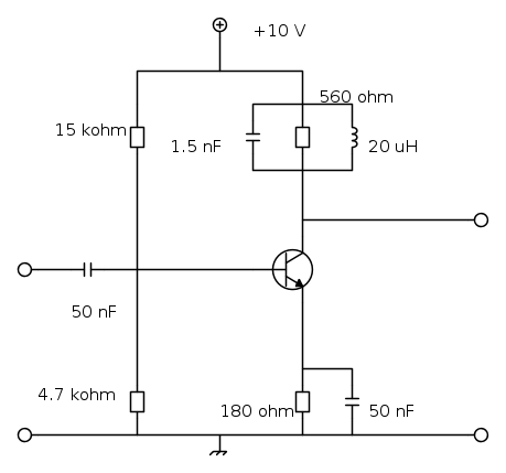
Questo è il circuito che ho disegnato, con valori dei componenti commerciali:



Questo è l'analisi al transitorio del simulatore: http://clip2net.com/s/1nimW

Questa è la risposta in frequenza, eseguendo uno spazzolamento da 300 kHz a 2 MHz: http://clip2net.com/s/1nirO

Cosa ne pensi ?
Avatar utente
Foto UtenteClaudioC
10 3
 
Messaggi: 31
Iscritto il: 3 dic 2011, 9:43

0
voti

[20] Re: Amplificatore e filtro

Messaggioda Foto UtenteBrunoValente » 5 dic 2011, 18:52

Mi pare che faccia quello che volevi.
Il guadagno di tensione però è affidato completamente al transistor e questo non è raccomandabile: sostituendo il transistor cambierebbe inevitabilmente il guadagno.
se la precisione del guadagno non è importante va bene così, altrimenti converrebbe togliere il condensatore sull'emettitore e ridimensionare il filtro per il guadagno desiderato oppure, lasciando il condensatore al suo posto, inserire una resistenza di opportuno valore in serie al condensatore in modo da introdurre comunque una significativa retroazione per il segnale che avrebbe un effetto stabilizzante sul guadagno.
Avatar utente
Foto UtenteBrunoValente
39,6k 7 11 13
G.Master EY
G.Master EY
 
Messaggi: 7796
Iscritto il: 8 mag 2007, 14:48

PrecedenteProssimo

Torna a Elettronica generale

Chi c’è in linea

Visitano il forum: Nessuno e 55 ospiti