gestione automatica ventole PC in funzione della temperatura
Moderatori:
g.schgor,
IsidoroKZ
0
voti
comunque ho modificato i collegamenti del trimmer come suggeritomi e ho misurato , a 34 gradi sul sensore variando i vari trimmer in uscita ho sempre 12 v e normale??
0
voti
questo e il modo come li ho collegati
0
voti
Ora devo uscire e non posso controllare; comunque sul sito del link postato ci sono anche le istruzioni relative alla taratuta del circuito.
Leggile bene (anche se non sono molto chiare ed asaustive) e cerca di metterle in pratica.
Leggile bene (anche se non sono molto chiare ed asaustive) e cerca di metterle in pratica.
marco
0
voti
Già avevo tarato i trimmer ma non è cambiato nulla
0
voti
In che senso non è cambiato nulla?
Non è variata la logica di funzionamento delle ventole oppure non è diminuita la temperatura oppure che altro?
Non è variata la logica di funzionamento delle ventole oppure non è diminuita la temperatura oppure che altro?
0
voti
Impostando i valori dei trimmer come spiegato nel sito ho sempre le ventole che girano al Max già a 30 gradi quindi non posso verificare il corretto funzionamento ne tanto meno calibrarlo . ce a me non interessa che gia a 30 gradi girano al Max . A quella temperatura devono stare spente o devono girare al minimo
0
voti
Con questo circuito non puoi far variare la velocità delle ventole,o girano o non girano.Il comparatore o da uscita alta o da uscita bassa.
Hai provato a modificare il circuito come ti ho detto nel post [17],in quel modo già le ventoline non dovrebbero azionarsi a 30ºC.
Hai provato a modificare il circuito come ti ho detto nel post [17],in quel modo già le ventoline non dovrebbero azionarsi a 30ºC.
0
voti
Scusate ma allora perché nel sito ce messo che si può variare la tensione d uscita ?
0
voti
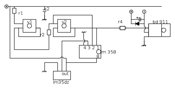
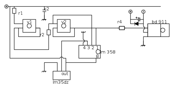
Secondo me il funzionamento del circuito è il seguente:
Al piedino 2 dell' LM358 c'è la tensione di soglia che regoli tu secondo le tue esigenze.
Al piedino 3 c'è il trasduttore che da per ogni ºC un incremento di 10mV.
Sul piedino 2 vi è collegato un partitore di tensione che da appunto la tensione di soglia,quando la temperatura cresce,anche la tensione di uscita del trasduttore cresce e quindi arrivati ad avere:

il comparatore (LM358) che prima saturava a livello logico basso adesso satura a livello logico alto.Il trimmer V2 serve solo a regolare l'isteresi,cioè uno "scarto" prima che il comparatore commuti.
Ecco perché secondo me non si può variare la velocità.Poi mi potrò pure sbagliare.
P.s. secondo me dallo schema che hai postato al post [42] c'è un errore in quanto secondo lo schema originale V1 termina sul potenziale di riferimento mentre nel tuo caso(o almeno da quello che hai disegnato nel post [42]) V1 è in serie a R2 per poi connettersi a V2.Quindi credo che hai realizzato male il partitore sul piedino invertente dell'LM358.
Al piedino 2 dell' LM358 c'è la tensione di soglia che regoli tu secondo le tue esigenze.
Al piedino 3 c'è il trasduttore che da per ogni ºC un incremento di 10mV.
Sul piedino 2 vi è collegato un partitore di tensione che da appunto la tensione di soglia,quando la temperatura cresce,anche la tensione di uscita del trasduttore cresce e quindi arrivati ad avere:

il comparatore (LM358) che prima saturava a livello logico basso adesso satura a livello logico alto.Il trimmer V2 serve solo a regolare l'isteresi,cioè uno "scarto" prima che il comparatore commuti.
Ecco perché secondo me non si può variare la velocità.Poi mi potrò pure sbagliare.
P.s. secondo me dallo schema che hai postato al post [42] c'è un errore in quanto secondo lo schema originale V1 termina sul potenziale di riferimento mentre nel tuo caso(o almeno da quello che hai disegnato nel post [42]) V1 è in serie a R2 per poi connettersi a V2.Quindi credo che hai realizzato male il partitore sul piedino invertente dell'LM358.
Torna a Elettrotecnica generale
Chi c’è in linea
Visitano il forum: Nessuno e 22 ospiti

Elettrotecnica e non solo (admin)
Un gatto tra gli elettroni (IsidoroKZ)
Esperienza e simulazioni (g.schgor)
Moleskine di un idraulico (RenzoDF)
Il Blog di ElectroYou (webmaster)
Idee microcontrollate (TardoFreak)
PICcoli grandi PICMicro (Paolino)
Il blog elettrico di carloc (carloc)
DirtEYblooog (dirtydeeds)
Di tutto... un po' (jordan20)
AK47 (lillo)
Esperienze elettroniche (marco438)
Telecomunicazioni musicali (clavicordo)
Automazione ed Elettronica (gustavo)
Direttive per la sicurezza (ErnestoCappelletti)
EYnfo dall'Alaska (mir)
Apriamo il quadro! (attilio)
H7-25 (asdf)
Passione Elettrica (massimob)
Elettroni a spasso (guidob)
Bloguerra (guerra)





