Cos'è ElectroYou | Login Iscriviti

ElectroYou - la comunità dei professionisti del mondo elettrico

NE555N x far emettere un suono a un buzzer

Elettronica lineare e digitale: didattica ed applicazioni

Moderatori: Foto Utentecarloc, Foto Utenteg.schgor, Foto UtenteBrunoValente, Foto UtenteIsidoroKZ

0
voti

[21] Re: NE555N x far emettere un suono a un buzzer

Messaggioda Foto Utentesanta79 » 7 dic 2011, 1:22

giacky98 ha scritto: Per provare puoi mettere un condensatore con un valore abbastanza alto (es. 470uF o 1000uF), collegare un LED all'output e vedere se questo lampeggia.


Il condensatore intendi collegarlo all'uscita del NE555 nel pin 3?
Avatar utente
Foto Utentesanta79
5 2
New entry
New entry
 
Messaggi: 54
Iscritto il: 5 dic 2011, 18:37
Località: Modena

0
voti

[22] Re: NE555N x far emettere un suono a un buzzer

Messaggioda Foto Utentesanta79 » 7 dic 2011, 2:52

uff...sono di nuovo qui...è ormai una settimana che giro su internet per riuscire a fare questo SEMPLICISSIMO circuito e ancora non ci sono riuscito!!!!! #-o

come mi è stato consigliato ho attaccato un condesatore da 470uf sul pin 3 del NE555 con un led per vedere se si accendeva e lampeggiava, risultato il led si accende tutto di colpo e poi affievolisce fino a spegnersi e non si riaccende più... :cry:...
ho ricontrollato tutte le polarita dei 2 condensatori come mi era stato detto ma tutto corretto...smontato e rimontato tutto (sulla mille fori perche il negoziante non ha le breadboard perche nessuno le compra!!!!!!!)...ma comunque continua a non funzionare, sento il "bump" quando collego i cavi alla batteria ma niente altro... #-o

sotto vi torno a postare il circuito corretto con le varie tensioni che entrano e escono dal NE555



quello che non capisco (oltre alle altre migliaia di cose!!) è:
perche partendo dai 12v passando dal R1 diventano 6.36v e gli stessi passando in R2 non diventano 3.17v ma rimangono invariati a 6.36v?
perche l'uscita del pin 3 non varia la tensione? essendo astabile non dovrebbe variare?
Avatar utente
Foto Utentesanta79
5 2
New entry
New entry
 
Messaggi: 54
Iscritto il: 5 dic 2011, 18:37
Località: Modena

0
voti

[23] Re: NE555N x far emettere un suono a un buzzer

Messaggioda Foto Utentesimo85 » 7 dic 2011, 3:44

santa79 ha scritto:il led si accende tutto di colpo e poi affievolisce fino a spegnersi e non si riaccende più... :cry:...

Non mi è chiaro come lo hai collegato..
perche l'uscita del pin 3 non varia la tensione? essendo astabile non dovrebbe variare?

4.15V di drop out tra alimentazione e pin 3 sono eccessivi. Se osservi il datasheet, vedi che neanche a 15V di alimentazione con un carico ragionevole (non più di 200mA) hai tanta caduta di tensione.. Per essere più esplicito, da quello che vedo lo hai tirato per il collo, non scartare il fatto che potresti averlo rotto, infatti non funziona. Quel carico da 8\Omega non è adatto per il 555.
Avatar utente
Foto Utentesimo85
30,9k 7 12 13
Disattivato su sua richiesta
 
Messaggi: 9927
Iscritto il: 30 ago 2010, 4:59

0
voti

[24] Re: NE555N x far emettere un suono a un buzzer

Messaggioda Foto Utentesanta79 » 7 dic 2011, 10:05

gohan ha scritto:
santa79 ha scritto:il led si accende tutto di colpo e poi affievolisce fino a spegnersi e non si riaccende più... :cry:...

Non mi è chiaro come lo hai collegato..
perche l'uscita del pin 3 non varia la tensione? essendo astabile non dovrebbe variare?

4.15V di drop out tra alimentazion?s/2182.pdf]datasheet[/


Al pin 3 dell'ne555 gli ho salsato i positivo del condesatore da 47z0uf e sau quello il led fa' come descreitto sopa.....affievolisce e poi rimane spento
Avatar utente
Foto Utentesanta79
5 2
New entry
New entry
 
Messaggi: 54
Iscritto il: 5 dic 2011, 18:37
Località: Modena

0
voti

[25] Re: NE555N x far emettere un suono a un buzzer

Messaggioda Foto Utenteg.schgor » 7 dic 2011, 10:18

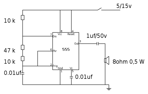
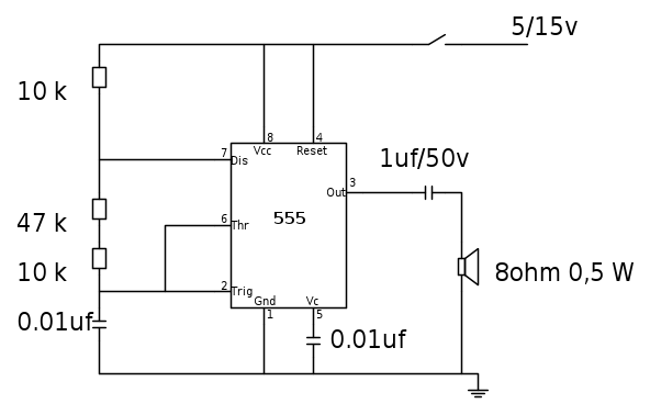
Non puoi eliminare il condensatore (la componente continua
distrugge il 555!), Ecco lo schema esatto:
Avatar utente
Foto Utenteg.schgor
57,8k 9 12 13
G.Master EY
G.Master EY
 
Messaggi: 16971
Iscritto il: 25 ott 2005, 9:58
Località: MILANO

0
voti

[26] Re: NE555N x far emettere un suono a un buzzer

Messaggioda Foto Utentesanta79 » 7 dic 2011, 16:48

g.schgor ha scritto:Non puoi eliminare il condensatore (la componente continua
distrugge il 555!), Ecco lo schema esatto:



ciao, era lo schema con cui ero partito dall'origine che pero avevo sostituito la resistenza da 56k che non ho...
e ho messo 2 resistenze in serie da 47 e 10 e sostituito il condensatore sul pin 3 (da 1uf 15v a 1uf 50v) come da schema sotto



potrebbe essere per quello che non funziona?
cioe, come ripeto, sento il fruscio dall'autoparlante quando muovo i cavi sulla batteria da 12v però non si sente il classico beep.

Adesso giro tutta modena per trovare la breadboard sperimentale perche mi son rotto di saldare e dissaldare tutte le volte!!!! poi visto che ci sono prendo sta 56k e sto 1uf 15v così non modifico nulla e vediamo se riesco...anche perche se no butto tutto............
Ultima modifica di Foto Utentealev il 7 dic 2011, 17:08, modificato 1 volta in totale.
Motivazione: Corretto schema fidocad (componenti "fasulli")
Avatar utente
Foto Utentesanta79
5 2
New entry
New entry
 
Messaggi: 54
Iscritto il: 5 dic 2011, 18:37
Località: Modena

1
voti

[27] Re: NE555N x far emettere un suono a un buzzer

Messaggioda Foto Utentemarco438 » 7 dic 2011, 17:39

Al post 16, avevo fatto una domanda che purtroppo e' rimasta inascoltata.
Nello schema originale (e perche' il tutto funzioni) e' indicato un condensatore elettrolitico (quindi polarizzato) da 1uF. Questo condensatore, nel tuo schema e' diventato plastico o ceramico (cosi' lo hai illustrato)e non polarizzato, poi addirittura hai pensato bene di collegare il buzzer (o quello che e') direttamente al pin 3.
Come ti ha detto Foto Utenteg.schgor, in conseguenza di questo, probabilmente il 555 e' passato a vita migliore.
Quindi oltre la resistenza, un condensatore idoneo e la breadboard, aggiungi anche questo alla lista della spesa.
marco
Avatar utente
Foto Utentemarco438
37,1k 7 11 13
-EY Legend-
-EY Legend-
 
Messaggi: 16323
Iscritto il: 24 mar 2010, 15:09
Località: Versilia

0
voti

[28] Re: NE555N x far emettere un suono a un buzzer

Messaggioda Foto Utentesanta79 » 7 dic 2011, 18:00

Scusa marco non lo faccio più....;-)....
Da disegno originale era effettivamente un condensatore 1uf da 15v e nn avendolol'ho sostituito col 1uf 50v pensando cambiasse solo la portata di tensione....la polarizzazione è col positivo sul pin 3 e il negativo sull'autoparlante cosi lo avevo montato......

3' negozio ke faccio e nesusno la tiene!!!!!incredibile......
Avatar utente
Foto Utentesanta79
5 2
New entry
New entry
 
Messaggi: 54
Iscritto il: 5 dic 2011, 18:37
Località: Modena

0
voti

[29] Re: NE555N x far emettere un suono a un buzzer

Messaggioda Foto Utentesanta79 » 7 dic 2011, 18:23

Trovataaaaaa......un po caretta ma lo trovata 12€ 164 pin e 5.5€ i cavetti per fare i ponti

Resistenze prese e anke i condensatori.....l'ne555 ne avevo presi 10

Adesso al lavoro e vediamo se ci riesco.....
Avatar utente
Foto Utentesanta79
5 2
New entry
New entry
 
Messaggi: 54
Iscritto il: 5 dic 2011, 18:37
Località: Modena

0
voti

[30] Re: NE555N x far emettere un suono a un buzzer

Messaggioda Foto Utentegiacky98 » 8 dic 2011, 11:48

Scusa ma prima mi ero spiegato male quando ti ho detto di collegare il LED, intendevo di collegare il LED al pin "Output" del NE555 (ovvero il pin 3) con una resistenza. Il condensatore va collegato tra il pin 2 e 6 (che sono collegati assieme) e la massa (logicamente con la polarità corretta). Non importa che sia di 470uF, ma di un valore simile, se possibile un po' più alto.

A questo punto dovresti vedere il LED lampeggiare. Se non è così ricontrolla bene tutto o prova a sostituire il NE555. Se funziona, sostituisci il condensatore con uno da pochi uF (io ho provato con 2.2uF e funziona) e al posto del LED e della resistenza collega l'altoparlante.

Un'altra cosa: che tipo di alimentazione stai usando? Da batteria o da alimentatore esterno? Che tensione hai?

Per non sbagliare ti allego lo schema del lampeggiatore a LED
Allegati
555flash.png
Lampeggiatore LED con NE555
555flash.png (8 KiB) Osservato 8007 volte
Avatar utente
Foto Utentegiacky98
10 1 4
New entry
New entry
 
Messaggi: 70
Iscritto il: 6 dic 2011, 14:57

PrecedenteProssimo

Torna a Elettronica generale

Chi c’è in linea

Visitano il forum: Nessuno e 147 ospiti