Cos'è ElectroYou | Login Iscriviti

ElectroYou - la comunità dei professionisti del mondo elettrico

Richiesta controllo esercizio Kirchhoff

Circuiti, campi elettromagnetici e teoria delle linee di trasmissione e distribuzione dell’energia elettrica

Moderatori: Foto Utenteg.schgor, Foto UtenteIsidoroKZ

0
voti

[1] Richiesta controllo esercizio Kirchhoff

Messaggioda Foto UtenteMoriduri » 13 dic 2011, 19:42

Ciao a tutti! ho ripassato oggi Kirchhoff dopo 1 anno di abbandono! quindi non mi ricordavo diciamo più niente! dopo aver ristudiato bene tutto ho fatto un esercizietto (che quell'intelligentone del sito dove l'ho preso ha lasciato senza soluzione!) quindi ora non so se ho fatto giusto o meno! penso di averlo "capito" bene! :D

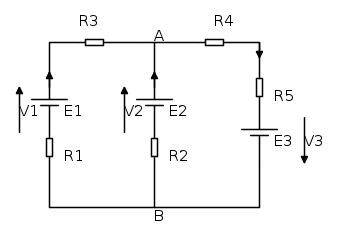
I dati sono questi:

R_{1},R_{2}=\ 10\ \mathrm{\Omega }
R_{3},R_{4}=\ 20\ \mathrm{\Omega }
R_{5}=\ 60\ \mathrm{\Omega }

E_{1}=\ 10\ \mathrm{V }
E_{2}=\ 30\ \mathrm{V }
E_{3}=\ 50\ \mathrm{V }

trovare: I_{1},\ I_{2},\ I_{3}

NOTA: i miei risultati per I_{1},\ I_{2},\ I_{3} sono stati rispettivamente: 0.27\ \mathrm{A},\ 0.18\ \mathrm{A} ,\ 0.45\ \mathrm{A}

Grazie a tutti! ciao O_/

PS: per maglia sinistra assunto ORARIO, per maglia destra assunto ANTIORARIO

schema:


nello schema ho segnato le frecce per V_{1},\ V_{2},\ V_{3} perché volevo specificare il senso che percorre la tensione sul generatore... che concorda con il verso della corrente... sulle resistenze ovviamente l'opposto!
Ultima modifica di Foto UtenteMoriduri il 13 dic 2011, 20:04, modificato 2 volte in totale.
Avatar utente
Foto UtenteMoriduri
79 4
New entry
New entry
 
Messaggi: 82
Iscritto il: 9 dic 2011, 18:54

0
voti

[2] Re: Richiesta controllo esercizio Kirchhoff

Messaggioda Foto Utenteasdf » 13 dic 2011, 19:45

Ok per lo schema con FidoCadJ, però non va allegato bensì va inserito in un altro modo.
Nella fattispecie: quando sei su FidoCadJ devi andare su Circuito, poi vai su Testo del circuito e copi il testo del circuito nel riquadro dove scrivi il messaggio.
Poi riselezioni il testo del circuito e clicchi sul pulsante fcd, presente nella pulsantiera in alto.


Edit: ho modificato inoltre il tuo post scrivendoti i dati in Latex.

Anche Latex è importante ai fini dell'esposizione e della comprensione di un post.
Puoi usare questo editor esterno:

http://www.codecogs.com/latex/eqneditor.php

Scrivi lì le varie espressioni, poi le ricopi nel riquadro dove scrivi il messaggio. Poi le riselezioni e clicchi sul pulsante tex presente nella pulsantiera in alto.
Avatar utente
Foto Utenteasdf
25,3k 8 11 13
Master EY
Master EY
 
Messaggi: 4762
Iscritto il: 11 apr 2010, 9:19

0
voti

[3] Re: Richiesta controllo esercizio Kirchhoff

Messaggioda Foto UtenteMoriduri » 13 dic 2011, 19:56

Ok perfetto allora il prossimo schema lo metterò giusto!! :D
Avatar utente
Foto UtenteMoriduri
79 4
New entry
New entry
 
Messaggi: 82
Iscritto il: 9 dic 2011, 18:54

0
voti

[4] Re: Richiesta controllo esercizio Kirchhoff

Messaggioda Foto Utenteasdf » 13 dic 2011, 19:57

Se puoi (e vuoi), comincia già da questo.
In tal modo chi ti risponderà e vorrà darti una mano potrà servirsi del circuito che hai postato con FidoCadJ per poterlo modificare e aiutarti nella risoluzione. ;-)
Avatar utente
Foto Utenteasdf
25,3k 8 11 13
Master EY
Master EY
 
Messaggi: 4762
Iscritto il: 11 apr 2010, 9:19

0
voti

[5] Re: Richiesta controllo esercizio Kirchhoff

Messaggioda Foto UtenteClaudioC » 13 dic 2011, 20:02

Moriduri ha scritto:Ciao a tutti! ho ripassato oggi Kirchhoff dopo 1 anno di abbandono! quindi non mi ricordavo


Ciao Moriduri,

così ad occhio vai più rapido con la sovrapposizione degli effetti.
Fai agire un generatore alla volta, cortocircuita i rimanenti generatori indipendenti di tensione, apri quelli di corrente e somma i risultati nei vari tratti del circuito.

ClaudioC.
Avatar utente
Foto UtenteClaudioC
10 3
 
Messaggi: 31
Iscritto il: 3 dic 2011, 9:43

0
voti

[6] Re: Richiesta controllo esercizio Kirchhoff

Messaggioda Foto UtenteMoriduri » 13 dic 2011, 20:05

sisi, ci avevo pensato anche io, però era solo per ripassare questo metodo che non mi ricordavo più!! :D
Ultima modifica di Foto Utenteasdf il 13 dic 2011, 20:06, modificato 1 volta in totale.
Motivazione: Eliminata quotazione inutile.
Avatar utente
Foto UtenteMoriduri
79 4
New entry
New entry
 
Messaggi: 82
Iscritto il: 9 dic 2011, 18:54

0
voti

[7] Re: Richiesta controllo esercizio Kirchhoff

Messaggioda Foto Utenteargento » 13 dic 2011, 20:16

Moriduri ha scritto:NOTA: i miei risultati per I_{1},\ I_{2},\ I_{3} sono stati rispettivamente: 0.27\ \mathrm{A},\ 0.18\ \mathrm{A} ,\ 0.45\ \mathrm{A}


A me escono risultati diversi.Dove hai trovato problemi?
Avatar utente
Foto Utenteargento
245 1 4 8
Stabilizzato
Stabilizzato
 
Messaggi: 425
Iscritto il: 19 mar 2010, 21:10

0
voti

[8] Re: Richiesta controllo esercizio Kirchhoff

Messaggioda Foto Utenteasdf » 13 dic 2011, 20:18

Foto UtenteMoriduri, dovresti postare il tuo procedimento con cui sei arrivato ai risultati che hai riportato all'inizio del topic stesso.
Almeno così si riesce a trovare più facilmente l'errore (eventuale) che hai commesso ;-) .
Avatar utente
Foto Utenteasdf
25,3k 8 11 13
Master EY
Master EY
 
Messaggi: 4762
Iscritto il: 11 apr 2010, 9:19

0
voti

[9] Re: Richiesta controllo esercizio Kirchhoff

Messaggioda Foto UtenteMoriduri » 13 dic 2011, 21:36

ti vengono diversi?? quanto diversi? perché magari (l'ho fatto di fretta) ho calcolato male qualcosa!! :D

per asdf: ho fatto i calcoli su una lavagnetta, ho cancellato i calcoli precedenti pian piano che continuavo! :cry:
Avatar utente
Foto UtenteMoriduri
79 4
New entry
New entry
 
Messaggi: 82
Iscritto il: 9 dic 2011, 18:54

1
voti

[10] Re: Richiesta controllo esercizio Kirchhoff

Messaggioda Foto Utenteangus » 13 dic 2011, 21:48

Foto UtenteMoriduri puoi sempre rifarli, no? ;-)

io comunque avrei usato Millman...
in /dev/null no one can hear you scream
Avatar utente
Foto Utenteangus
8.475 4 6 9
G.Master EY
G.Master EY
 
Messaggi: 4168
Iscritto il: 20 giu 2008, 17:25

Prossimo

Torna a Elettrotecnica generale

Chi c’è in linea

Visitano il forum: Nessuno e 137 ospiti