Cos'è ElectroYou | Login Iscriviti

ElectroYou - la comunità dei professionisti del mondo elettrico

Esercizio A.O.

Elettronica lineare e digitale: didattica ed applicazioni

Moderatori: Foto Utentecarloc, Foto Utenteg.schgor, Foto UtenteBrunoValente, Foto UtenteIsidoroKZ

0
voti

[1] Esercizio A.O.

Messaggioda Foto Utentekrisiv99 » 13 dic 2011, 17:40

Salve,
ci hanno dato questo circuito, ho capito come funziona, ma non so come scrivere le f.d.t. di Vo e Vo2...
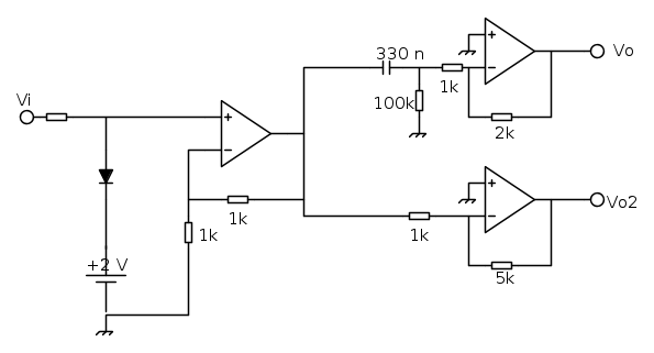
Le tensioni di alimentazione sono V+ = 6 V e V- = -6V

Immagine

in pratica con ingresso un segnale sinusoidale ampiezza 3 V valor medio 1,5 V devo descrivere il comportamento delle uscite in modulo e fase... so che il primo A.O. presenta in uscita un segnale pari al doppio dell'ingresso per Vi < 2,7 V e 5,4 V per Vi > 2,7 V... quindi in teoria Vo2 è 5 volte l'uscita del primo A.0 ma va in saturazione ecc ecc... insomma so come sono i segnali ma non so come scriverli... qualcuno mi aiuta??
Avatar utente
Foto Utentekrisiv99
0 2
 
Messaggi: 8
Iscritto il: 5 apr 2011, 20:34

0
voti

[2] Re: Esercizio A.O.

Messaggioda Foto UtenteIsidoroKZ » 13 dic 2011, 19:04

Sei proprio assolutamente sicuro che il circuito sia quello? Meglio che lo disegni con fidocad e con attenzione.

Mi pare strano che chiedano la funzione di trasferimento in un circuito non lineare. Come` il testo del problema riportato "alla lettera"?

Che scuola, corso, materia stai seguendo? Con che libro di testo?
Per usare proficuamente un simulatore, bisogna sapere molta più elettronica di lui
Plug it in - it works better!
Il 555 sta all'elettronica come Arduino all'informatica! (entrambi loro malgrado)
Se volete risposte rispondete a tutte le mie domande
Avatar utente
Foto UtenteIsidoroKZ
121,2k 1 3 8
G.Master EY
G.Master EY
 
Messaggi: 21059
Iscritto il: 17 ott 2009, 0:00

0
voti

[3] Re: Esercizio A.O.

Messaggioda Foto Utentekrisiv99 » 13 dic 2011, 20:17

il circuito è quello ne sono sicuro... non ho scritto la tensione della batteria 2 V e la tensione di soglia del diodo che è 0.7 V il condensatore invece è 330 nF... sto facendo il 5 anno in un I.T.I. corso elettronica... il libro ora non ce l'ho sotto mano comunque si chiama Elettronica : componenti e tecniche circuitali... fidocad ora provvedo ad installarlo... intanto grazie per la disponibilità...
Avatar utente
Foto Utentekrisiv99
0 2
 
Messaggi: 8
Iscritto il: 5 apr 2011, 20:34

0
voti

[4] Re: Esercizio A.O.

Messaggioda Foto UtenteIsidoroKZ » 13 dic 2011, 20:25

Se il circuito e` proprio quello, non sono in grado di risolverlo, sia perche' e` abbastanza incasinato, sia perche' non so che cosa sia una funzione di trasferimento in un circuito non lineare.

Il problema arriva dal libro, da un testo distribuito dal professore o da un problema dettato in classe e copiato dalla lavagna?
Per usare proficuamente un simulatore, bisogna sapere molta più elettronica di lui
Plug it in - it works better!
Il 555 sta all'elettronica come Arduino all'informatica! (entrambi loro malgrado)
Se volete risposte rispondete a tutte le mie domande
Avatar utente
Foto UtenteIsidoroKZ
121,2k 1 3 8
G.Master EY
G.Master EY
 
Messaggi: 21059
Iscritto il: 17 ott 2009, 0:00

0
voti

[5] Re: Esercizio A.O.

Messaggioda Foto Utentekrisiv99 » 13 dic 2011, 20:41

Da un esercizio dato dal prof in classe che io ho copiato da un mio compagno perché ero assente... ma se invece della funzione di trasferimento io volessi scrivere solo la funzione che descrive le 2 uscite potrei farlo?? se no come lo calcolo il modulo delle uscite e come faccio a scrivere lo sfasamento dell'uscita Vo?? Vo2 è 180° giusto??

EDIT: Sono un .....!!! gli ingressi degli A.O. sono tutti invertiti... non avevo visto che il più stava di sopra... sono abituato a farli a mano gli schemi e tengo l'invertente sopra per comodità...
Avatar utente
Foto Utentekrisiv99
0 2
 
Messaggi: 8
Iscritto il: 5 apr 2011, 20:34

0
voti

[6] Re: Esercizio A.O.

Messaggioda Foto Utentekrisiv99 » 13 dic 2011, 20:52

Ho rifatto il circuito in modo più comprensibile e soprattutto giusto...
Avatar utente
Foto Utentekrisiv99
0 2
 
Messaggi: 8
Iscritto il: 5 apr 2011, 20:34

0
voti

[7] Re: Esercizio A.O.

Messaggioda Foto Utentedani6 » 13 dic 2011, 22:56

La parte non lineare è solo un limitatore di tensione, quindi si può considerare il circuito lineare fino a 2.7V di tensione d'ingresso. Il uscita dall' operazionale più a sinistra si ha 2Vi.
V_{o2} è pari a -10 \cdot Vi.

V_{o1} necessità di qualche considerazione in più, ma in prima approssimazione può essere assunto come un filtro passa alto (derivatore), se serve faccio i conti esatti...

Ovviamente tutto vale se Vi<2.7V
Ultima modifica di Foto Utentedani6 il 13 dic 2011, 23:08, modificato 1 volta in totale.
Avatar utente
Foto Utentedani6
54 1 4
Frequentatore
Frequentatore
 
Messaggi: 141
Iscritto il: 25 mag 2006, 16:07

0
voti

[8] Re: Esercizio A.O.

Messaggioda Foto Utentekrisiv99 » 13 dic 2011, 23:07

Grazie Dani, però conosco quei circuiti e so singolamente cosa fanno il problema è che mi è stato detto di scrive Vo1 e Vo2 in funzione di Vi ma non so come scriverlo visto che come giustamente hai fatto notare il circuito nell'insieme ha un funzionamento diverso per Vi < 2,7 e Vi>2,7... Devo trovare un funzione che descriva l'andamento delle uscite e mi permetta di calcolare amplificazione e sfasamento...
Avatar utente
Foto Utentekrisiv99
0 2
 
Messaggi: 8
Iscritto il: 5 apr 2011, 20:34

0
voti

[9] Re: Esercizio A.O.

Messaggioda Foto Utentedani6 » 13 dic 2011, 23:14

Semplicemente non puoi farlo perché se parli di modulo e fase non puoi trattare la non linearità. Puoi però dire tranquillamente che se Vi è in continua sopra 2.7V Vo1 è nulla e Vo2 è pari a quello che avresti con Vi pari a 2.7V.

Il circuito è non lineare, quello che vuoi fare tu non è possibile e non avrebbe senso tentare di farlo.
Avatar utente
Foto Utentedani6
54 1 4
Frequentatore
Frequentatore
 
Messaggi: 141
Iscritto il: 25 mag 2006, 16:07

0
voti

[10] Re: Esercizio A.O.

Messaggioda Foto Utentekrisiv99 » 13 dic 2011, 23:17

Grazie, almeno domani posso andare all'interrogazione senza l'angoscia di non essere capace di farlo se so che non si può fare... Gli dico cosa fa a voce nei due casi e basta... Se una funzione univoca non esiste, e me ne avete dato conferma, non ha senso che me la chieda...
Avatar utente
Foto Utentekrisiv99
0 2
 
Messaggi: 8
Iscritto il: 5 apr 2011, 20:34

Prossimo

Torna a Elettronica generale

Chi c’è in linea

Visitano il forum: Nessuno e 62 ospiti