NE555N x far emettere un suono a un buzzer
Moderatori:
carloc,
g.schgor,
BrunoValente,
IsidoroKZ
1
voti
giacky98 ha scritto:Allora? A che punto siamo? Sei riuscito a ottenere quello che volevi?
si....sono riuscito finalmente (dopo 4 giorni di maledetta influenza e febbre)
adesso con la cassa da 8ohm suona perfettamente senza scaldare...
unica cosa che non sono riuscito è alzare quel maledetto volume...
...ho passato un'intera sera a dividere le resistenze, visto che non riesco a ricordare la seguenza dei colori per classificarle, sono però giunto a conclusione che a dissaldare i componenti da vecchi circuiti non passa un c..
..o e poi ritrovarsi con dei piedini che a momenti non arrivano neppure alla board non ne vale la pena.Percui sarei anche deciso a fare un'acquisto di un set di quello che servirebbe, di resistenze condensatori transistor ed eventuali buzzer, in previsione di un prossimo circuito per me molto più complicato...
cosa mi consigliate e dove le posso acquistare senza dover girare un'altra volta tutta modena?
UN GRAZZISSIMO A TUTTI QUELLI CHE MI HANNO ACCOMPAGNATO CON SUCCESSO AL MIO 1° CIRCUITO REALMENTE FUNZIONANTE
0
voti
Per quanto riguarda il volume, qualche miglioramento puoi ottenerlo seguendo le istruzioni di questo articolo verso la fine.
Certo che molto dipende anche dall'altoparlante che usi.
Per resistenze e condensatori, ho visto su Ebay alcune offerte di assortimenti che mi sembrano molto interessanti.
Certo che molto dipende anche dall'altoparlante che usi.
Per resistenze e condensatori, ho visto su Ebay alcune offerte di assortimenti che mi sembrano molto interessanti.
marco
0
voti
marco438 ha scritto:Per quanto riguarda il volume, qualche miglioramento puoi ottenerlo seguendo le istruzioni di questo articolo verso la fine.
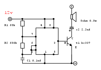
se non ho capito male basta aggiungere all'uscita del pin 3 un transistor che mi alzerebbe il volume dell'autoparlante...
montato in questo modo mi pare di capire giusto?
il transistor visto che ce ne sono a migliaia, va bene un BC337 25 -A11??perche facendo la prova montato come schema non suona più....
....e montato prima del condensatore C2 mi scalda l'NE555....0
voti
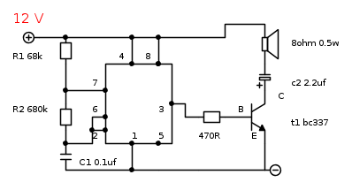
Il 555 scalda perché il transistor lo sovraccarica, credo si debba mettere una resistenza tra l'uscita 3 e la base del transitor.
Fammi fare due calcoli e ti dico, sempre che qualcuno più esperto non abbia la risposta pronta
Fammi fare due calcoli e ti dico, sempre che qualcuno più esperto non abbia la risposta pronta
0
voti
santa79 ha scritto:perche facendo la prova montato come schema non suona più........e montato prima del condensatore C2 mi scalda l'NE555....
FUNZIONA
0
voti
alev ha scritto:Il 555 scalda perché il transistor lo sovraccarica, credo si debba mettere una resistenza tra l'uscita 3 e la base del transitor.
servirebbe ad aumentare ulteriormente anche il volume?
0
voti
Aumentarlo, no; regolarlo forse si.
EDIT: ho dimenticato di dire che, forse il condensatore lì non va bene ed andrebbe messa sulla base del transistor; però sentiamo che ne pensa
marco438.
EDIT: ho dimenticato di dire che, forse il condensatore lì non va bene ed andrebbe messa sulla base del transistor; però sentiamo che ne pensa
0
voti
Vedo che c'e' stata un po' di confusione, forse anche per colpa mia perche' non ho indicato la resistenza di base del BJT dandola per scontata.
Con il transistor che hai scelto, lo schema finale dovrebbe essere questo:
Scusate la concisione ma vado di fretta.
Con il transistor che hai scelto, lo schema finale dovrebbe essere questo:
Scusate la concisione ma vado di fretta.
marco
0
voti
Secondo me, C2 ha i poli invertiti 
EDIT: Poi, volevo dire a
santa79 che se vuole aumentare il volume deve cambiare il transistor, mettendo un darlington (con dissipatore) tipo il BD649.
EDIT: Poi, volevo dire a
Chi c’è in linea
Visitano il forum: Nessuno e 177 ospiti

Elettrotecnica e non solo (admin)
Un gatto tra gli elettroni (IsidoroKZ)
Esperienza e simulazioni (g.schgor)
Moleskine di un idraulico (RenzoDF)
Il Blog di ElectroYou (webmaster)
Idee microcontrollate (TardoFreak)
PICcoli grandi PICMicro (Paolino)
Il blog elettrico di carloc (carloc)
DirtEYblooog (dirtydeeds)
Di tutto... un po' (jordan20)
AK47 (lillo)
Esperienze elettroniche (marco438)
Telecomunicazioni musicali (clavicordo)
Automazione ed Elettronica (gustavo)
Direttive per la sicurezza (ErnestoCappelletti)
EYnfo dall'Alaska (mir)
Apriamo il quadro! (attilio)
H7-25 (asdf)
Passione Elettrica (massimob)
Elettroni a spasso (guidob)
Bloguerra (guerra)






