Moriduri ha scritto:per trovare insomma una corrente continua senza tracce di alternata... (quindi una linea dritta orizzontale!!)
Nella formula scritta sopra la frase citata, hai indicato erroneamente come risultato
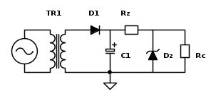
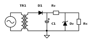
;al contario, la tensione alternata proveniente dal trasformatore viene raddrizzata a singola semionda dal diodo e quindi livellata dal seguente condensatore.
La stabilizzazione si otterra' solo ponendo a valle del condensatore un circuito idoneo atto a questo scopo.
Quindi puoi ottenere una "linea dritta orizzontale" solo dopo aver provveduto a questo ultimo passo mediante uno stabilizzatore con diodo zener o con un regolatore di tensione.
Quella che ottieni col tuo circuito e' solo una tensione di picco (misurabile sui terminali del condensatore) soggetta al carico; piu' quest'ultimo aumenta piu' la tensione diminuisce.

Elettrotecnica e non solo (admin)
Un gatto tra gli elettroni (IsidoroKZ)
Esperienza e simulazioni (g.schgor)
Moleskine di un idraulico (RenzoDF)
Il Blog di ElectroYou (webmaster)
Idee microcontrollate (TardoFreak)
PICcoli grandi PICMicro (Paolino)
Il blog elettrico di carloc (carloc)
DirtEYblooog (dirtydeeds)
Di tutto... un po' (jordan20)
AK47 (lillo)
Esperienze elettroniche (marco438)
Telecomunicazioni musicali (clavicordo)
Automazione ed Elettronica (gustavo)
Direttive per la sicurezza (ErnestoCappelletti)
EYnfo dall'Alaska (mir)
Apriamo il quadro! (attilio)
H7-25 (asdf)
Passione Elettrica (massimob)
Elettroni a spasso (guidob)
Bloguerra (guerra)





nella formula al posto di Vin ho messo la Vdc che avevo trovato prima, ho fatto bene?? ho dovevo sottrargli la caduta di tensione che avviene sul diodo di giunzione??
