Ti aspettiamo per la tua prossima realizzazione.
NE555N x far emettere un suono a un buzzer
Moderatori:
carloc,
g.schgor,
BrunoValente,
IsidoroKZ
0
voti
marco438 ha scritto:Ok allora.
Ti aspettiamo per la tua prossima realizzazione.
intanto completo questa, ho ordinato i componenti perche mi manca una resistenza e il transistor consigliato, poi lo realizzo sulla mille fori e nel frattempo provo a fare un disegno di quello che vorrei realizzare per riuscire a spiegarmi meglio.
grazie ancora a tutti per il momento

0
voti
alev ha scritto:se vuole aumentare il volume deve cambiare il transistor, mettendo un darlington (con dissipatore) tipo il BD649.
perchà su EBM Store non ne trovo di quelli che mi hai detto; se no non li prendo e vado in negozio qui a modena a prendere solo quelli...
0
voti
Se mantieni l'altoparlante da 0.5W, mettere un Darlington non credo possa servire a migliorare la situazione.
Se proprio vuoi cambiare quello che hai messo, che e' un po' povero, metti un 2N2222.
Se proprio vuoi cambiare quello che hai messo, che e' un po' povero, metti un 2N2222.
marco
0
voti
Non sono esperto di transistor, ho detto il BD649 perché l'ho usato per scopi analoghi ed ha funzionato per quelle che erano le mie esigenze.
Da quello che ho letto sul ds del BDX53, è abbastanza simile al BD649; tuttavia, io ne userei un altro ancora (BC517 sempre darlington) che non ha bisogno del dissipatore ed assorbe meno corrente dall'NE555.
Giusta comunque l'osservazione di
marco438; io davo per scontato che avresti messo anche un'altoparlante che sopporta una maggiore potenza.
Da quello che ho letto sul ds del BDX53, è abbastanza simile al BD649; tuttavia, io ne userei un altro ancora (BC517 sempre darlington) che non ha bisogno del dissipatore ed assorbe meno corrente dall'NE555.
Giusta comunque l'osservazione di
0
voti
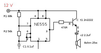
ok finalmente ieri mi sono arrivati i componenti...
e sono riusicito a effettuare le prove da voi consigliate il risultato è ottimo esattamente quello che mi aspettavo sotto posto lo schema della realizzazione funzionante al 100%
GRAZIE ancora a tutti
e sono riusicito a effettuare le prove da voi consigliate il risultato è ottimo esattamente quello che mi aspettavo sotto posto lo schema della realizzazione funzionante al 100%
GRAZIE ancora a tutti
0
voti
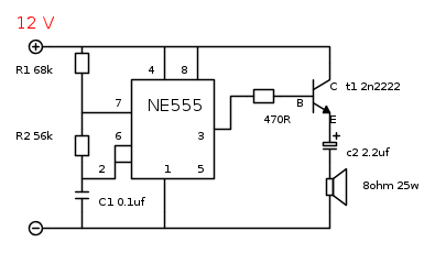
E i collegamenti di massa dove li hai lasciati?
Di seguito lo schema corretto:
Come hai visto ho tolto anche tutti i punti che avevi messo e che in questo schema non hanno senso.
Il punto di congiunzione si mette solo quando due connessioni si intersecano ed esiste contatto tra loro.
Di seguito lo schema corretto:
Come hai visto ho tolto anche tutti i punti che avevi messo e che in questo schema non hanno senso.
Il punto di congiunzione si mette solo quando due connessioni si intersecano ed esiste contatto tra loro.
marco
0
voti
WuppsssSss.....grazie marco dalla fretta nn mi ero accorto che mancava la massa.....
Grazie anche per l'info dei punti che servono all'intersecazione non lo sapevo
Grazie anche per l'info dei punti che servono all'intersecazione non lo sapevo
0
voti
Si....infatti il 2n2222 scalda dopo un po che beeppa...ma il discorso e che quelli li avevo gia in casa recuperati dallo smantellamento di vecchi oggetti.....non le sono state a comprare....ho anche un pinzoelettico (se cosi si dice) ma suona il 70% in meno come volume audio (come del resto anche tutti gli altri buzzer che avevo e con cui ho fatto le prove)....l'unico che suona bene è proprio quello da 25w
Chi c’è in linea
Visitano il forum: Google [Bot] e 29 ospiti

Elettrotecnica e non solo (admin)
Un gatto tra gli elettroni (IsidoroKZ)
Esperienza e simulazioni (g.schgor)
Moleskine di un idraulico (RenzoDF)
Il Blog di ElectroYou (webmaster)
Idee microcontrollate (TardoFreak)
PICcoli grandi PICMicro (Paolino)
Il blog elettrico di carloc (carloc)
DirtEYblooog (dirtydeeds)
Di tutto... un po' (jordan20)
AK47 (lillo)
Esperienze elettroniche (marco438)
Telecomunicazioni musicali (clavicordo)
Automazione ed Elettronica (gustavo)
Direttive per la sicurezza (ErnestoCappelletti)
EYnfo dall'Alaska (mir)
Apriamo il quadro! (attilio)
H7-25 (asdf)
Passione Elettrica (massimob)
Elettroni a spasso (guidob)
Bloguerra (guerra)





