Cos'è ElectroYou | Login Iscriviti

ElectroYou - la comunità dei professionisti del mondo elettrico

Amplificatore a bassa potenza "riciclato"

hi-fi, luci, suoni, effetti speciali, palcoscenici...

Moderatore: Foto UtenteIsidoroKZ

0
voti

[11] Re: Amplificatore a bassa potenza "riciclato"

Messaggioda Foto Utenteargento » 2 dic 2011, 12:58

Ho visto il thread e i consigli dati all'utente.

Io adesso spero di racimolare i componenti(per il TBA810)sennò li potrei pure comprare.
Anche se comunque le mie speranze di ottenere un risultato decente si stanno sempre più affievolendo quindi non saprei se ripiegare su casse preamplificate(ne ho diverse già a casa)e semplificarmi notevolmente la vita,oppure avviarmi verso un qualcosa di più serio spendendo un po di soldi e utilizzando qualche integrato come il TDA2030,ma avere la soddisfazione di essermelo fatto io.
L'ultima opzione è però da "mixare" con il tempo che devo assolutamente dedicare all'università.

Insomma tradotto sono in fase di stallo! :mrgreen:

Comunque grazie ancora per il tempo dedicatomi e appena avrò fatto chiarezza su quello che voglio fare al massimo le farò sapere,pure per dare un senso a questo thread! :D
Avatar utente
Foto Utenteargento
245 1 4 8
Stabilizzato
Stabilizzato
 
Messaggi: 425
Iscritto il: 19 mar 2010, 21:10

1
voti

[12] Re: Amplificatore a bassa potenza "riciclato"

Messaggioda Foto Utentemarco438 » 2 dic 2011, 13:35

Ricorda che, alla tua eta', la cosa piu' importante e' lo studio.
L'idea di ripiegare su casse preamplificate e' la migliore.
Per fare qualcosa di serio e sopratutto fatto da te, c'e' sempre tempo e noi del forum siamo sempre qui. :D

P.S. Sul forum il lei e' stato da tempo abolito; e poi mi fa sentire piu' vecchio di quello che sono! :evil:
marco
Avatar utente
Foto Utentemarco438
37,1k 7 11 13
-EY Legend-
-EY Legend-
 
Messaggi: 16323
Iscritto il: 24 mar 2010, 15:09
Località: Versilia

0
voti

[13] Re: Amplificatore a bassa potenza "riciclato"

Messaggioda Foto Utenteargento » 17 dic 2011, 18:25

Salve a tutti!

Ritorno come promesso su questo topic per dirvi che ho montato il circuito e l'ho testato.

Se volete posso uppare il video in modo da avere un po' l'idea di cosa ho fatto! :-)
Avatar utente
Foto Utenteargento
245 1 4 8
Stabilizzato
Stabilizzato
 
Messaggi: 425
Iscritto il: 19 mar 2010, 21:10

0
voti

[14] Re: Amplificatore a bassa potenza "riciclato"

Messaggioda Foto Utentemarco438 » 17 dic 2011, 18:27

E perche' no?
Facci vedere la tua realizzazione.
marco
Avatar utente
Foto Utentemarco438
37,1k 7 11 13
-EY Legend-
-EY Legend-
 
Messaggi: 16323
Iscritto il: 24 mar 2010, 15:09
Località: Versilia

0
voti

[15] Re: Amplificatore a bassa potenza "riciclato"

Messaggioda Foto Utenteargento » 17 dic 2011, 18:37

Il video è fatto con un 6630(non ho una fotocamera) è in formato 3gp ed è uppato su megaupload.

Tengo un dito sull'intergrato perché è montato senza dissipatore e avevo paura si surriscaldasse.

L'alimentazione è fonita da un alimentatore da 12.6V.Per l'ingresso audio ho utilizzato un jack mono.La cassa è da 4ohm e 2W.

Le miei considerazione

Mi aspettavo sinceramente prestazioni peggiori e anzi devo dire che quasi quasi lo monterò su millefori :D .
Avatar utente
Foto Utenteargento
245 1 4 8
Stabilizzato
Stabilizzato
 
Messaggi: 425
Iscritto il: 19 mar 2010, 21:10

0
voti

[16] Re: Amplificatore a bassa potenza "riciclato"

Messaggioda Foto Utentemarco438 » 17 dic 2011, 18:53

argento ha scritto:Mi aspettavo sinceramente prestazioni peggiori e anzi devo dire che quasi quasi lo monterò su millefori :D .


Purtroppo dal video postato non e' possibile valutare la qualita' del sonoro che risulta piuttosto distorto.
Comunque, se sei soddisfatto del risultato ottenuto, montalo pure e ricordati il dissipatore! :D
marco
Avatar utente
Foto Utentemarco438
37,1k 7 11 13
-EY Legend-
-EY Legend-
 
Messaggi: 16323
Iscritto il: 24 mar 2010, 15:09
Località: Versilia

0
voti

[17] Re: Amplificatore a bassa potenza "riciclato"

Messaggioda Foto Utenteargento » 17 dic 2011, 19:05

Si purtroppo la qualità audio non è granchè.

Al massimo potrei regitrarlo tramite mic ma senza video.

Comunque il dissipatore va montato solo sulle alette e con un po di pasta termoconduttiva,giusto?

Per quanto riguarda l'alimentazione ho provato anche con un ponte e un condensatore da 4700uF ma si sentiva un forte rumore di ripple.Passo a un condensatore da 2200uF?
Avatar utente
Foto Utenteargento
245 1 4 8
Stabilizzato
Stabilizzato
 
Messaggi: 425
Iscritto il: 19 mar 2010, 21:10

0
voti

[18] Re: Amplificatore a bassa potenza "riciclato"

Messaggioda Foto Utentemarco438 » 17 dic 2011, 19:38

Con cosa lo stai alimentando?
marco
Avatar utente
Foto Utentemarco438
37,1k 7 11 13
-EY Legend-
-EY Legend-
 
Messaggi: 16323
Iscritto il: 24 mar 2010, 15:09
Località: Versilia

0
voti

[19] Re: Amplificatore a bassa potenza "riciclato"

Messaggioda Foto Utenteargento » 17 dic 2011, 19:46

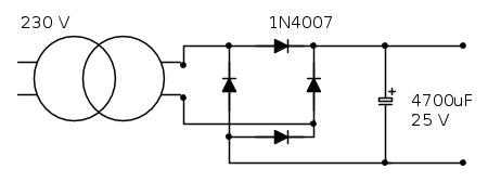
La prima volta l'ho alimentato tramite questo circuito di alimentazione:

il trasformatore di cui avevo già parlato in questo topic,il ponte FBU4G e un condensatore elettrolitico da 4700uF.

Il suono però era affetto da un elevato rumore pulsante.

Ho allora fatto le prove successive tramite un alimentatore da 12.6V DC.


Volendolo montare su millefori però lo stadio di alimentazione deve essere interno e vorrei farlo tramite:

Avatar utente
Foto Utenteargento
245 1 4 8
Stabilizzato
Stabilizzato
 
Messaggi: 425
Iscritto il: 19 mar 2010, 21:10

0
voti

[20] Re: Amplificatore a bassa potenza "riciclato"

Messaggioda Foto Utenteargento » 17 dic 2011, 19:50

Ricontrollando il datasheet del TBA810 vorrei "utilizzare il piedino 7" cioè la reiezione del ripple e come stadio di alimentazione quello appena proposto.

Se non hai altri consigli vorrei provare questa strada!
Avatar utente
Foto Utenteargento
245 1 4 8
Stabilizzato
Stabilizzato
 
Messaggi: 425
Iscritto il: 19 mar 2010, 21:10

PrecedenteProssimo

Torna a Elettronica e spettacolo

Chi c’è in linea

Visitano il forum: Nessuno e 54 ospiti