Un saluto a tutti.
E' il mio primo post e spero di non dire stupidate....
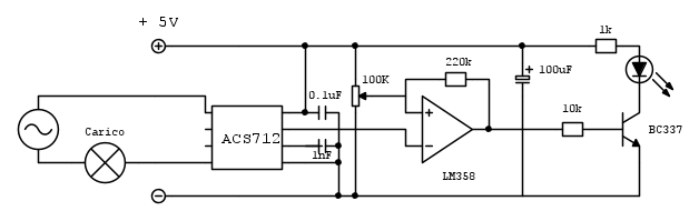
sto cercando di realizzare un sensore di corrente che attivi un relè quando il carico è attivo
per realizzarloo ho pensato di usare un sensore, l' ACS712, che sfrutta l'effetto Hall, prodotto dalla Allegro.
http://www.farnell.com/datasheets/64754.pdf
Sulla carta mi era sembrato di semplice utilizzo, ma non riesco a farlo funzionare correttamente.
questo lo schema con cui lo stò testando
In teoria a seconda del carico, se ho interpretato bene la scheda tecnica dell'ACS712, nel pin 7 (Vout) dovrei avere un'incremento di 185mv/A, ma non è così.
Indipendentemente dal carico applicato tra i pin 1&2 e 3&4, sul pin 7 leggo sempre una tensione pari a metà di quella di alimentazione e che dovrebbe essere l'offset.
mi piacerebbe venirne a capo, perché speravo di non dover ricorrere al solito toroidale....
Ogni suggerimento è benvenuto.
Michele
Sensore di corrente con ACS712
47 messaggi
• Pagina 1 di 5 • 1, 2, 3, 4, 5
0
voti
0
voti
Se la corrente che scorre nel carico è alternata e tu misuri la tensione continua, otterrai sicuramente lo stesso valore: hai dato un'occhiata alla tensione sul terminale 7 con un oscilloscopio?
It's a sin to write
instead of
(Anonimo).
...'cos you know that
ain't
, right?
You won't get a sexy tan if you write
in lieu of
.
Take a log for a fireplace, but don't take
for
arithm.
instead of
(Anonimo)....'cos you know that
ain't
, right?You won't get a sexy tan if you write
in lieu of
.Take a log for a fireplace, but don't take
for
arithm.-

DirtyDeeds
55,9k 7 11 13 - G.Master EY

- Messaggi: 7012
- Iscritto il: 13 apr 2010, 16:13
- Località: Somewhere in nowhere
0
voti
Come probabilmente avrai gIa capito, sono un semplice appassionato con una formazione autodidatta.
E tra le tante lacune ho anche quella di non avere dimestichezza con l'oscilloscopio. Ad ogni modo ho cercato di vincere il timore e lo ho collegato al pin 7
In effetti come giustamente dici, quando collego un carico, nel pin 7 ho una tensione alternata molto bassa, pochi millivolt, a circa 50hz.
A questo punto quindi, se ho capito bene, mi trovo una tensione alternata che varia in base al carico con un offset in continua di 2,5 volt....
Come faccio quindi ad "utilizzarla"?
E tra le tante lacune ho anche quella di non avere dimestichezza con l'oscilloscopio. Ad ogni modo ho cercato di vincere il timore e lo ho collegato al pin 7
In effetti come giustamente dici, quando collego un carico, nel pin 7 ho una tensione alternata molto bassa, pochi millivolt, a circa 50hz.
A questo punto quindi, se ho capito bene, mi trovo una tensione alternata che varia in base al carico con un offset in continua di 2,5 volt....
Come faccio quindi ad "utilizzarla"?
0
voti
bigjump ha scritto:ho una tensione alternata molto bassa, pochi millivolt, a circa 50hz.
Che carico hai collegato? Pochi mV corrispondono a una corrente piuttosto bassa.
bigjump ha scritto:mi trovo una tensione alternata che varia in base al carico con un offset in continua di 2,5 volt....
Sì, proprio così. Tanto per essere sicuro che il sensore stia funzionando e sia stato montato correttamente io farei una prima prova in continua: hai un alimentatore DC in grado di erogare qualche ampere?
bigjump ha scritto:Come faccio quindi ad "utilizzarla"?
Che utilizzo vorresti farne? Dal circuito che hai incluso nel primo messaggio, sebbene non funzionante, mi sembra di capire che tu voglia rilevare quando la corrente sale sopra un certo limite: è così?
It's a sin to write
instead of
(Anonimo).
...'cos you know that
ain't
, right?
You won't get a sexy tan if you write
in lieu of
.
Take a log for a fireplace, but don't take
for
arithm.
instead of
(Anonimo)....'cos you know that
ain't
, right?You won't get a sexy tan if you write
in lieu of
.Take a log for a fireplace, but don't take
for
arithm.-

DirtyDeeds
55,9k 7 11 13 - G.Master EY

- Messaggi: 7012
- Iscritto il: 13 apr 2010, 16:13
- Località: Somewhere in nowhere
0
voti
Dunque, per fare le prove ho collegato una lampada da 300watt, quindi dovrei leggere un'assorbimento pari a circa 1,5A che in teoria dovrebbero corrispondere ad una variazione al pin 7 di poco oltre 200mv
Ho un alimentatore variabile che eroga sino a 5 A, ma non saprei che carico collegare con un'assorbimento così elevato
Il circuito che dovrei realizzare, dovrebbe artivare un relè quando la corrente supera una certa soglia.
Lo scopo e quello di avere un contatto pulito che segnali all'apposita interfaccia dell'impianto di domotica quando un carico è attivo oppure no.
I carichi sono abbastanza deboli, Plasma, hi-fi e simili.
Se all'uscita di casa un carico è rimasto acceso, la centrale invia il comando di spegnimento tramite apposita interfaccia ad infrarossi.
Ho tutto funzionante e mi manca solo il controllo del carico.....
Ho un alimentatore variabile che eroga sino a 5 A, ma non saprei che carico collegare con un'assorbimento così elevato
Il circuito che dovrei realizzare, dovrebbe artivare un relè quando la corrente supera una certa soglia.
Lo scopo e quello di avere un contatto pulito che segnali all'apposita interfaccia dell'impianto di domotica quando un carico è attivo oppure no.
I carichi sono abbastanza deboli, Plasma, hi-fi e simili.
Se all'uscita di casa un carico è rimasto acceso, la centrale invia il comando di spegnimento tramite apposita interfaccia ad infrarossi.
Ho tutto funzionante e mi manca solo il controllo del carico.....
0
voti
bigjump ha scritto:Ho un alimentatore variabile che eroga sino a 5 A, ma non saprei che carico collegare con un'assorbimento così elevato.
Un resistore (RL) con una dissipazione di potenza nominale superiore a quella necessaria.
0
voti
In alternativa, se l'alimentatore ha una limitazione di corrente regolabile e non è lo stesso che alimenta il circuito, puoi semplicemente chiuderlo in corto circuto sull'ingresso del sensore.
Il valore di picco che dovresti leggere con l'oscilloscopio dovrebbe essere di circa 340 mV, un segnale ben visibile.
bigjump ha scritto:quindi dovrei leggere un'assorbimento pari a circa 1,5A che in teoria dovrebbero corrispondere ad una variazione al pin 7 di poco oltre 200mv
Il valore di picco che dovresti leggere con l'oscilloscopio dovrebbe essere di circa 340 mV, un segnale ben visibile.
It's a sin to write
instead of
(Anonimo).
...'cos you know that
ain't
, right?
You won't get a sexy tan if you write
in lieu of
.
Take a log for a fireplace, but don't take
for
arithm.
instead of
(Anonimo)....'cos you know that
ain't
, right?You won't get a sexy tan if you write
in lieu of
.Take a log for a fireplace, but don't take
for
arithm.-

DirtyDeeds
55,9k 7 11 13 - G.Master EY

- Messaggi: 7012
- Iscritto il: 13 apr 2010, 16:13
- Località: Somewhere in nowhere
0
voti
Non avendo resistenze di adeguata potenza, ho chiuso l'alimentatore sui terminali del sensore.
A vuoto (alimentatore spento) sul pin 7 leggo 2,45 V (metà VCC).
Con l'alimentatore limitato a 1 A leggo un'incremento di 170mv e con 2 A di 340 mV
Direi quindi che il sensore funziona correttamente.
Resta il problema di come rilevare la CA.....
A vuoto (alimentatore spento) sul pin 7 leggo 2,45 V (metà VCC).
Con l'alimentatore limitato a 1 A leggo un'incremento di 170mv e con 2 A di 340 mV
Direi quindi che il sensore funziona correttamente.
Resta il problema di come rilevare la CA.....
0
voti
bigjump ha scritto:Lo scopo e quello di avere un contatto pulito che segnali all'apposita interfaccia dell'impianto di domotica quando un carico è attivo oppure no.
Dunque, se ho capito giusto, il tuo circuito dovrebbe attaccare un relè quando la corrente supera una certa soglia, così poi l'impianto di domotica stacca tutto. Una volta staccato tutto, la corrente scenderebbe sotto la soglia: come si deve comportare il tuo circuito in questo caso?
1) Il relè deve rimanere attaccatto fino a che non viene staccato da un comando esterno.
2) Il relè può staccarsi una volta che l'impianto di domotica ha fatto il suo dovere.
3) Altro...
It's a sin to write
instead of
(Anonimo).
...'cos you know that
ain't
, right?
You won't get a sexy tan if you write
in lieu of
.
Take a log for a fireplace, but don't take
for
arithm.
instead of
(Anonimo)....'cos you know that
ain't
, right?You won't get a sexy tan if you write
in lieu of
.Take a log for a fireplace, but don't take
for
arithm.-

DirtyDeeds
55,9k 7 11 13 - G.Master EY

- Messaggi: 7012
- Iscritto il: 13 apr 2010, 16:13
- Località: Somewhere in nowhere
0
voti
Esatto, il funzionamento è quello che descrivi, con l'opzione 2 
47 messaggi
• Pagina 1 di 5 • 1, 2, 3, 4, 5
Chi c’è in linea
Visitano il forum: Nessuno e 4 ospiti

Elettrotecnica e non solo (admin)
Un gatto tra gli elettroni (IsidoroKZ)
Esperienza e simulazioni (g.schgor)
Moleskine di un idraulico (RenzoDF)
Il Blog di ElectroYou (webmaster)
Idee microcontrollate (TardoFreak)
PICcoli grandi PICMicro (Paolino)
Il blog elettrico di carloc (carloc)
DirtEYblooog (dirtydeeds)
Di tutto... un po' (jordan20)
AK47 (lillo)
Esperienze elettroniche (marco438)
Telecomunicazioni musicali (clavicordo)
Automazione ed Elettronica (gustavo)
Direttive per la sicurezza (ErnestoCappelletti)
EYnfo dall'Alaska (mir)
Apriamo il quadro! (attilio)
H7-25 (asdf)
Passione Elettrica (massimob)
Elettroni a spasso (guidob)
Bloguerra (guerra)

