Sensore di corrente con ACS712
47 messaggi
• Pagina 2 di 5 • 1, 2, 3, 4, 5
0
voti
Perché la cosa funzioni prima del comparatore bisogna anteporre un raddrizzatore, tipo, per esempio, quello della figura 2 del data sheet. Se ci dici a che valore di carico vuoi mettere la soglia si può provare a fare un progettino.
It's a sin to write
instead of
(Anonimo).
...'cos you know that
ain't
, right?
You won't get a sexy tan if you write
in lieu of
.
Take a log for a fireplace, but don't take
for
arithm.
instead of
(Anonimo)....'cos you know that
ain't
, right?You won't get a sexy tan if you write
in lieu of
.Take a log for a fireplace, but don't take
for
arithm.-

DirtyDeeds
55,9k 7 11 13 - G.Master EY

- Messaggi: 7012
- Iscritto il: 13 apr 2010, 16:13
- Località: Somewhere in nowhere
0
voti
Il carico più piccolo dovrebbe essere da circa 300W. Gli altri sono superiori, ma credo al massimo 600/700 W
2
voti
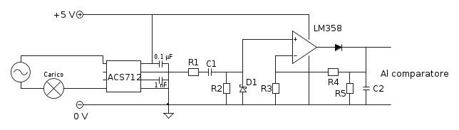
Un primo pezzo di circuito potrebbe essere il seguente:
Al prossimo giro, il dimensionamento dei componenti: la resistenza
serve a limitare la corrente di uscita del sensore, mentre il diodo Schottky D1 impedisce che la tensione all'ingresso dell'opamp scenda sotto -0,3 V (ché all'lm358 non ci piace
). Per il comparatore, quanto assorbe il relè che vorresti usare?
Al prossimo giro, il dimensionamento dei componenti: la resistenza
serve a limitare la corrente di uscita del sensore, mentre il diodo Schottky D1 impedisce che la tensione all'ingresso dell'opamp scenda sotto -0,3 V (ché all'lm358 non ci piace It's a sin to write
instead of
(Anonimo).
...'cos you know that
ain't
, right?
You won't get a sexy tan if you write
in lieu of
.
Take a log for a fireplace, but don't take
for
arithm.
instead of
(Anonimo)....'cos you know that
ain't
, right?You won't get a sexy tan if you write
in lieu of
.Take a log for a fireplace, but don't take
for
arithm.-

DirtyDeeds
55,9k 7 11 13 - G.Master EY

- Messaggi: 7012
- Iscritto il: 13 apr 2010, 16:13
- Località: Somewhere in nowhere
0
voti
Grazie infinite per la disponibilità.
Il relè assorbe 28,1 mA (Panasonic TQ2-5V)
Il relè assorbe 28,1 mA (Panasonic TQ2-5V)
0
voti
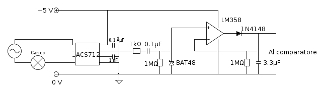
Ecco uno schema con i valori: ho tolto l'amplificazione perché non serve. Prima di fare il secondo pezzo converrebbe che tu lo provassi misurando la tensione continua all'uscita per diversi carichi.
It's a sin to write
instead of
(Anonimo).
...'cos you know that
ain't
, right?
You won't get a sexy tan if you write
in lieu of
.
Take a log for a fireplace, but don't take
for
arithm.
instead of
(Anonimo)....'cos you know that
ain't
, right?You won't get a sexy tan if you write
in lieu of
.Take a log for a fireplace, but don't take
for
arithm.-

DirtyDeeds
55,9k 7 11 13 - G.Master EY

- Messaggi: 7012
- Iscritto il: 13 apr 2010, 16:13
- Località: Somewhere in nowhere
0
voti
Ottimo!
Ho provato il circuito con i seguenti risultati:
In assenza di carico leggo una tensione in cc che fluttua tra i 10 e 20mV
Con un carico di 150w leggo circa 180mV mentre con un carico di circa 300w ho circa 380mV
Ho usato i componenti ed i valori dello schema tranne per lo schottky che non ho e che ho temporaneamente sostituito con un 1N4001 e per il condensatore da 3,3 uF sostituito con un 2,2 uF
Conviene amplificare prima del comparatore per avere un range di regolazione piu ampio oppure non è necessario?
Ho provato il circuito con i seguenti risultati:
In assenza di carico leggo una tensione in cc che fluttua tra i 10 e 20mV
Con un carico di 150w leggo circa 180mV mentre con un carico di circa 300w ho circa 380mV
Ho usato i componenti ed i valori dello schema tranne per lo schottky che non ho e che ho temporaneamente sostituito con un 1N4001 e per il condensatore da 3,3 uF sostituito con un 2,2 uF
Conviene amplificare prima del comparatore per avere un range di regolazione piu ampio oppure non è necessario?
0
voti
bigjump ha scritto:mentre con un carico di circa 300w ho circa 380mV
Mettendo lo Schottky dovresti poi misurare un 100-200 mV in più almeno.
bigjump ha scritto:il condensatore da 3,3 uF sostituito con un 2,2 uF
Questo sarebbe meglio poi metterlo da 3,3 µF o anche 4,7 µF in modo da ridurre il ripple il più possibile (a scapito, però, di un aumento del tempo di intervento, ma non credo che nel tuo caso sia un problema).
bigjump ha scritto:Conviene amplificare prima del comparatore per avere un range di regolazione piu ampio oppure non è necessario?
Non dovrebbe essere necessario se metti lo Schottky. Appena riesco aggiungo anche il comparatore: stasera no, ché ho mal di testa.
It's a sin to write
instead of
(Anonimo).
...'cos you know that
ain't
, right?
You won't get a sexy tan if you write
in lieu of
.
Take a log for a fireplace, but don't take
for
arithm.
instead of
(Anonimo)....'cos you know that
ain't
, right?You won't get a sexy tan if you write
in lieu of
.Take a log for a fireplace, but don't take
for
arithm.-

DirtyDeeds
55,9k 7 11 13 - G.Master EY

- Messaggi: 7012
- Iscritto il: 13 apr 2010, 16:13
- Località: Somewhere in nowhere
0
voti
ciao,
ho messo schottky e condensatore da 3,3uF, ma le tensioni sono rimaste all'incirca le stesse.
Ho collegato l'altra metà dell'LM385 come comparatore e riesco ad attivare il relè con un carico di circa 100W.
così è troppo spartano?
ho messo schottky e condensatore da 3,3uF, ma le tensioni sono rimaste all'incirca le stesse.
Ho collegato l'altra metà dell'LM385 come comparatore e riesco ad attivare il relè con un carico di circa 100W.
così è troppo spartano?
0
voti
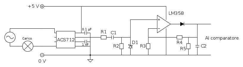
Suggerire di modificarlo così:
se non sto prendendo un abbaglio mi sembra che così si dovrebbe ottenere lo stesso risultato ma, a differenza dell'altro, la tensione di uscita dal raddrizzatore dovrebbe essere pari al valore picco-picco anche con segnali di ingresso molto bassi. Nell'altro, per segnali sotto la soglia del diodo schottky, se non vedo male, l'uscita dovrebbe tendere al valore di picco invece che picco-picco.
se non sto prendendo un abbaglio mi sembra che così si dovrebbe ottenere lo stesso risultato ma, a differenza dell'altro, la tensione di uscita dal raddrizzatore dovrebbe essere pari al valore picco-picco anche con segnali di ingresso molto bassi. Nell'altro, per segnali sotto la soglia del diodo schottky, se non vedo male, l'uscita dovrebbe tendere al valore di picco invece che picco-picco.
-

BrunoValente
39,6k 7 11 13 - G.Master EY

- Messaggi: 7796
- Iscritto il: 8 mag 2007, 14:48
0
voti
BrunoValente ha scritto:Nell'altro, per segnali sotto la soglia del diodo schottky, se non vedo male, l'uscita dovrebbe tendere al valore di picco invece che picco-picco.
Sì, dovrebbe essere così. Essendo per un'applicazione a soglia non ci avevo dato troppo peso. Ciò che però in ogni caso va modificato è il comparatore, a cui bisogna aggiungere un po' di isteresi, possibilmente superiore al ripple della tensione di uscita del rivelatore di picco. Se si usa, per esempio, un LM311, non ci dovrebbe essere neanche bisogno di aggiungere il transistor per il pilotaggio del relè. Purtroppo in questi giorni di delirio pre-natalizio non ho più avuto il tempo di buttare giù lo schema.
It's a sin to write
instead of
(Anonimo).
...'cos you know that
ain't
, right?
You won't get a sexy tan if you write
in lieu of
.
Take a log for a fireplace, but don't take
for
arithm.
instead of
(Anonimo)....'cos you know that
ain't
, right?You won't get a sexy tan if you write
in lieu of
.Take a log for a fireplace, but don't take
for
arithm.-

DirtyDeeds
55,9k 7 11 13 - G.Master EY

- Messaggi: 7012
- Iscritto il: 13 apr 2010, 16:13
- Località: Somewhere in nowhere
47 messaggi
• Pagina 2 di 5 • 1, 2, 3, 4, 5
Chi c’è in linea
Visitano il forum: Nessuno e 2 ospiti

Elettrotecnica e non solo (admin)
Un gatto tra gli elettroni (IsidoroKZ)
Esperienza e simulazioni (g.schgor)
Moleskine di un idraulico (RenzoDF)
Il Blog di ElectroYou (webmaster)
Idee microcontrollate (TardoFreak)
PICcoli grandi PICMicro (Paolino)
Il blog elettrico di carloc (carloc)
DirtEYblooog (dirtydeeds)
Di tutto... un po' (jordan20)
AK47 (lillo)
Esperienze elettroniche (marco438)
Telecomunicazioni musicali (clavicordo)
Automazione ed Elettronica (gustavo)
Direttive per la sicurezza (ErnestoCappelletti)
EYnfo dall'Alaska (mir)
Apriamo il quadro! (attilio)
H7-25 (asdf)
Passione Elettrica (massimob)
Elettroni a spasso (guidob)
Bloguerra (guerra)



