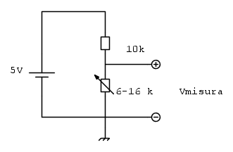
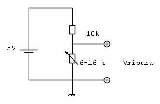
Avrei necessità di amplificare una tensione proveniente da un partitore di tensione formato da una resistenza e un trasduttore di tipo resistivo, di circa 2-2,5 volte.
Come posso fare utilizzando un circuito il più semplice possibile e con un alimentazione di 5V?
Ho provato con un operazionale (LM741), utilizzando un alimentazione singola 0-5V, ma non c'è verso di farlo funzionare.
Questo è il partitore che utilizzo per tensione di misura.
Amplificare un segnale senza alimentazione duale
Moderatori:
carloc,
g.schgor,
BrunoValente,
IsidoroKZ
10 messaggi
• Pagina 1 di 1
0
voti
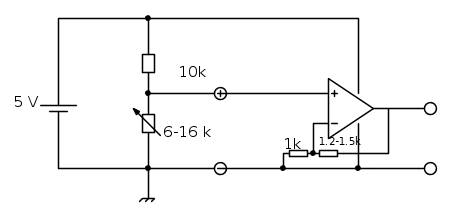
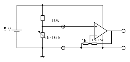
Puoi fare così:
avendo l'accortezza di scegliere un operazionale idoneo...di certo il 741 non va bene.
Deve poter lavorare bene con soli 5V e deve essere in grado di manipolare tensioni in un campo che si estende verso il basso fino al potenziale del negativo di alimentazione.
Se vuoi fare una cosa straprecisa puoi utilizzare il MAX4238ASA che puoi trovare sia da RS che da Distrelec
avendo l'accortezza di scegliere un operazionale idoneo...di certo il 741 non va bene.
Deve poter lavorare bene con soli 5V e deve essere in grado di manipolare tensioni in un campo che si estende verso il basso fino al potenziale del negativo di alimentazione.
Se vuoi fare una cosa straprecisa puoi utilizzare il MAX4238ASA che puoi trovare sia da RS che da Distrelec
-

BrunoValente
39,6k 7 11 13 - G.Master EY

- Messaggi: 7796
- Iscritto il: 8 mag 2007, 14:48
0
voti
...scusa mi era sfuggito un dettaglio: se il tuo sensore resistivo varia da 6k a 16k vuol dire che la tensione da amplificare varia da circa 1.9V a 3.1V e quindi, se amplifichi 2 o, peggio ancora, 2.5 volte con un operazionale alimentato a 5V, succede che satura.
3.1x2=6.2V
3.1x2.5=7.75V
3.1x2=6.2V
3.1x2.5=7.75V
-

BrunoValente
39,6k 7 11 13 - G.Master EY

- Messaggi: 7796
- Iscritto il: 8 mag 2007, 14:48
0
voti
Hai ragione, avevo fatto un conto male, mi torna anche a me....
Lo devo amplificare del 40-50% circa.
Mi immaginavo che il 741, fosse un po' troppo datato.
Diciamo che prima di comprare qualcosa, volevo cercare di fare il meglio con cio che ho in casa.
Oltre al 741, ho recuperato un LM393, potrebbe essere migliore?
datasheet:http://www.ti.com/lit/ds/symlink/lm393-n.pdf
Sennò con qualche transistor?
Ho qualche 2m2222, BC548, BC239.
Lo devo amplificare del 40-50% circa.
Mi immaginavo che il 741, fosse un po' troppo datato.
Diciamo che prima di comprare qualcosa, volevo cercare di fare il meglio con cio che ho in casa.
Oltre al 741, ho recuperato un LM393, potrebbe essere migliore?
datasheet:http://www.ti.com/lit/ds/symlink/lm393-n.pdf
Sennò con qualche transistor?
Ho qualche 2m2222, BC548, BC239.
-

DADO91
3.552 3 12 13 - Expert EY

- Messaggi: 965
- Iscritto il: 27 feb 2009, 18:19
- Località: Prov. di Firenze
0
voti
L'LM393 non va assolutamente bene perché è un comparatore e non un amplificatore.
Puoi utilizzare l'LM358 che ti ha consigliato
argento tenendo conto però che l'uscita non sarà in grado di salire fino a 5V ma si fermerà 1.5V prima, quindi avrà una escursione 0-3.5V. Con il MAX4238ASA invece arrivi quasi a 5V con una tensione di offset praticamente nulla.
Puoi utilizzare l'LM358 che ti ha consigliato
-

BrunoValente
39,6k 7 11 13 - G.Master EY

- Messaggi: 7796
- Iscritto il: 8 mag 2007, 14:48
0
voti
DADO91 ha scritto:Avrei necessità di amplificare una tensione proveniente da un partitore di tensione formato da una resistenza e un trasduttore di tipo resistivo
E dopo averla amplificata, a chi la vuoi mandare? convertitore A/D o altro?
It's a sin to write
instead of
(Anonimo).
...'cos you know that
ain't
, right?
You won't get a sexy tan if you write
in lieu of
.
Take a log for a fireplace, but don't take
for
arithm.
instead of
(Anonimo)....'cos you know that
ain't
, right?You won't get a sexy tan if you write
in lieu of
.Take a log for a fireplace, but don't take
for
arithm.-

DirtyDeeds
55,9k 7 11 13 - G.Master EY

- Messaggi: 7012
- Iscritto il: 13 apr 2010, 16:13
- Località: Somewhere in nowhere
0
voti
BrunoValente ha scritto:...Puoi utilizzare l'LM358 che ti ha consigliatoargento tenendo conto però che l'uscita non sarà in grado di salire fino a 5 V ma si fermerà 1.5 V prima, quindi avrà una escursione 0-3.5 V...
Con questo, se non dovesse essere evidente, voglio dire che essendo la massima tensione di ingresso pari a 3.1V e quella di uscita pari a 3.5V, con l'LM358 non puoi permetteri di amplificare oltre 1.1 volte se non vuoi saturare.
A questo punto la presenza dell'operazionale si giustificherebbe solo per non sovraccaricare il circuito del sensore e tanto vale allora configurarlo ad inseguitore.
Faccio anch'io la stessa domanda di
Inoltre puoi dirci di che sensore si tratta?
-

BrunoValente
39,6k 7 11 13 - G.Master EY

- Messaggi: 7796
- Iscritto il: 8 mag 2007, 14:48
0
voti
La tensione è diretta ad un A/D, più precisamente ad un ingresso analogico di arduino.
Il sensore è una termoresistenza presa da una sveglia oregon scientific, di qualche anno fa, quando facevano i sensori da esterno con il filo, non come adesso a radiofrequenza. So che esistono sensori di temperatura che restituiscono già un valore di tensione in base ai gradi (tipo TMP36), ma volevo fare con le cose che ho in casa e cercare di imparare qualcosa di nuovo.
Volevo metterci un amplificatore per aumentare la sensibilità del circuito e per spostare il valore della tensione a 0° verso i 2,5V, i modo da avere la stessa possibilità di escursione sia in alto che in basso.
Diciamo che mi riterrei soddisfatto di riuscire ad ottenere una sensibilità di 1/20 di grado, o forse sono troppo ambizioso?
Adesso, sto provando il circuito senza operazionale, faccio qualche prova in questi giorni e vedo cosa ottengo confrontando il valore proveniente dall'A/D con un termometro messo vicino alla sonda.
Il sensore è una termoresistenza presa da una sveglia oregon scientific, di qualche anno fa, quando facevano i sensori da esterno con il filo, non come adesso a radiofrequenza. So che esistono sensori di temperatura che restituiscono già un valore di tensione in base ai gradi (tipo TMP36), ma volevo fare con le cose che ho in casa e cercare di imparare qualcosa di nuovo.
Volevo metterci un amplificatore per aumentare la sensibilità del circuito e per spostare il valore della tensione a 0° verso i 2,5V, i modo da avere la stessa possibilità di escursione sia in alto che in basso.
Diciamo che mi riterrei soddisfatto di riuscire ad ottenere una sensibilità di 1/20 di grado, o forse sono troppo ambizioso?
Adesso, sto provando il circuito senza operazionale, faccio qualche prova in questi giorni e vedo cosa ottengo confrontando il valore proveniente dall'A/D con un termometro messo vicino alla sonda.
-

DADO91
3.552 3 12 13 - Expert EY

- Messaggi: 965
- Iscritto il: 27 feb 2009, 18:19
- Località: Prov. di Firenze
0
voti
ho fatto una prova veloce, così per farsi un'idea.
Con il sensore a temperatura ambiente (il termometro da 20,6°) ho un valore letto da arduino di 540, tenendolo in mano per qualche minuto (di norma sui 36°
) fin tanto che il valore non diventi stabile, ho una lettura di 460
Quindi ad ora ho una sensibilità di : |36-20.6|/|460-540| = 0,1925 °C/div
Preferirei qualcosa di meglio.....
Comunque le prove continuano per avere maggiori dati.
Con il sensore a temperatura ambiente (il termometro da 20,6°) ho un valore letto da arduino di 540, tenendolo in mano per qualche minuto (di norma sui 36°
) fin tanto che il valore non diventi stabile, ho una lettura di 460Quindi ad ora ho una sensibilità di : |36-20.6|/|460-540| = 0,1925 °C/div
Preferirei qualcosa di meglio.....
Comunque le prove continuano per avere maggiori dati.
-

DADO91
3.552 3 12 13 - Expert EY

- Messaggi: 965
- Iscritto il: 27 feb 2009, 18:19
- Località: Prov. di Firenze
10 messaggi
• Pagina 1 di 1
Chi c’è in linea
Visitano il forum: Nessuno e 486 ospiti

Elettrotecnica e non solo (admin)
Un gatto tra gli elettroni (IsidoroKZ)
Esperienza e simulazioni (g.schgor)
Moleskine di un idraulico (RenzoDF)
Il Blog di ElectroYou (webmaster)
Idee microcontrollate (TardoFreak)
PICcoli grandi PICMicro (Paolino)
Il blog elettrico di carloc (carloc)
DirtEYblooog (dirtydeeds)
Di tutto... un po' (jordan20)
AK47 (lillo)
Esperienze elettroniche (marco438)
Telecomunicazioni musicali (clavicordo)
Automazione ed Elettronica (gustavo)
Direttive per la sicurezza (ErnestoCappelletti)
EYnfo dall'Alaska (mir)
Apriamo il quadro! (attilio)
H7-25 (asdf)
Passione Elettrica (massimob)
Elettroni a spasso (guidob)
Bloguerra (guerra)


