...rieccomi qui in attesa dei miei componenti per completare la mia prima opera che son già immerso nella seconda
allora il progetto finale dovrebbe risultare così...
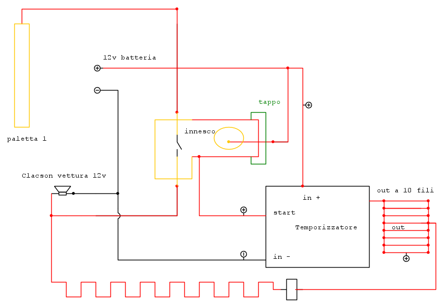
in pratica è tipo il giochino da tavolo dell'allegro chirurgo....
abbiamo L'INNESCO che altro non è che un tubo con un tappo e al suo interno un filo oscillante che se tocca le pareti deve dare lo start al temporizzatore di cominciare il conto alla rovescia (da 10 a 45 secondi) prima di alimentare l'uscita a 10 fili (di cui solo su un filo passa realmente la tensione e sugli altri no) collegata al relè che mi faccia suonare il clacson in modo alternato.
L'uscita a 10 fili, con solo uno in tensione a scelta, è variabile tutte le volte a seconda di come collego io i fili prima dell'accensione di tutto.
se si riesce a svitare il tappo dell''innesco ed estrarre il filo senza toccare le pareti, con la paletta si deve entrare nel tubo e spingere l'interruttore per far suonare il clacson in modo continuo, se anche con la paletta si toccano le pareti del tubo in entrata o in uscita anche questa deve dare lo stard al temporizzatore.
In ogni caso vengano toccate le pareti del tubo, con paletta o filo oscillante, l'interruttore che va al clacson a suono continuo deve essere disbilitato, in modo che se per caso con la paletta si tocchi l'involucro uscendo parta il timer e non il clacson in modo continuo.
Contate che una volta che tutto funzionerà verrà tutto inscatolato, le uniche cose che rimarranno a vista per poterci "operare" sono l'interruttore a chiave (per l'accensione di tutto)il tappo dell'innesco e l'uscita a 10 fili.
o perche ci capisco poco o perche non sono stato bravo su internet non sono riuscito a trovare un circuito che sia sempre alimentato e che cominci a temporizzare al semplice tocco (anche di una frazione di secondo) d'innesco e che mi escluda il pulsante.....
Spero di essere stato abbastanza chiaro nella spiegazione del risultato finale e spero che qualcuno mi riesca a dare una mano.
grazie

Elettrotecnica e non solo (admin)
Un gatto tra gli elettroni (IsidoroKZ)
Esperienza e simulazioni (g.schgor)
Moleskine di un idraulico (RenzoDF)
Il Blog di ElectroYou (webmaster)
Idee microcontrollate (TardoFreak)
PICcoli grandi PICMicro (Paolino)
Il blog elettrico di carloc (carloc)
DirtEYblooog (dirtydeeds)
Di tutto... un po' (jordan20)
AK47 (lillo)
Esperienze elettroniche (marco438)
Telecomunicazioni musicali (clavicordo)
Automazione ed Elettronica (gustavo)
Direttive per la sicurezza (ErnestoCappelletti)
EYnfo dall'Alaska (mir)
Apriamo il quadro! (attilio)
H7-25 (asdf)
Passione Elettrica (massimob)
Elettroni a spasso (guidob)
Bloguerra (guerra)






