Scusami G.schgor per non aprie un'altra discursione avevo chiesto un circuito salva batteria con un relè che come la tensione della batteria scende sotto la scoglia mi faceva aprire il contatto del relè salvando la batteria,e allungando la vita, comunque sono due batterie 12v 7Ah, 12v 1.3Ah in parallelo.
Questo circuito mi serviva per un'altra applicazione e non volevo aprire un'altra discursione .
Carica batterie al piombo in tampone
Moderatori:
carloc,
g.schgor,
BrunoValente,
IsidoroKZ
21 messaggi
• Pagina 2 di 3 • 1, 2, 3
0
voti
0
voti
Se non ci sono i diodi, come si rileva che la batteria
è più scarica dell'altra? (se le metti direttamente
in parallelo avrai sempre la stessa tensione!).
I diodi sono una protezione naturale (non occorre
relè, almeno finché una è carica)
è più scarica dell'altra? (se le metti direttamente
in parallelo avrai sempre la stessa tensione!).
I diodi sono una protezione naturale (non occorre
relè, almeno finché una è carica)
0
voti
se gentilmente mi poi spiegare che diodo usare mi fai un schemino semplice semplice.
grazie mille
grazie mille
0
voti
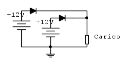
Intendevo una cosa del genere:
Se le correnti erogate da ciascuna batteria
non superano 1A possono essere usati diodi 1N4007
Per la carica in tampone, l'alimentatore va collegato
alla batteria da 7Ah (l'altra può essere caricata saltuariamente
a fondo, cioè a piena carica, e in modo separato)
Se le correnti erogate da ciascuna batteria
non superano 1A possono essere usati diodi 1N4007
Per la carica in tampone, l'alimentatore va collegato
alla batteria da 7Ah (l'altra può essere caricata saltuariamente
a fondo, cioè a piena carica, e in modo separato)
0
voti
Quidi solo con un diodo la batteria non può scendere a disotto dei 11.5v prima che brucia ovvero si danneggiano gli elementi interma ad essa..
questo circuito lo uso a parte non con il caricabbateria a tampone.
questo circuito lo uso a parte non con il caricabbateria a tampone.
0
voti
carlo87 ha scritto:Quidi solo con un diodo la batteria non può scendere a disotto dei 11.5 V prima che brucia
Non ho detto questo: ho detto che la batteria più piccola viene protetta
se la più grande è ancora in grado di funzionare.
Il problema della scarica completa non dovrebbe più esserci con
la carica in tampone (a meno che manchi la rete per un periodo
troppo prolungato)
0
voti
C'è un equivalente del BRX49 SCR? non lo riesco a trivare
il triac mi hanno detto che BTA12 va bene? giuso
il triac mi hanno detto che BTA12 va bene? giuso
0
voti
Il circuto da voi indicato c'è un triac BTI136 volevo sapere se il BTA12 era l'equivalente? lo so che il triac e l'SRC sono due componeti diversi..
grazie
grazie
21 messaggi
• Pagina 2 di 3 • 1, 2, 3
Chi c’è in linea
Visitano il forum: Google Adsense [Bot] e 149 ospiti

Elettrotecnica e non solo (admin)
Un gatto tra gli elettroni (IsidoroKZ)
Esperienza e simulazioni (g.schgor)
Moleskine di un idraulico (RenzoDF)
Il Blog di ElectroYou (webmaster)
Idee microcontrollate (TardoFreak)
PICcoli grandi PICMicro (Paolino)
Il blog elettrico di carloc (carloc)
DirtEYblooog (dirtydeeds)
Di tutto... un po' (jordan20)
AK47 (lillo)
Esperienze elettroniche (marco438)
Telecomunicazioni musicali (clavicordo)
Automazione ed Elettronica (gustavo)
Direttive per la sicurezza (ErnestoCappelletti)
EYnfo dall'Alaska (mir)
Apriamo il quadro! (attilio)
H7-25 (asdf)
Passione Elettrica (massimob)
Elettroni a spasso (guidob)
Bloguerra (guerra)



