Cos'è ElectroYou | Login Iscriviti

ElectroYou - la comunità dei professionisti del mondo elettrico

Sensore di corrente con ACS712

Sensori, trasduttori, regolatori...
0
voti

[31] Re: Sensore di corrente con ACS712

Messaggioda Foto UtenteIsidoroKZ » 27 dic 2011, 18:40

E bravo Foto UtenteBrunoValente, valente di nome e di fatto. Appena ho un momento vedo di analizzare il circuito per il transitorio singolo.
Per usare proficuamente un simulatore, bisogna sapere molta più elettronica di lui
Plug it in - it works better!
Il 555 sta all'elettronica come Arduino all'informatica! (entrambi loro malgrado)
Se volete risposte rispondete a tutte le mie domande
Avatar utente
Foto UtenteIsidoroKZ
121,2k 1 3 8
G.Master EY
G.Master EY
 
Messaggi: 21059
Iscritto il: 17 ott 2009, 0:00

0
voti

[32] Re: Sensore di corrente con ACS712

Messaggioda Foto Utentesimo85 » 27 dic 2011, 19:23

DirtyDeeds ha scritto:Comunque, complimenti BrunoValente, bel circuito =D>

Mi associo! =D>
Avatar utente
Foto Utentesimo85
30,9k 7 12 13
Disattivato su sua richiesta
 
Messaggi: 9927
Iscritto il: 30 ago 2010, 4:59

0
voti

[33] Re: Sensore di corrente con ACS712

Messaggioda Foto Utentebigjump » 28 dic 2011, 0:27

non che mi sia tutto chiarissimo :oops: :oops: , ma mi associo lo stesso ai complimenti :D
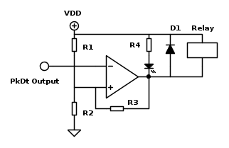
ho ridisegnato lo schema con la variante "BrunoValente" :mrgreen: e il comparatore che pilota il relè
Dato che volevo provare anche a disegnare il CS, per avere maggiore versatilità ho lasciato il transistor in modo da poter pilotare carichi superiori ai 25mA permessi dall' LM311 suggerito da DirtyDeeds. (Nel caso poi non servisse si può omettere dal montaggio)
La resistenza di isteresi come si calcola esattamente?
di nuovo grazie a tutti per il supporto

Avatar utente
Foto Utentebigjump
45 4
 
Messaggi: 39
Iscritto il: 20 nov 2011, 11:37

0
voti

[34] Re: Sensore di corrente con ACS712

Messaggioda Foto Utentesimo85 » 28 dic 2011, 6:58

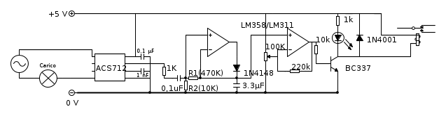
Foto UtenteDirtyDeeds si riferiva all' LM311 come comparatore per pilotare carichi fino a 50mA di assorbimento di corrente, ed un relè dovrebbe o potrebbe rientrare dentro queste specifiche.
Putroppo però da come è disegnato lo schema, secondo me non funziona.
Primo perché l'LM358 e LM311 non sono integrati dello stesso tipo. Quest'ultimo ha l'output open collector quindi ha bisogno di una resistenza di pull-up o un carico collegato direttamente tra l'uscita e l'alimentazione.
Secondo perché la retroazione deve essere positiva non negativa.
Avatar utente
Foto Utentesimo85
30,9k 7 12 13
Disattivato su sua richiesta
 
Messaggi: 9927
Iscritto il: 30 ago 2010, 4:59

0
voti

[35] Re: Sensore di corrente con ACS712

Messaggioda Foto Utentebigjump » 28 dic 2011, 9:37

ciao Gohan, grazie per le precisazioni.
in effetti avevo pensato di usare al posto dell'LM358 un LM319 che mi sembra sia un doppio LM311, ma che però ha un'uscita di soli 25mA. Ecco perché pensavo di lasciare lo spazio per un'eventuale transistor.
ora come ora ho testato il circuito con un LM358 e, con la resistenza di isteresi posizionata correttamente :oops: , funziona piuttosto bene.
l'alternativa quindi sarebbe quella di usare al posto di LM358 + transistor, una coppia di LM311.
quali sarebbero i pro e i contro delle due soluzioni?

PS: volevo correggere il circuito del post precedente, ma il sistema non me lo permette più.
Avatar utente
Foto Utentebigjump
45 4
 
Messaggi: 39
Iscritto il: 20 nov 2011, 11:37

0
voti

[36] Re: Sensore di corrente con ACS712

Messaggioda Foto Utentesimo85 » 28 dic 2011, 10:09

Se vuoi che il relè si ecciti quando la tensione del raddrizzatore di Foto UtenteBrunoValente sia sopra una certa tensione di soglia puoi usare l'LM311 come comparatore ad isteresi invertente. Più tardi posto un abbozzo da dimensionare, ora non mi è possibile :(

Ciao
Avatar utente
Foto Utentesimo85
30,9k 7 12 13
Disattivato su sua richiesta
 
Messaggi: 9927
Iscritto il: 30 ago 2010, 4:59

0
voti

[37] Re: Sensore di corrente con ACS712

Messaggioda Foto UtenteDirtyDeeds » 28 dic 2011, 10:37

bigjump ha scritto:l'alternativa quindi sarebbe quella di usare al posto di LM358 + transistor, una coppia di LM311.


No, l'LM358 è un amplificatore, l'LM311 un comparatore (con uscita a collettore aperto, come ti ha detto [user]gohan[/user]). Fanno mestieri diversi (anche se in certi casi si può far fare a uno il mestiere dell'altro). L'LM358 lo usi nel rivelatore di picco, l'LM311 per fare il comparatore con isteresi.
It's a sin to write sin instead of \sin (Anonimo).
...'cos you know that cos ain't \cos, right?
You won't get a sexy tan if you write tan in lieu of \tan.
Take a log for a fireplace, but don't take log for \logarithm.
Avatar utente
Foto UtenteDirtyDeeds
55,9k 7 11 13
G.Master EY
G.Master EY
 
Messaggi: 7012
Iscritto il: 13 apr 2010, 16:13
Località: Somewhere in nowhere

0
voti

[38] Re: Sensore di corrente con ACS712

Messaggioda Foto Utentesimo85 » 28 dic 2011, 12:05

Volevo rispondere alle tue domande di prima ma vedo che Foto UtenteDirtyDeeds mi ha gentilmente anticipato. Grazie.

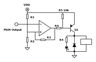
Il vantaggio di usare un LM311 come comparatore, nel tuo caso è che la I_\text{Sink} è decisamente maggiore dell'LM358 (vedi pag. 4 del datasheet linkato), e ciò permette pilotare un carico senza dover ricorrere eventualmente ad un bipolare. Tuttavia nel tuo caso questo ancora non lo si sà, perché non hai specificato la corrente di consumo del relè, e se ti puoi accertare riguardo a questo meglio, perché a conti fatti, secondo lo schema



l'LM311 assorbe sia la corrente del LED che quella del relè, che infine è quello che consuma di più. Tenendo in conto che un relè consuma \approx 30 - 60mA, a questa si somma la corrente del LED che tu decidi e a spanne dico che siamo proprio dentro i limiti ammessi o per farla breve non ce la fai.

In tal caso ricorri ad un PNP esterno così



Per Q1 penso potresti usare un BC557 o un 2N3906.

Indipendentemente dalla corrente di consumo del relè devi determinare la tensione di soglia.
Avatar utente
Foto Utentesimo85
30,9k 7 12 13
Disattivato su sua richiesta
 
Messaggi: 9927
Iscritto il: 30 ago 2010, 4:59

0
voti

[39] Re: Sensore di corrente con ACS712

Messaggioda Foto UtenteBrunoValente » 28 dic 2011, 13:11

bigjump ha scritto:...ho ridisegnato lo schema con la variante "BrunoValente"


Forse i valori di R1 e R2 sono invertiti?
Avatar utente
Foto UtenteBrunoValente
39,6k 7 11 13
G.Master EY
G.Master EY
 
Messaggi: 7796
Iscritto il: 8 mag 2007, 14:48

0
voti

[40] Re: Sensore di corrente con ACS712

Messaggioda Foto Utentebigjump » 28 dic 2011, 15:22

BrunoValente ha scritto:
bigjump ha scritto:...ho ridisegnato lo schema con la variante "BrunoValente"


Forse i valori di R1 e R2 sono invertiti?


Grazie per avermelo fatto notare. Purtroppo come già detto non posso più correggere lo schema.
Avatar utente
Foto Utentebigjump
45 4
 
Messaggi: 39
Iscritto il: 20 nov 2011, 11:37

PrecedenteProssimo

Torna a Sensoristica

Chi c’è in linea

Visitano il forum: Nessuno e 1 ospite