Ciao!
Circuito LED banalissimo per voi esperti!
Moderatori:
carloc,
g.schgor,
BrunoValente,
IsidoroKZ
27 messaggi
• Pagina 3 di 3 • 1, 2, 3
0
voti
Allora ti serve un oscillatore ad onda triangolare, possibilmente con due operazionali ed un transistore. Questa notte vedo di fare un abbozzo, ora non posso
Ciao!
Ciao!
0
voti
ma va non ti sbattere così tanto!magari poi non capisco neanche quello che mi dici..non voglio farti perdere tempo; poi non so neanche se è qualcosa di costoso o meno, era giusto uno sfizio...
in caso dovrei essere guidato proprio passo passo, vi conviene?
in caso dovrei essere guidato proprio passo passo, vi conviene?
1
voti
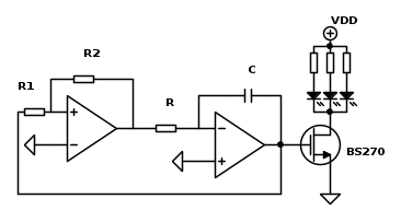
Eccomi, lo schema a cui avevo pensato io è questo
La frequenza di oscillazione è
.
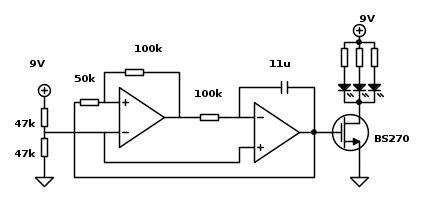
Infine, per semplificarti anche un po' il lavoro puoi provare questo schema di cui mi sono ricordato appena adesso
che ti ripropongo in fidocad
ma invece dell'LM324 usa un LM358.
Io userei come transistore esterno quello proposto nel primo schema, ossia il BS270.
Di che colore sono i LED che usi?
Ciao
La frequenza di oscillazione è
.Infine, per semplificarti anche un po' il lavoro puoi provare questo schema di cui mi sono ricordato appena adesso
che ti ripropongo in fidocad
ma invece dell'LM324 usa un LM358.
Io userei come transistore esterno quello proposto nel primo schema, ossia il BS270.
Di che colore sono i LED che usi?
Ciao
0
voti
Ciao! Io ho trovato questo (forse non è quello che cerchi però...)
http://digilander.libero.it/nick47/mltv.htm
http://digilander.libero.it/nick47/mltv.htm
0
voti
gohan ha scritto:Eccomi, lo schema a cui avevo pensato io è questo...
addirittura!grazie!
sono blu, verde e rosso...ma lavorano a tensioni diversi; immagino che non vadano bene; e il mio alternatore a 6 volt neanche giusto?
0
voti
manhunt ha scritto:ma lavorano a voltaggi_(NO si dice: tensioni) diversi
Si chiama tensione.
Quella a cui ti riferisci tu è la tensione diretta (Voltage Forward)
del LED.Per i rossi è di
, per i verdi è di
come anche per i blu se non erro..Infine non è un problema perché ciascun LED avrebbe la sua resistenza in serie, che calcoli con la formula
dove
è la corrente di alimentazione del LED, possibilmente uguale per tutti e tre.Ciao
0
voti
si infatti ci ho pensato dopo..d'altronde le mie competenze sono in tutt'altro settore ;)
molto probabilmente verrò ancora qui a disturbarti un po'!
per ora grazie mille!
molto probabilmente verrò ancora qui a disturbarti un po'!
per ora grazie mille!
27 messaggi
• Pagina 3 di 3 • 1, 2, 3
Chi c’è in linea
Visitano il forum: Google Adsense [Bot] e 190 ospiti

Elettrotecnica e non solo (admin)
Un gatto tra gli elettroni (IsidoroKZ)
Esperienza e simulazioni (g.schgor)
Moleskine di un idraulico (RenzoDF)
Il Blog di ElectroYou (webmaster)
Idee microcontrollate (TardoFreak)
PICcoli grandi PICMicro (Paolino)
Il blog elettrico di carloc (carloc)
DirtEYblooog (dirtydeeds)
Di tutto... un po' (jordan20)
AK47 (lillo)
Esperienze elettroniche (marco438)
Telecomunicazioni musicali (clavicordo)
Automazione ed Elettronica (gustavo)
Direttive per la sicurezza (ErnestoCappelletti)
EYnfo dall'Alaska (mir)
Apriamo il quadro! (attilio)
H7-25 (asdf)
Passione Elettrica (massimob)
Elettroni a spasso (guidob)
Bloguerra (guerra)



