Nuovamente vu meter microfonico
Moderatore:
IsidoroKZ
15 messaggi
• Pagina 1 di 2 • 1, 2
0
voti
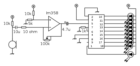
ciao a tutti...siccome non ero soddisfatto del guadagno ottenuto dal 386 mi sto imbattendo in un nuovo circuito con l'utilizzo di un operazionale ...lm358.....secondo voi potrebbe funzionare adesso????attendo la vostra voce..grazie a tutti.
Ultima modifica di
Candy il 1 gen 2012, 21:17, modificato 3 volte in totale.
Motivazione: correzione nel titolo ed evidenziature
Motivazione: correzione nel titolo ed evidenziature
-

elettrokimbo
22 1 4 - Frequentatore

- Messaggi: 156
- Iscritto il: 7 dic 2011, 23:45
-1
voti
ho messo uno schema in jpg....se potete evitarmi di rifare lo schema...basta che salvate l'immagine sul desktop
-

elettrokimbo
22 1 4 - Frequentatore

- Messaggi: 156
- Iscritto il: 7 dic 2011, 23:45
0
voti
Chi ti aiutera' ha il diritto di non perdere il proprio tempo solo ed esclusivamente per evitarti uno schema ben disegnato.
Con quello che hai postato, bisogna fare le acrobazie per capire qualcosa.
Con quello che hai postato, bisogna fare le acrobazie per capire qualcosa.
marco
0
voti
Tu comincia a farlo come ti è stato gentilmente chiesto... Molto probabilmente quel lenzuolo finirà chissà dove, perché non ci si capisce niente e non siamo obbligati a salvarlo su desktop 

0
voti
Non e' una questione di severita'.
Iscrivendoti al forum hai accettato le condizioni d'uso; quindi osservale!
P.S. In attesa di uno schema decente, ho cancellato il lenzuolo.
Iscrivendoti al forum hai accettato le condizioni d'uso; quindi osservale!
P.S. In attesa di uno schema decente, ho cancellato il lenzuolo.
marco
15 messaggi
• Pagina 1 di 2 • 1, 2
Torna a Elettronica e spettacolo
Chi c’è in linea
Visitano il forum: Nessuno e 3 ospiti

Elettrotecnica e non solo (admin)
Un gatto tra gli elettroni (IsidoroKZ)
Esperienza e simulazioni (g.schgor)
Moleskine di un idraulico (RenzoDF)
Il Blog di ElectroYou (webmaster)
Idee microcontrollate (TardoFreak)
PICcoli grandi PICMicro (Paolino)
Il blog elettrico di carloc (carloc)
DirtEYblooog (dirtydeeds)
Di tutto... un po' (jordan20)
AK47 (lillo)
Esperienze elettroniche (marco438)
Telecomunicazioni musicali (clavicordo)
Automazione ed Elettronica (gustavo)
Direttive per la sicurezza (ErnestoCappelletti)
EYnfo dall'Alaska (mir)
Apriamo il quadro! (attilio)
H7-25 (asdf)
Passione Elettrica (massimob)
Elettroni a spasso (guidob)
Bloguerra (guerra)




