Problemino con Alimentatore variabile con LM338
Moderatori:
carloc,
g.schgor,
BrunoValente,
IsidoroKZ
6
voti
componenti
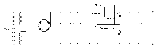
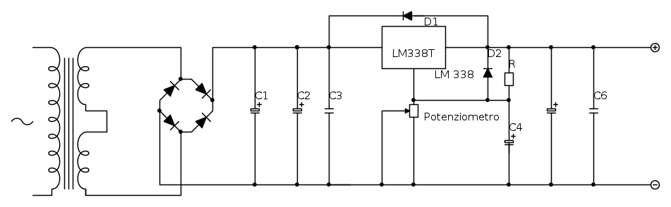
C1- C2:elettrolitico 4700 microF
C3- C6:poliestere 100 nanoF
C4-C5 :elettrolitico 10 microF
R:220 kohm
Potenziometro da 4,7 kohm
D1-D2:1N4007
regolatore tensione:LM338T
Ponte raddrizzatore (non diodi)
Salve a tutti
qualche giorno fa ho realizzato questo circuito,un alimentatore variabile stabilizzato che prometteva una tensione variabile da 1-30V.
bene,quando ho provato se funzionasse mi sono accorto che la regolazione minima parte da quasi 8V e non da 1....
l'unica differenza con il circuito origilnale sta nel fatto che il mio trasformatore dopo il ponte eroga 44V,che io ho abbassato a 19.5V in ingresso dell' LM338t attraverso una resistenza da 10Kohm (che non ho inserito nel circuito sopra).
quindi in uscita ho un range che varia da 8V a 19V.a me i 19V vanno bene,potrei anche aumentarli ho gia fatto delle prove,ma proprio non mi va bene che parta da 8V...non mi serve
Prego qualcuno che mi possa dire dove sbaglio...
se ho omesso qualche particolare di importante nella richiesta sarò felice di rispondere a tutte le domande
Grazie
0
voti
Abbassare la tensione con una resistenza in serie non va bene, poi non hai corrente disponibile.
Hai messo un carico minimo?
Quando vai a tensione minima, qual e` la tensione sul condensatore C4, oppure sul piedino ADJ del 338?
CONTRORDINE: Visto adesso il problema! R deve essere da 220ohm, non da 220kohm!
44V di tensione di ingresso sono un po' troppi, probabilmente non si guasta nulla, ma sei fuori specifiche, e non e` semplice scendere di tensione: dovresti mettere uno zener da 5V 25W prima del regolatore.
Bello lo schema in FidocadJ
Hai messo un carico minimo?
Quando vai a tensione minima, qual e` la tensione sul condensatore C4, oppure sul piedino ADJ del 338?
CONTRORDINE: Visto adesso il problema! R deve essere da 220ohm, non da 220kohm!
44V di tensione di ingresso sono un po' troppi, probabilmente non si guasta nulla, ma sei fuori specifiche, e non e` semplice scendere di tensione: dovresti mettere uno zener da 5V 25W prima del regolatore.
Bello lo schema in FidocadJ
Per usare proficuamente un simulatore, bisogna sapere molta più elettronica di lui
Plug it in - it works better!
Il 555 sta all'elettronica come Arduino all'informatica! (entrambi loro malgrado)
Se volete risposte rispondete a tutte le mie domande
Plug it in - it works better!
Il 555 sta all'elettronica come Arduino all'informatica! (entrambi loro malgrado)
Se volete risposte rispondete a tutte le mie domande
0
voti
ok grazie mille,
ora nn sono a casa ma appena torno andrò subito a controllare la resistenza...
per quello che riguarda la tensione troppo alta mi consigli di togliere la resistenza e di mettere uno zener 5V 25W?se me lo dici lo faccio...potresti anche spiegarmi perché lo zener?se non sbaglio conduce dopo una certa soglia ecc ecc....scusami ma sono un po' arruginito...
è bello capire il perché di qualcosa...se lo si capisce lo si può anche mettere in atto altre volte
di nuovo grazie....e solo se hai 5 min di tempo
ora nn sono a casa ma appena torno andrò subito a controllare la resistenza...
per quello che riguarda la tensione troppo alta mi consigli di togliere la resistenza e di mettere uno zener 5V 25W?se me lo dici lo faccio...potresti anche spiegarmi perché lo zener?se non sbaglio conduce dopo una certa soglia ecc ecc....scusami ma sono un po' arruginito...
è bello capire il perché di qualcosa...se lo si capisce lo si può anche mettere in atto altre volte
di nuovo grazie....e solo se hai 5 min di tempo
0
voti
ma il diodo zener va polarizzato inversamente?
0
voti
0
voti
ma in questo caso specifico puoi dirmi fisicamente dove e come metterlo?
0
voti
lo scopo è di abbasssare la tensione che attualmente ho in ingresso dell'LM338 che sarebbe di 44V
io c'ho messo una resistenza di 10Kohm ma mi è stato detto che sarebbe più idoneo uno zener 5V 25W
x nn sbagliare e cucinare l'LM vorrei sapere di preciso dove inserirlo e come
io c'ho messo una resistenza di 10Kohm ma mi è stato detto che sarebbe più idoneo uno zener 5V 25W
x nn sbagliare e cucinare l'LM vorrei sapere di preciso dove inserirlo e come
2
voti
gohan ha scritto:Così [...]
mmm così è un bagno di sangue
va messo in serie invece
poi visto che non sarà semplice trovare uno zener da 25W, puoi usare questo surrogato
alettando molto bene il darlington naturalmente
Se ti serve il valore di beta: hai sbagliato il progetto!
0
voti
praticamente quel circuitino lo monto in seri tale e quale al posto dello zener...?
mi spieghi meglio quella sigla vicino allo zener?sarebbe 4V 70W? ed il 5 che sta dopo?
mi spieghi meglio quella sigla vicino allo zener?sarebbe 4V 70W? ed il 5 che sta dopo?
Chi c’è in linea
Visitano il forum: Google Adsense [Bot] e 47 ospiti

Elettrotecnica e non solo (admin)
Un gatto tra gli elettroni (IsidoroKZ)
Esperienza e simulazioni (g.schgor)
Moleskine di un idraulico (RenzoDF)
Il Blog di ElectroYou (webmaster)
Idee microcontrollate (TardoFreak)
PICcoli grandi PICMicro (Paolino)
Il blog elettrico di carloc (carloc)
DirtEYblooog (dirtydeeds)
Di tutto... un po' (jordan20)
AK47 (lillo)
Esperienze elettroniche (marco438)
Telecomunicazioni musicali (clavicordo)
Automazione ed Elettronica (gustavo)
Direttive per la sicurezza (ErnestoCappelletti)
EYnfo dall'Alaska (mir)
Apriamo il quadro! (attilio)
H7-25 (asdf)
Passione Elettrica (massimob)
Elettroni a spasso (guidob)
Bloguerra (guerra)









