e
,come faccio a mettere in evidenza i1(t) ?
Moderatori:
g.schgor,
IsidoroKZ
e
,come faccio a mettere in evidenza i1(t) ?




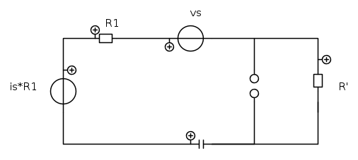
,è il parallelo tra la serie
e 




johnny90 ha scritto:...ora sto cercando di calcolare iL con il metodo di Thevenin per evitare le equazioni differenziali...
johnny90 ha scritto:...calcolo della corrente di circolazione ai capi dell'induttore...
...

johnny90 ha scritto:...quindi la tensione esistente ai capi:
...
johnny90 ha scritto:...potreste dirmi se è corretto o se ci sono errori?il ragionamento che ho seguito è giusto??grazie..
è stato affrontato nel post [81]. 


e di
.Per fare questo devo analizzare il circuito in regime sinusoidale,siccome abbiamo calcolato già la
e con se è possibile ricavare anche la
,per risolvere questo punto mi basta solo considerare i valori di
e
con le loro impedenze e quindi
come
e
come
giusto??


la sua reattanza
e a
la
non mi compare....Torna a Elettrotecnica generale
Visitano il forum: Nessuno e 25 ospiti