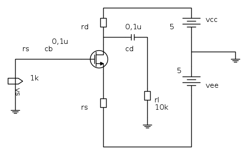
dovrei calcolare la risposta in frequenza di questo amplificatore, in pariticolare la frequenza di taglio inferiore.
Uso il metodo delle costanti di tempo di cortocircuito.
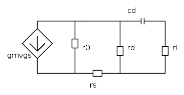
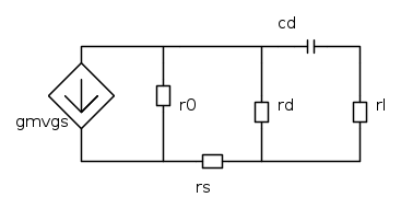
il modello equivalente dovrebbe essere questo, correggetemi se sbaglio, dove vgs = vrs.
Solo che non riesco a capire come gestire il generatore controllato.
frequenza di taglio inferiore
Moderatori:
carloc,
g.schgor,
BrunoValente,
IsidoroKZ
41 messaggi
• Pagina 1 di 5 • 1, 2, 3, 4, 5
0
voti
Al posto di uppare, cosa non gradita, vedi di fare lo schema giusto e ben fatto.
Per usare proficuamente un simulatore, bisogna sapere molta più elettronica di lui
Plug it in - it works better!
Il 555 sta all'elettronica come Arduino all'informatica! (entrambi loro malgrado)
Se volete risposte rispondete a tutte le mie domande
Plug it in - it works better!
Il 555 sta all'elettronica come Arduino all'informatica! (entrambi loro malgrado)
Se volete risposte rispondete a tutte le mie domande
0
voti
non sapevo di aver sbagliato lo schema, altrimenti l'avrei postato corretto, dov'è l'errore?
-

Fabioamd87
2 4 - New entry

- Messaggi: 52
- Iscritto il: 7 apr 2009, 17:40
1
voti
Questo dovrebbe essere lo schema corretto.
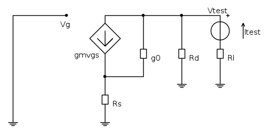
Per il calcolo della resistenza vista dal condensatore:
Devi calcolare
Procedi e facci sapere dove ti blocchi!
Per il calcolo della resistenza vista dal condensatore:
Devi calcolare

Procedi e facci sapere dove ti blocchi!
-

marioursino
5.687 3 9 13 - G.Master EY

- Messaggi: 1598
- Iscritto il: 5 dic 2009, 4:32
0
voti
scusa ma vgs non è uguale a -vrs? (ho sbagliato a scrivere sul controllato)
mi blocco alla serie di rd con rl in parallelo a $non_so_cosa
mi blocco alla serie di rd con rl in parallelo a $non_so_cosa
-

Fabioamd87
2 4 - New entry

- Messaggi: 52
- Iscritto il: 7 apr 2009, 17:40
0
voti
Se ti riferisci alla resistenza sul source no, non è uguale, se ti riferisci alla resistenza di gate (che però non è disegnata, c'è solo il nome ma presumo ce ne sia una) no, nemmeno. Vgs è Vgs e basta, ossia Vs - Vrs (oppure Vg - Vrs dato che Vs = Vg con quel riferimento di massa).
-

marioursino
5.687 3 9 13 - G.Master EY

- Messaggi: 1598
- Iscritto il: 5 dic 2009, 4:32
0
voti
Devi spiegare meglio se il problema siano le costanti di tempo o in primis la sintesi del piccolo segnale, altrimenti rischiamo di scrivere cose inutili!
-

marioursino
5.687 3 9 13 - G.Master EY

- Messaggi: 1598
- Iscritto il: 5 dic 2009, 4:32
0
voti
grazie della spiegazione, il mio problema è che non capisco come trovare la resistenza equivalente ai capi della capacità per via di quel generatore controllato.
-

Fabioamd87
2 4 - New entry

- Messaggi: 52
- Iscritto il: 7 apr 2009, 17:40
41 messaggi
• Pagina 1 di 5 • 1, 2, 3, 4, 5
Chi c’è in linea
Visitano il forum: Nessuno e 237 ospiti

Elettrotecnica e non solo (admin)
Un gatto tra gli elettroni (IsidoroKZ)
Esperienza e simulazioni (g.schgor)
Moleskine di un idraulico (RenzoDF)
Il Blog di ElectroYou (webmaster)
Idee microcontrollate (TardoFreak)
PICcoli grandi PICMicro (Paolino)
Il blog elettrico di carloc (carloc)
DirtEYblooog (dirtydeeds)
Di tutto... un po' (jordan20)
AK47 (lillo)
Esperienze elettroniche (marco438)
Telecomunicazioni musicali (clavicordo)
Automazione ed Elettronica (gustavo)
Direttive per la sicurezza (ErnestoCappelletti)
EYnfo dall'Alaska (mir)
Apriamo il quadro! (attilio)
H7-25 (asdf)
Passione Elettrica (massimob)
Elettroni a spasso (guidob)
Bloguerra (guerra)



