Timer relay
Moderatori:
carloc,
g.schgor,
BrunoValente,
IsidoroKZ
40 messaggi
• Pagina 4 di 4 • 1, 2, 3, 4
0
voti
[31] Re: Timer relay
Grazie innanzitutto per non avermi ignorato dopo come mi sono comportato nei vostri confronti, comunque...cerco di rispondere al meglio alle domande in modo che mi possiate aiutare...esatto, non appena il transistor riceve il segnale dei sensori si attiva l'impulso, a quanto pare funziona da una specie di interruttore posto sul polo negativo. Con questo impulso vorrei pilotare una lampada, ma credo che il carico della lampada dipenda prettamente dal relay utilizzato, per cosa voglio esattamente fare con l'impulso, praticamente avrei necessità che non appena entri in conduzione il transistor e quindi il contatto è chiuso generando il famoso "impulso" 12V, si ecciti il relay, appena il transistor cessa di essere in conduzione e quindi l'impulso viene a mancare, parta un timer di 10s prima di diseccitare il relay, però avrei anche necessità che ci sia un "circuito di reset" che resetti il tempo ogni volta che riceve un nuovo impulso... vi sembra fattibile?
0
voti
[32] Re: Timer relay
non si capisce che cosa vuol dire circuito che resetti il tempo per ogni nuovo impulso.
Fai un disegno con fidocad del diagramma temporale che vuoi ottenere, che faccia vedere le varie possibili situazioni di segnale in arrivo e in uscita.
Fai un disegno con fidocad del diagramma temporale che vuoi ottenere, che faccia vedere le varie possibili situazioni di segnale in arrivo e in uscita.
Per usare proficuamente un simulatore, bisogna sapere molta più elettronica di lui
Plug it in - it works better!
Il 555 sta all'elettronica come Arduino all'informatica! (entrambi loro malgrado)
Se volete risposte rispondete a tutte le mie domande
Plug it in - it works better!
Il 555 sta all'elettronica come Arduino all'informatica! (entrambi loro malgrado)
Se volete risposte rispondete a tutte le mie domande
0
voti
[33] Re: Timer relay
spero che si capisca il disegno
premetto che lo schema è stato fatto considerando impulsi di 2 secondi per farlo il + lineare possibile, ma gli impulsi possono anche essere rapidissimi
1
voti
[34] Re: Timer relay
Questo non e` il comportamento che avevi chiesto. Dicevi che appena arrivava l'impulso il rele` doveva scattare subito e rimanere attivo per 10s dopo la fine dell'impulso. A me non sembra che il disegno dica quello.
Adesso mi sono stufato di essere preso in giro. Provare a pensare prima di scrivere?
Adesso mi sono stufato di essere preso in giro. Provare a pensare prima di scrivere?
Per usare proficuamente un simulatore, bisogna sapere molta più elettronica di lui
Plug it in - it works better!
Il 555 sta all'elettronica come Arduino all'informatica! (entrambi loro malgrado)
Se volete risposte rispondete a tutte le mie domande
Plug it in - it works better!
Il 555 sta all'elettronica come Arduino all'informatica! (entrambi loro malgrado)
Se volete risposte rispondete a tutte le mie domande
0
voti
[35] Re: Timer relay
IsidoroKZ ha scritto:Questo non e` il comportamento che avevi chiesto. Dicevi che appena arrivava l'impulso il rele` doveva scattare subito e rimanere attivo per 10s dopo la fine dell'impulso. A me non sembra che il disegno dica quello.
Adesso mi sono stufato di essere preso in giro. Provare a pensare prima di scrivere?
Scusami, ho sbagliato...lo rifaccio in un attimo...sono un'idiota...scusami
1
voti
[37] Re: Timer relay
Ho riletto le tue risposte. Una in particolare e` estremamente maleducata. Se ti si chiede che cosa ci vuoi fare con quell'impulso, non devi rispondere
oppure
Non sei in grado di capire quali sono le informazioni importanti e quelle no, meglio fornire tutte le info.
Avevo preparato lo schema che risolveva il tuo problema. Poi ho visto il primo grafico che hai fatto, e non sapendo che cosa volevi fare perche' ritenevi che non fosse importante ho pensato di non aver capito bene il problema e l'ho buttato via.
Poi si scopre che in realta` lo schema era quello giusto, ma non l'ho salvato, perche' ho avuto info incomplete e contraddittorie. E adesso non ho il tempo ne' la voglia di rifarlo. Si chiama rispetto del tempo altrui. La prossima volta, prima di incazzarti, fornisci le info richieste.
che relazione c'è tra quello che devo fare e il circuito che ho chiesto?
oppure
basti sapere che è alimentato a 12 v e si deve comportare come sopra descritto
Non sei in grado di capire quali sono le informazioni importanti e quelle no, meglio fornire tutte le info.
Avevo preparato lo schema che risolveva il tuo problema. Poi ho visto il primo grafico che hai fatto, e non sapendo che cosa volevi fare perche' ritenevi che non fosse importante ho pensato di non aver capito bene il problema e l'ho buttato via.
Poi si scopre che in realta` lo schema era quello giusto, ma non l'ho salvato, perche' ho avuto info incomplete e contraddittorie. E adesso non ho il tempo ne' la voglia di rifarlo. Si chiama rispetto del tempo altrui. La prossima volta, prima di incazzarti, fornisci le info richieste.
Per usare proficuamente un simulatore, bisogna sapere molta più elettronica di lui
Plug it in - it works better!
Il 555 sta all'elettronica come Arduino all'informatica! (entrambi loro malgrado)
Se volete risposte rispondete a tutte le mie domande
Plug it in - it works better!
Il 555 sta all'elettronica come Arduino all'informatica! (entrambi loro malgrado)
Se volete risposte rispondete a tutte le mie domande
0
voti
[38] Re: Timer relay
IsidoroKZ ha scritto:
Avevo preparato lo schema che risolveva il tuo problema. Poi ho visto il primo grafico che hai fatto, e non sapendo che cosa volevi fare perche' ritenevi che non fosse importante ho pensato di non aver capito bene il problema e l'ho buttato via.
Poi si scopre che in realta` lo schema era quello giusto, ma non l'ho salvato, perche' ho avuto info incomplete e contraddittorie. E adesso non ho il tempo ne' la voglia di rifarlo. Si chiama rispetto del tempo altrui. La prossima volta, prima di incazzarti, fornisci le info richieste.
Sei ancora disposto ad aiutarmi? non volevo essere sgarbato nei confronti di nessuno, se noti ho chiesto scusa negli ultimi post...
2
voti
[40] Re: Timer relay
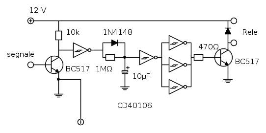
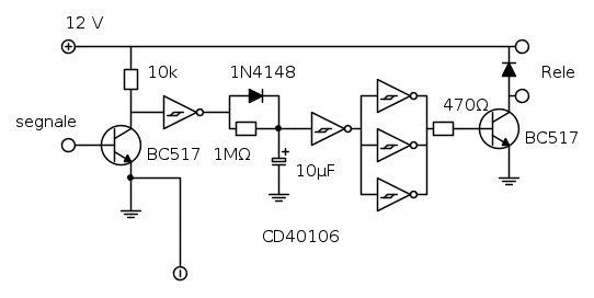
Sei stato fortunato, il salvataggio automatico aveva salvato lo schema.
Per usare proficuamente un simulatore, bisogna sapere molta più elettronica di lui
Plug it in - it works better!
Il 555 sta all'elettronica come Arduino all'informatica! (entrambi loro malgrado)
Se volete risposte rispondete a tutte le mie domande
Plug it in - it works better!
Il 555 sta all'elettronica come Arduino all'informatica! (entrambi loro malgrado)
Se volete risposte rispondete a tutte le mie domande
40 messaggi
• Pagina 4 di 4 • 1, 2, 3, 4
Chi c’è in linea
Visitano il forum: Nessuno e 47 ospiti

Elettrotecnica e non solo (admin)
Un gatto tra gli elettroni (IsidoroKZ)
Esperienza e simulazioni (g.schgor)
Moleskine di un idraulico (RenzoDF)
Il Blog di ElectroYou (webmaster)
Idee microcontrollate (TardoFreak)
PICcoli grandi PICMicro (Paolino)
Il blog elettrico di carloc (carloc)
DirtEYblooog (dirtydeeds)
Di tutto... un po' (jordan20)
AK47 (lillo)
Esperienze elettroniche (marco438)
Telecomunicazioni musicali (clavicordo)
Automazione ed Elettronica (gustavo)
Direttive per la sicurezza (ErnestoCappelletti)
EYnfo dall'Alaska (mir)
Apriamo il quadro! (attilio)
H7-25 (asdf)
Passione Elettrica (massimob)
Elettroni a spasso (guidob)
Bloguerra (guerra)





