schema linea elettrica in Simulink

Progettazione, esercizio, manutenzione, sicurezza, leggi, normative...

Moderatori: Foto Utentesebago, Foto UtenteMASSIMO-G, Foto Utentelillo, Foto UtenteMike

Avatar utente
Foto Utentetonuzzo4
-2 2
Messaggi: 7
Iscritto il: 11 gen 2012, 10:03
0
voti

[1] schema linea elettrica in Simulink

Messaggioda Foto Utentetonuzzo4 » 13 gen 2012, 11:43

Gentili Utenti, il mio nome è Antonio, e se è possibile avrei bisogno del vostro aiuto..
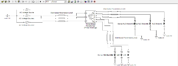
Il mio problema riguarda la realizzazione in ambiente Simulink, di un semplice collegamento formato da un generatore trifase, tre linee elettrice a parametri distribuiti, un trasformatore triangolo-stella, ed infine, da sei carichi RL.
Ho provato a realizzare il seguente schema (vedi figura in basso), ma in uscita ottengo sempre errori relativi a:
Block error,e model error..
ddd.png
ddd.png (21.21 KiB) Visto 739 volte

Come posso risolvere?? Grazie in anticipo e buona giornata..

per maggiore chiarezza: linea a monte -->
ddd1.png
ddd1.png (25.32 KiB) Visto 739 volte
e linea a valle --->
ddd2.png
ddd2.png (35.31 KiB) Visto 739 volte

Torna a “Impianti, sicurezza e quadristica”