Cos'è ElectroYou | Login Iscriviti

ElectroYou - la comunità dei professionisti del mondo elettrico

Problema di magnetodinamica

Leggi e teorie della fisica

Moderatori: Foto UtenteIsidoroKZ, Foto UtentePietroBaima, Foto UtenteIanero

1
voti

[1] Problema di magnetodinamica

Messaggioda Foto UtenteMyShow » 12 gen 2012, 13:01

Salve proporrò un problema e svolgerò dei passaggi avrei bisogno che qualcuno mi dica se ho svolto correttamente l'esercizio:

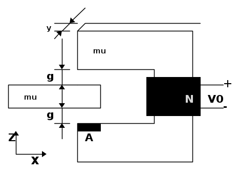
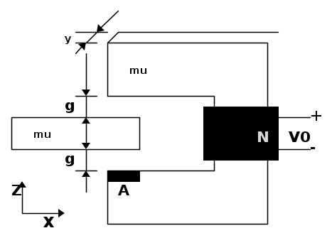
Il sistema elettromagnetico rappresentato in figura è caratterizzato da due traferri g=10^{-4}m che separano i due poli dell'elettromagnete da una parte mobile, anch'essa a permeabilità elevata. L'induzione dei traferri èB= 2 T, la profondità del sistema è y=3 cm mentre l'area A che rappresenta la condizione nominale di sovrapposizione fra la parte fissa e la mobile è A=9 cm^2



a) Nella condizione nominale, calcolare la massima densità di energia e dire dove è localizzata.

b) Calcolare la forza Fz che tende a far avvicinare le espansioni dell'elettromagnete.

c) Calcolare la forza Fx che tende ad attirare la parte mobile all'interno dell'elettromagnete.

d) qual è la tensione di uscita V_0 indotta se la parte mobile è estratta con velocità v ?

Io ho proceduto in questo modo:

a)
La densità di energia si concentra tutta nei 2 traferri perché \mu >>\mu_0 quindi posso scrivere che W = \frac{1}{2} \frac{B^2}{\mu_0} ma i traferri sono 2 quindi avrò
W =\frac{B^2}{\mu_0} per cui W =\frac{2^2}{4 \pi 10^{-7}}=3,18*10^6 J/m^3

b)
F_z = \frac {\partial E}{\partial z}

Dove E=W*vol

ma il volume è dato da vol= x*y*z che sono le dimensioni generiche del mio traferro

Nel caso in questione però avrò vol= A*z da cui F_z = \frac {\partial E}{\partial z}=W*A=2862 N

c)
Un discorso analogo a quanto fatto sopra vale per la F_x per cui F_x = \frac {\partial E}{\partial x} ma la mia E=W*vol dove però stavolta vol= y*g da cui F_x = \frac {\partial E}{\partial x}=W*y*g=9,54 N

d)

v=\frac {dx}{dt}

V_0 = - \frac {d\phi}{dt}

d\phi = B ds e ds=y dx da cui d\phi = B*y*v*dt e

V_0 = - B*y*v

Fatemi sapere se è corretto
Grazie per ora!
Avatar utente
Foto UtenteMyShow
33 3 7
Frequentatore
Frequentatore
 
Messaggi: 117
Iscritto il: 25 gen 2011, 12:29

-1
voti

[2] Re: Problema di magnetodinamica

Messaggioda Foto UtenteMyShow » 14 gen 2012, 10:17

emmm... perdonate l'insistenza sorry ... non c'è nessuno che può aiutarmi? :(
Avatar utente
Foto UtenteMyShow
33 3 7
Frequentatore
Frequentatore
 
Messaggi: 117
Iscritto il: 25 gen 2011, 12:29

0
voti

[3] Re: Problema di magnetodinamica

Messaggioda Foto UtenteRenzoDF » 14 gen 2012, 15:35

MyShow ha scritto:emmm... perdonate l'insistenza ...

Ti ho gia' tolto un punto per l'insistenza, ad ogni modo

a) Direi di no,
w=\frac{1}{2}\frac{B_{t}^{2}}{\mu _{0}}\,
rappresenta gia' l'energia specifica, ovvero la densita' di energia per unita' di volume, e una densita' specifica non raddoppia raddoppiando il volume.

b) Corretto, se usata la corretta densita' e il volume di un solo traferro; esiste comunque una relazione notevole per la forza esercitata da un elettromagnete su un'ancora ferromagnetica

w=\frac{1}{2}\frac{B_{t}^{2}}{\mu _{0}}\,A\,

c) La variazione del volume in questo caso e' doppia

\text{d}E=2wyg\,\text{d}x

d)La domanda e' ambigua, la V0 sembra essere la tensione di alimentazione e non puo' allo stesso tempo rappresentare la f.e.m. indotta per un movimento dell'ancora mobile, mi sembra strano quindi che il testo del problema sia quello da te postato.
La f.e.m. indotta complessivamente nell'avvolgimento di eccitazione e' comunque indeterminata senza la conoscenza del numero di spire N; derivando il semplice flusso e non il flusso concatenato determini la f.e.m. per singola spira e non quella complessiva.
Per quanto riguarda il segno, se l'ancora viene estratta il flusso viene a diminuire e di conseguenza la f.e.m. risultera' positiva, o meglio concorde con la tensione di alimentazione.

BTW non usare gli asterisci per i prodotti ;-)
"Il circuito ha sempre ragione" (Luigi Malesani)
Avatar utente
Foto UtenteRenzoDF
55,9k 8 12 13
G.Master EY
G.Master EY
 
Messaggi: 13189
Iscritto il: 4 ott 2008, 9:55

0
voti

[4] Re: Problema di magnetodinamica

Messaggioda Foto UtenteMyShow » 14 gen 2012, 18:03

La domanda e' ambigua, la V0 sembra essere la tensione di alimentazione e non puo' allo stesso tempo rappresentare la f.e.m. indotta per un movimento dell'ancora mobile, mi sembra strano quindi che il testo del problema sia quello da te postato.


Sono d'accordo,infatti il professore (a mio avviso) è stato impreciso nella domanda, credo comunque che si riferisca alla sola tensione indotta dalla variazione di flusso data dall'estrazione dell'oggetto immerso nel campo B costante(credo).
Per quanto riguarda il segno, se l'ancora viene estratta il flusso viene a diminuire e di conseguenza la f.e.m. risultera' positiva, o meglio concorde con la tensione di alimentazione.


Visto il verso degli assi la mia velocità risulta negativa,che con il segno meno davanti darà un risultato complessivamente positivo

se conoscessi la tensione iniziale chiamandola V e conoscessi il numero delle spire N posso scrivere che V_0= V - N \times B \times v \times y ???

Grazie per le precisazioni chiedo ancora scusa :oops: per l'insistenza di prima
Avatar utente
Foto UtenteMyShow
33 3 7
Frequentatore
Frequentatore
 
Messaggi: 117
Iscritto il: 25 gen 2011, 12:29

0
voti

[5] Re: Problema di magnetodinamica

Messaggioda Foto UtenteRenzoDF » 14 gen 2012, 18:29

MyShow ha scritto:... credo comunque che si riferisca alla sola tensione indotta dalla variazione di flusso data dall'estrazione dell'oggetto immerso nel campo B costante(credo).

Teoricamente si, in quanto la riluttanza dei traferri e' inversamente proporzionale a x e quindi il flusso e' proporzionale a x come la sezione affacciata A e di conseguenza B e' costante; in pratica le cose sarebbero piu' complesse.

MyShow ha scritto:... se conoscessi la tensione iniziale chiamandola V e conoscessi il numero delle spire N posso scrivere che V_0= V - N \times B \times v \times y ?...

Direi di si, almeno fino a quando esiste una superficie affacciata A.

BTW non usare nemmeno il x che si usa solo fra valori numerici, e che potrebbe essere confuso con il prodotto vettoriale.
"Il circuito ha sempre ragione" (Luigi Malesani)
Avatar utente
Foto UtenteRenzoDF
55,9k 8 12 13
G.Master EY
G.Master EY
 
Messaggi: 13189
Iscritto il: 4 ott 2008, 9:55

0
voti

[6] Re: Problema di magnetodinamica

Messaggioda Foto UtenteMyShow » 14 gen 2012, 18:35

Perfetto! Grazie!
Avatar utente
Foto UtenteMyShow
33 3 7
Frequentatore
Frequentatore
 
Messaggi: 117
Iscritto il: 25 gen 2011, 12:29


Torna a Fisica generale

Chi c’è in linea

Visitano il forum: Nessuno e 44 ospiti