Buona sera a tutti.
Eccomi di nuovo qua, ancora con questa scheda relè per le mani finalmente ho finito di saldare tutti i fili ed ho collegato il cavo di corrente 220 V, quello dell'alimentatore 24 V, collegato i fili che vanno ad arduino sia il gnd che i pin e poi ho collegato arduino ad una pila da 9v. Ora sembra che non sia saltato niente cioè è andato tutto bene ma anche tutto male perché non funziona nulla. Arduino è acceso ma la lampadina che si dovrebbe accendere non si accende, c'è ancora qualcosa che non va.
Avete qualche suggerimento ....
Microcontrollore + scheda relè
Moderatore:
Paolino
0
voti
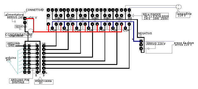
Scusate ho caricato lo schema dove mancava un collegamento qursto che metto ora è quello che ho realizzato.
-

simon77blitz
15 1 4 - Messaggi: 32
- Iscritto il: 7 gen 2012, 11:31
0
voti
Non riesci a verificare se i relè commutano? Non è che Arduino è KO per qualche ragione o il firmware è in attesa di qualche consenso?
Ciao.
Paolo.
Ciao.
Paolo.
"Houston, Tranquillity Base here. The Eagle has landed." - Neil A.Armstrong
-------------------------------------------------------------
PIC Experience - http://www.picexperience.it
-------------------------------------------------------------
PIC Experience - http://www.picexperience.it
-

Paolino
32,6k 8 12 13 - G.Master EY

- Messaggi: 4226
- Iscritto il: 20 gen 2006, 11:42
- Località: Vigevano (PV)
0
voti
Durante le prove comunque puoi evitare di collegare la tensione di rete ai relè, cosi stai più sicuro
Come ha detto Paolino semmai prova a vedere se portando +5V ad un pin qualsiasi dall'1 al 7 dell'ULN2003A, senti scattare il relè oppure no.
Se lo senti scattare significa che c'è un problema nel modulo Arduino, altrimenti potrebbe esserci un problema nel collegamento dei relè.
ciao
Come ha detto Paolino semmai prova a vedere se portando +5V ad un pin qualsiasi dall'1 al 7 dell'ULN2003A, senti scattare il relè oppure no.
Se lo senti scattare significa che c'è un problema nel modulo Arduino, altrimenti potrebbe esserci un problema nel collegamento dei relè.
ciao
-

AjKDAP
1.255 2 6 9 - Expert EY

- Messaggi: 796
- Iscritto il: 17 mag 2006, 0:13
- Località: nella coda dei pronti
0
voti
AjKDAP ha scritto: prova a vedere se portando +5 V ad un pin qualsiasi dall'1 al 7 dell'ULN2003A, senti scattare il relè oppure no.
ciao
Io cominciarei a controllare se dopo l'integrato citato, dando tensione ai vari collegamenti (uscite da 16 al 10), i rele' si eccitano; questo per controllare il circuito a valle.
Poi procederei come detto da
Se tutto, a questo punto, funziona significa che il colpevole e' Arduino.
marco
0
voti
ok dopo tantissimi controlli e ricontrolli sono riuscito a trovare uno dei difetti che non facevano scattare i relè .Avevo pensato che probabilmente era l'alimentatore che poteva essre guasto e invece no, il difetto era che il negativo che viene dal condensatore si era staccato quindi non faceva più contatto sistemato questo problema tutto contento ho riattaccato tutto e ora si sente il relè che stacca e attacca (perché ad arduino ho caricato un piccolissimo codice che ogni secono accende e spegne ) sembra che fino a qui vada tutto bene ma la lampada ancora non vuole funzionare mi sembra una cosa strana....
-

simon77blitz
15 1 4 - Messaggi: 32
- Iscritto il: 7 gen 2012, 11:31
0
voti
Ok, a piccoli passi il baco lo troviamo!
Se il relè scatta, presumo che il problema stia tra i contatti del relè, l'alimentazione 230VAC e la lampada.
DOPO AVER SEZIONATO LA TENSIONE DI RETE, PROCEDI A UNA VERIFICA CON IL TESTER.
Occhio: la 230V "punge"!!!
Ciao.
Paolo.
Se il relè scatta, presumo che il problema stia tra i contatti del relè, l'alimentazione 230VAC e la lampada.
DOPO AVER SEZIONATO LA TENSIONE DI RETE, PROCEDI A UNA VERIFICA CON IL TESTER.
Occhio: la 230V "punge"!!!
Ciao.
Paolo.
"Houston, Tranquillity Base here. The Eagle has landed." - Neil A.Armstrong
-------------------------------------------------------------
PIC Experience - http://www.picexperience.it
-------------------------------------------------------------
PIC Experience - http://www.picexperience.it
-

Paolino
32,6k 8 12 13 - G.Master EY

- Messaggi: 4226
- Iscritto il: 20 gen 2006, 11:42
- Località: Vigevano (PV)
0
voti
simon77blitz ha scritto: ora si sente il relè che stacca e attacca (perché ad arduino ho caricato un piccolissimo codice che ogni secono accende e spegne ) sembra che fino a qui vada tutto bene ma la lampada ancora non vuole funzionare mi sembra una cosa strana....
Sembra molto strano anche a me, sempre che i collegamenti alla lampada siano stati fatti bene.
Hai provato a controllare sui rele' che tutti ricevano sui contatti sia la fase che il neutro della 230?
Attenzione a fare questa prova; si tratta di tensione di rete!
P.S. Scusa
marco
0
voti
Pultroppo oggi il tester non c'è lo me lo riportano domani sera ,comunque ho pensato che se ora i comandi che ho inpostato arrivano al relè dovrebbe essere un problema come dice Paolino di corrente 230v ,ma ho controllato tutto e mi sembra apposto ma evidentemente se ancora non si accende questa benedetta lampada c'è ancora qualcosa che non va. Ricapitolando ho la corrente che prendo da una presa di casa e questa a due fili uno in pratica dovrebbe andare al piedino centrale del relè (perché questo piedino è il COM ) poi ho collegato il piedino NO (normalmente aperto) alla lampada e l'altro filo diciamo la massa o negativo che prendo sempre da uno di questi due fili da dove viene la 230v direttamente alla lampada se sbaglio correggetemi.
-

simon77blitz
15 1 4 - Messaggi: 32
- Iscritto il: 7 gen 2012, 11:31
0
voti
X marco438 dove va collegato il neutro della 230v sul relè a quale piedino. Cioè provo a spiegarmi meglio come ho detto prima diciamo il filo positivo ,la fase va al piedino centrale del relè che è il COM epoi ?
questo è lo schema che o fatto ma ci deve essere qualcosa che non va .
questo è lo schema che o fatto ma ci deve essere qualcosa che non va .
-

simon77blitz
15 1 4 - Messaggi: 32
- Iscritto il: 7 gen 2012, 11:31
Torna a Realizzazioni, interfacciamento e nozioni generali.
Chi c’è in linea
Visitano il forum: Nessuno e 8 ospiti

Elettrotecnica e non solo (admin)
Un gatto tra gli elettroni (IsidoroKZ)
Esperienza e simulazioni (g.schgor)
Moleskine di un idraulico (RenzoDF)
Il Blog di ElectroYou (webmaster)
Idee microcontrollate (TardoFreak)
PICcoli grandi PICMicro (Paolino)
Il blog elettrico di carloc (carloc)
DirtEYblooog (dirtydeeds)
Di tutto... un po' (jordan20)
AK47 (lillo)
Esperienze elettroniche (marco438)
Telecomunicazioni musicali (clavicordo)
Automazione ed Elettronica (gustavo)
Direttive per la sicurezza (ErnestoCappelletti)
EYnfo dall'Alaska (mir)
Apriamo il quadro! (attilio)
H7-25 (asdf)
Passione Elettrica (massimob)
Elettroni a spasso (guidob)
Bloguerra (guerra)


