Ragazzi scusate il disegno ma non lo so fare bene comunque Mi potete risolvere questo circuito ?Perche mi blocco nella risoluzione del triangolo
Risoluzione circuito trifase equilibrato
Moderatori:
g.schgor,
IsidoroKZ
27 messaggi
• Pagina 1 di 3 • 1, 2, 3
0
voti
0
voti
Ho aggiustato un po' lo schema di
atta11, correggendo i vari elementi circuitali, che, ricordo, sono presenti nelle varie librerie di FidoCadJ.
Buona prosecuzione di topic.
Buona prosecuzione di topic.
0
voti
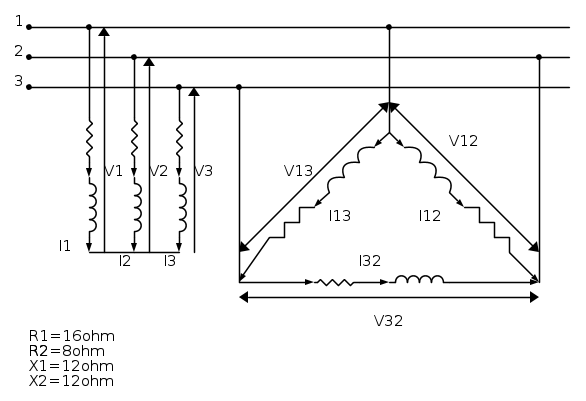
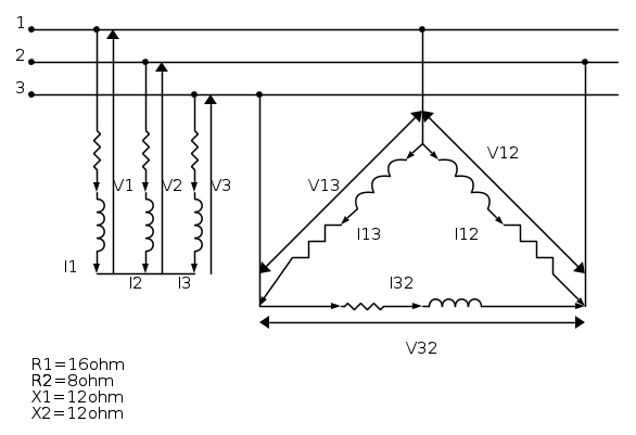
Grazie si volevo sapere tensioni e correnti nella stella riesco a farlo ma nel triangolo teovo qualche difficolte perche mi pare che devo prendere la tensione sull'asse x e mi imbroglio
0
voti
Mi permetto di rispondere ma aspetta anche il commento di qualche esperto(non sia mai che abbia scritto qualche bestemmia)
Ho interpretato il tuo caso così:
Dove





Se conosci
per esempio
e 
Da cui ad esempio
ecc...
Tutto questo grazie al fatto che il sistema è equilibrato.
Sono parecchio arrugginito sui sistemi trifase quindi aspetta anche il commento dei master comunque se non ricordo male è così.
Spero di essermi reso utile
a presto.
Ho interpretato il tuo caso così:
Dove






Se conosci
per esempio
e 
Da cui ad esempio
ecc...Tutto questo grazie al fatto che il sistema è equilibrato.
Sono parecchio arrugginito sui sistemi trifase quindi aspetta anche il commento dei master comunque se non ricordo male è così.
Spero di essermi reso utile
a presto.

1
voti
Direi che il discorso puo' essere piu' semplice, ovvero ricavati modulo ed argomento delle due impedenze Z2 di fase del triangolo e Z1 della stella, basta un V/Z2 ed un E/Z1 per ricavare i moduli delle due correnti di fase mentre per quella totale di linea potrebbe essere usato sia il circuito equivalente monofase, sia Boucherot ... il tutto, senza scomodare il calcolo complesso.
BTW per i calcoli pero' , se non viene dato il valore della tensione ed il riferimento per la terna sul piano complesso, non si puo' procedere.
BTW per i calcoli pero' , se non viene dato il valore della tensione ed il riferimento per la terna sul piano complesso, non si puo' procedere.
"Il circuito ha sempre ragione" (Luigi Malesani)
0
voti
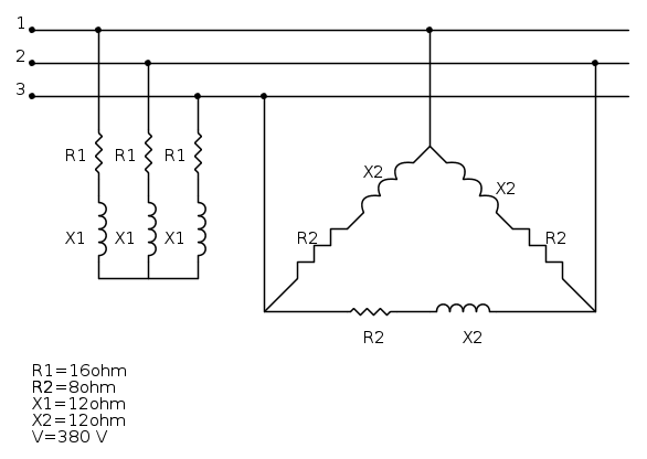
Scusate forse modificando il disegno si è cancellato il valore di tensione che è uguale
Vc=380 V
Vc=380 V
0
voti
Ho aggiornato lo schema, ora devi dirci come consideri normalmente orientata la terna sul piano complesso, ovvero E1 sull'asse reale o su quello immaginario?
BTW ...quali correnti vuoi conoscere? ... sono richiesti i fasori o solo i moduli ?
BTW ...quali correnti vuoi conoscere? ... sono richiesti i fasori o solo i moduli ?
"Il circuito ha sempre ragione" (Luigi Malesani)
27 messaggi
• Pagina 1 di 3 • 1, 2, 3
Torna a Elettrotecnica generale
Chi c’è in linea
Visitano il forum: Nessuno e 71 ospiti

Elettrotecnica e non solo (admin)
Un gatto tra gli elettroni (IsidoroKZ)
Esperienza e simulazioni (g.schgor)
Moleskine di un idraulico (RenzoDF)
Il Blog di ElectroYou (webmaster)
Idee microcontrollate (TardoFreak)
PICcoli grandi PICMicro (Paolino)
Il blog elettrico di carloc (carloc)
DirtEYblooog (dirtydeeds)
Di tutto... un po' (jordan20)
AK47 (lillo)
Esperienze elettroniche (marco438)
Telecomunicazioni musicali (clavicordo)
Automazione ed Elettronica (gustavo)
Direttive per la sicurezza (ErnestoCappelletti)
EYnfo dall'Alaska (mir)
Apriamo il quadro! (attilio)
H7-25 (asdf)
Passione Elettrica (massimob)
Elettroni a spasso (guidob)
Bloguerra (guerra)







