Scelta LED IR per head-tracking.
Moderatori:
carloc,
g.schgor,
BrunoValente,
IsidoroKZ
33 messaggi
• Pagina 3 di 4 • 1, 2, 3, 4
0
voti
Se è possibile una soluzione che faccia accendere un singolo LED in caso di rottura di uno dei qualsiasi altri 80 sono tutto orecchie!!! :) Certamente le probabilità di rottura di un LED sono molto basse, ma con 80 LED diventa 80 volte più probabile
.
0
voti
La soluzione mi piace moltissimo, sarebbe l'ideale! :) Non voglio però abusare della tua disponibilità :)
0
voti
Ti ringrazio di vero cuore! :) Se mai dovesse capitare l'occasione di poter richambiare ;) certamente non c'è alcuna fretta, prenditi tutto il tempo che ti serve :)
Cosa ti sembra invece l'idea di separare array e regolatore/resistenze collegandoli con un cavo parallelo? :)
Cosa ti sembra invece l'idea di separare array e regolatore/resistenze collegandoli con un cavo parallelo? :)
1
voti
Ti rispondo con la parte di messaggio di proma che stavo per terminare prima dei tuoi ultimi aggiornamenti:
(arriva abbi fede
)
Ottimo lo schema!
Il ragionamento che fai è corretto, controllare ogni singola colonna è superfluo anche perché se non eccedi con la corrente quei led non si bruceranno mai. Per me 80mA diventano troppi io mi fermerei almeno a 1/3 sotto alla corrente massima sopportabile, non supererei i 65mA. Però di questo puoi tenerne conto durante la fase di taratura dimensionando il tutto per 80mA massimi in modo da ridurre il rischio che l'illuminazione sia insufficiente.
Eviterei anche il cavo parallelo, a livello concettuale potrebbe starci ma praticamente diventa scomodo. Separerei le due schede tra l'uscita dell'alimentazione stabilizzata variabile e le resistenze di limitazione relative alle colonne, in modo che vi siano soltanto due cavi ad unirle, ti risparmi parecchie connessioni e tanti potenziali falsi contatti.
Per quel che riguarda il controllo delle colonne devi tenere presente che hai la necessità di variare la corrente per aggiustare la luminosità dei led e contemporaneamente devi controllare che la corrente rimanga stabile per valutare se una colonna sia fuori uso. Io utilizzerei un comparatore che misuri la caduta di potenziale su una resistenza collegata tra il negativo e lo 0V. Sull'altro ingresso del comparatore collegherei invece un trimmer che renda variabile la soglia d'intervento. In questo modo sarai libero di regolare prima la luminosità (e quindi la corrente) dei led e dopo la soglia d'intervento dell'allarme.
Lo schema sarebbe questo: .......
(arriva abbi fede
0
voti
Ti ringrazio moltissimo, chiaro e preciso :)! A questo punto mi affido a te (ancora, non c'è alcuna fretta, se non riesci questa settimana nessun problema) e attendo lo schema per la preparazione delle piste per lo stampato e la realizzazione del tutto :) Ti ringrazio ancora moltissimo, grazie al tuo aiuto il progetto potrebbe diventare interessante e ben fatto :)!!!
1
voti
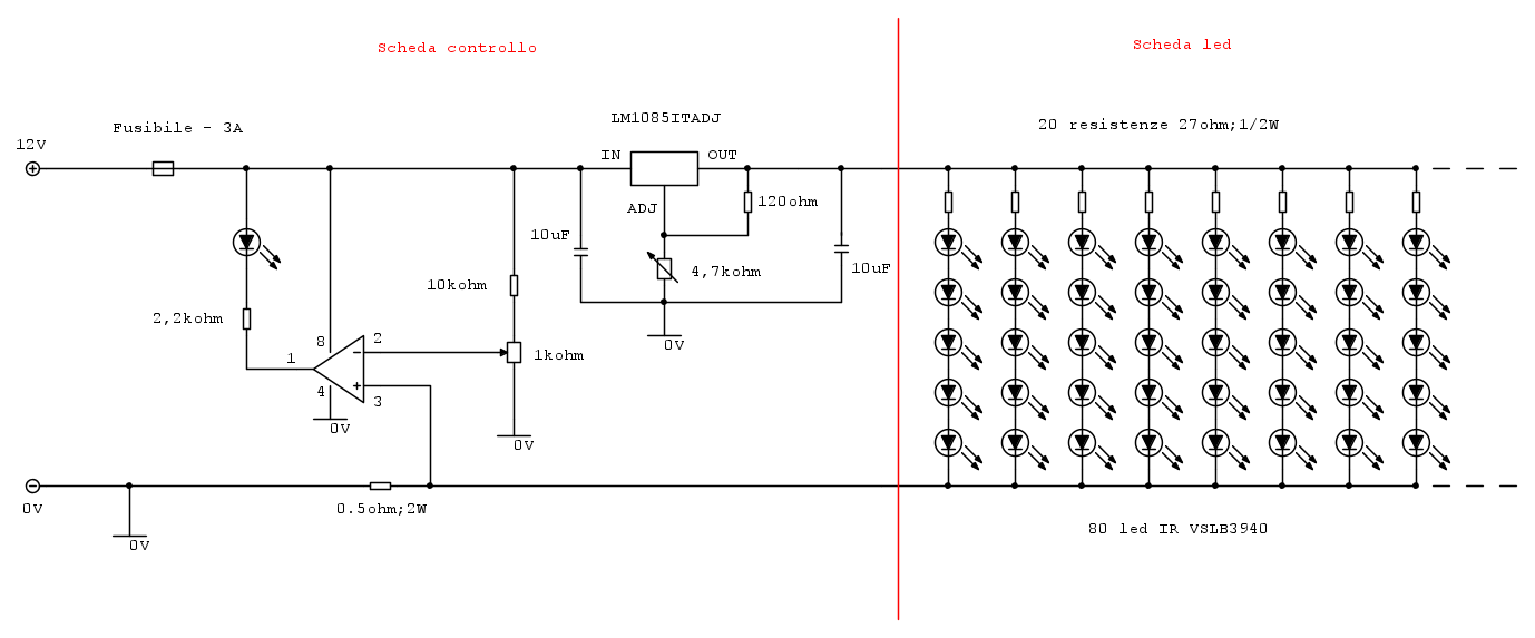
Ciao, io farei una cosa del genere:
La linea rossa verticale indica il punto in cui separerei i circuiti, in questo modo i cavi di collegamento rimangono soltanto due. Per la taratura devi agire prima sul trimmer dedicato alla regolazione della tensione d'uscita in funzione della luminosità che vuoi ottenere. Successivamente devi ruotare lentamente il trimmer collegato all' LM393 per far spegnere il led colorato. Non appena il led si spegne smetti di ruotare e prova ad aprire una colonna (scollegando un diodo o la resistenza) il led dovrebbe riaccendersi. I valori dei componenti ti consentono di regolare la corrente nei led da 80 a 0mA.
Io ti sconsiglio vivamente di costruire da subito gli stampati, fossi in te prima proverei a fare entrambi i circuiti su due pezzi di basetta millefori magari tenendo i terminali degli 80 led lunghi in modo da poterli riutilizzare nella versione definitiva. So che sembra tempo perso ma non lo è, considera che anch'io è facile che abbia commesso qualche sbaglio e che il circuito sia da ritoccare in fase di test.
Fammi sapere come va a finire e se hai dei dubbi siamo qui
....
La linea rossa verticale indica il punto in cui separerei i circuiti, in questo modo i cavi di collegamento rimangono soltanto due. Per la taratura devi agire prima sul trimmer dedicato alla regolazione della tensione d'uscita in funzione della luminosità che vuoi ottenere. Successivamente devi ruotare lentamente il trimmer collegato all' LM393 per far spegnere il led colorato. Non appena il led si spegne smetti di ruotare e prova ad aprire una colonna (scollegando un diodo o la resistenza) il led dovrebbe riaccendersi. I valori dei componenti ti consentono di regolare la corrente nei led da 80 a 0mA.
Io ti sconsiglio vivamente di costruire da subito gli stampati, fossi in te prima proverei a fare entrambi i circuiti su due pezzi di basetta millefori magari tenendo i terminali degli 80 led lunghi in modo da poterli riutilizzare nella versione definitiva. So che sembra tempo perso ma non lo è, considera che anch'io è facile che abbia commesso qualche sbaglio e che il circuito sia da ritoccare in fase di test.
Fammi sapere come va a finire e se hai dei dubbi siamo qui
0
voti
Il trimmer da 4.7kohm mi sembra decisamente di valore elevato.
Se l'alimentazione del circuito non e` stabile, ha del ripple... puo` essere complicato tarare la soglia del sensore di corrente. Si potrebbe prendere la tensione per la soglia dopo il regolatore, ma se si cambia la corrente nei led bisogna ritarare la soglia, oppure si puo` mettere uno zener, prelevando sempre la tensione dopo il 1085. Se invece la tensione di alimentazione e` stabile e pulita, va bene cosi`.
Se l'alimentazione del circuito non e` stabile, ha del ripple... puo` essere complicato tarare la soglia del sensore di corrente. Si potrebbe prendere la tensione per la soglia dopo il regolatore, ma se si cambia la corrente nei led bisogna ritarare la soglia, oppure si puo` mettere uno zener, prelevando sempre la tensione dopo il 1085. Se invece la tensione di alimentazione e` stabile e pulita, va bene cosi`.
Per usare proficuamente un simulatore, bisogna sapere molta più elettronica di lui
Plug it in - it works better!
Il 555 sta all'elettronica come Arduino all'informatica! (entrambi loro malgrado)
Se volete risposte rispondete a tutte le mie domande
Plug it in - it works better!
Il 555 sta all'elettronica come Arduino all'informatica! (entrambi loro malgrado)
Se volete risposte rispondete a tutte le mie domande
33 messaggi
• Pagina 3 di 4 • 1, 2, 3, 4
Chi c’è in linea
Visitano il forum: Nessuno e 53 ospiti

Elettrotecnica e non solo (admin)
Un gatto tra gli elettroni (IsidoroKZ)
Esperienza e simulazioni (g.schgor)
Moleskine di un idraulico (RenzoDF)
Il Blog di ElectroYou (webmaster)
Idee microcontrollate (TardoFreak)
PICcoli grandi PICMicro (Paolino)
Il blog elettrico di carloc (carloc)
DirtEYblooog (dirtydeeds)
Di tutto... un po' (jordan20)
AK47 (lillo)
Esperienze elettroniche (marco438)
Telecomunicazioni musicali (clavicordo)
Automazione ed Elettronica (gustavo)
Direttive per la sicurezza (ErnestoCappelletti)
EYnfo dall'Alaska (mir)
Apriamo il quadro! (attilio)
H7-25 (asdf)
Passione Elettrica (massimob)
Elettroni a spasso (guidob)
Bloguerra (guerra)



