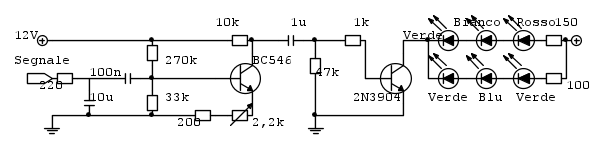
Ciao a tutti, ho realizzato un circuito che permette di far andare a ritmo di musica i led, ma ho notato che i led non arrivano mai al 100%, diciamo all' 80%. Vorrei sapere se modificando qualcosa si potrebbe avere una piena accensione dei led. Grazie a tutti quelli che mi vorranno aiutare.
All'inizio la resistenza di 220 ohm e il condensatore da 10 micro servono per realizzare un filtro passabasso, se qualcuno potrebbe spiegarmi il resto gliene sarei grato.
Circuito music sense
Moderatori:
carloc,
g.schgor,
BrunoValente,
IsidoroKZ
8 messaggi
• Pagina 1 di 1
0
voti
Dovresti specificare le caratteristiche dei led impiegati.
Mi risulta che i led bianchi e blu di solito abbiano tensione e corrente nominale maggiore degli altri; di conseguenza quelle due serie di led non possono funzionare al meglio.
Non ho guardato il resto del circutito, per il momento.
Mi risulta che i led bianchi e blu di solito abbiano tensione e corrente nominale maggiore degli altri; di conseguenza quelle due serie di led non possono funzionare al meglio.
Non ho guardato il resto del circutito, per il momento.
marco
0
voti
Allora io ho fatto questa prova se alla resistenza da 1 k che pilota l'ultimo transistor gli mando 12 V i led si accendono al 100%. vorrei che anche quando il circuito funzioni come music sense arrivasse ad una tale luminosità. Comuqnue ho dato al led bianco verde e blu 3V/30 mA e led rosso 2V/30 mA. Quindi calcolando le resistenze verrebbero:
Serie 1(Verde, Blu, Verde):
R= (12-9)/0,03= 100 ohm
Serie 2( Verde, Bianco, Rosso):
R=(12-8/)0,03= 130 ohm (valore standard 150 ohm)
Serie 1(Verde, Blu, Verde):
R= (12-9)/0,03= 100 ohm
Serie 2( Verde, Bianco, Rosso):
R=(12-8/)0,03= 130 ohm (valore standard 150 ohm)
0
voti
Non "uppare": chi può aiuta, senza che ci sia bisogno di insistere. In più, cosa chiedi aiuto se poi non accetti i consigli che ti vengono dati?
It's a sin to write
instead of
(Anonimo).
...'cos you know that
ain't
, right?
You won't get a sexy tan if you write
in lieu of
.
Take a log for a fireplace, but don't take
for
arithm.
instead of
(Anonimo)....'cos you know that
ain't
, right?You won't get a sexy tan if you write
in lieu of
.Take a log for a fireplace, but don't take
for
arithm.-

DirtyDeeds
55,9k 7 11 13 - G.Master EY

- Messaggi: 7012
- Iscritto il: 13 apr 2010, 16:13
- Località: Somewhere in nowhere
8 messaggi
• Pagina 1 di 1
Chi c’è in linea
Visitano il forum: Nessuno e 167 ospiti

Elettrotecnica e non solo (admin)
Un gatto tra gli elettroni (IsidoroKZ)
Esperienza e simulazioni (g.schgor)
Moleskine di un idraulico (RenzoDF)
Il Blog di ElectroYou (webmaster)
Idee microcontrollate (TardoFreak)
PICcoli grandi PICMicro (Paolino)
Il blog elettrico di carloc (carloc)
DirtEYblooog (dirtydeeds)
Di tutto... un po' (jordan20)
AK47 (lillo)
Esperienze elettroniche (marco438)
Telecomunicazioni musicali (clavicordo)
Automazione ed Elettronica (gustavo)
Direttive per la sicurezza (ErnestoCappelletti)
EYnfo dall'Alaska (mir)
Apriamo il quadro! (attilio)
H7-25 (asdf)
Passione Elettrica (massimob)
Elettroni a spasso (guidob)
Bloguerra (guerra)



