Cos'è ElectroYou | Login Iscriviti

ElectroYou - la comunità dei professionisti del mondo elettrico

Alimentatore

Elettronica lineare e digitale: didattica ed applicazioni

Moderatori: Foto Utentecarloc, Foto Utenteg.schgor, Foto UtenteBrunoValente, Foto UtenteIsidoroKZ

0
voti

[61] Re: Alimentatore

Messaggioda Foto UtenteMar48 » 15 gen 2012, 17:24

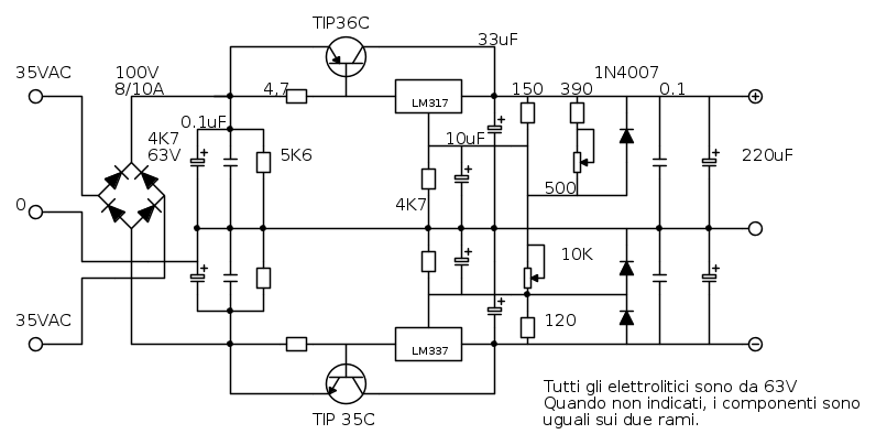
O_/ Lo schema è sempre stato l'originale , non mi sembra che siano apportate modifiche.L'unica modifica era il trasformatore che al posto di quello che erogava 35+35 , ho utilizzato quello che eroga 12+12 volt, questo perche non riuscendo a reperire gli lm 317 e 337 hvt ho utilizzato quelli normali.Se leggiamo attentamente il post , notiamo, che ad un certo punto mi viene detto che potevo utilizzare anch il trasformatore dei 35+35 volt.Ho provato ma , purtroppo mi sono andati in fumo i due diodi (1n4007)del ramo negativo . Perche non sono andati in fumo gli lm? forse non hanno fatto in tempo?
Marsilio. :D
Avatar utente
Foto UtenteMar48
35 5
Frequentatore
Frequentatore
 
Messaggi: 130
Iscritto il: 7 mag 2011, 19:53
Località: Grosseto

2
voti

[62] Re: Alimentatore

Messaggioda Foto Utentemarco438 » 15 gen 2012, 18:52

Quindi, a parte il trasformatore, mi puoi confermare che lo schema definitivo sarebbe questo?

Se si, indicaci chiaramente quali sono i problemi che hai rilevato.
marco
Avatar utente
Foto Utentemarco438
37,1k 7 11 13
-EY Legend-
-EY Legend-
 
Messaggi: 16323
Iscritto il: 24 mar 2010, 15:09
Località: Versilia

0
voti

[63] Re: Alimentatore

Messaggioda Foto Utentesandroz84 » 15 gen 2012, 19:00

Perché come detto da [user]Skociap[/user] qualche tempo fa l'lm317 può gestire una tensione in ingresso anche maggiore di 40 volt, solo che varierà la minima tensione in uscita che potrai avere, questa differenza tra ingresso e uscita sarà massimo di 40volt.
Esempio:
Se tu applichi in entrata una tensione di 65volt in uscita avrai una tensione regolabile che va da un minimo di 25volt sino ad un massimo di 62volt.
Avatar utente
Foto Utentesandroz84
211 1 3 5
Stabilizzato
Stabilizzato
 
Messaggi: 468
Iscritto il: 22 mag 2007, 12:32

0
voti

[64] Re: Alimentatore

Messaggioda Foto UtenteMar48 » 15 gen 2012, 21:32

x Marco438: Si lo schema è quello , i due diodi in serie tra la tensione negativa in uscita dell LM337 e la presa centrale vanno in fumo se applico il trasformatore da 35+35 volt!

x Sandroz84 : Non vedo cosa centra , ammesso che non sono pratico in elettronica!
Avatar utente
Foto UtenteMar48
35 5
Frequentatore
Frequentatore
 
Messaggi: 130
Iscritto il: 7 mag 2011, 19:53
Località: Grosseto

0
voti

[65] Re: Alimentatore

Messaggioda Foto Utentesandroz84 » 15 gen 2012, 22:07

Mar48 ha scritto:
x Sandroz84 : Non vedo cosa c'entra , ammesso che non sono pratico in elettronica!

Avendo citato il problema avuto con il trafo da 35+35volt ed essendoti meravigliato che gli lm317 non si siano bruciati pensavo ti riferissi al fatto di cui si discuteva qualche pagina fa dove si diceva che l'lm317 non gestiva tensioni superiori ai 40volt.
Ma può essere che abbia capito male io. ;-)
Avatar utente
Foto Utentesandroz84
211 1 3 5
Stabilizzato
Stabilizzato
 
Messaggi: 468
Iscritto il: 22 mag 2007, 12:32

4
voti

[66] Re: Alimentatore

Messaggioda Foto Utentemarco438 » 16 gen 2012, 9:34

Mar48 ha scritto:x Marco438: Si lo schema è quello , i due diodi in serie tra la tensione negativa in uscita dell LM337 e la presa centrale vanno in fumo se applico il trasformatore da 35+35 volt!

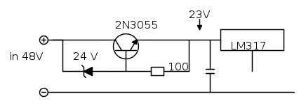
Se non sbaglio avevamo gia' stabilito come fosse critico applicare queste tensioni; se proprio vuoi adoperare quel trasformatore, l'unica soluzione e' quella di ridurre la tensione in ingresso ai due regolatori altrimenti funzioneranno sempre in condizioni non ottimali.
La soluzione potrebbe essere l'adozione di un circuito aggiuntivo simile a questo:

in modo da non sovraccaricare l'integrato e farlo funzionare entro i suoi limiti.
Al momento non ricordo quale corrente forniscano i tuoi due trasformatori (se la dici possiamo chiarire meglio), quindi il circuito postato e' indicativo per quanto attiene il transistor impiegato e la tensione da ottenere.
marco
Avatar utente
Foto Utentemarco438
37,1k 7 11 13
-EY Legend-
-EY Legend-
 
Messaggi: 16323
Iscritto il: 24 mar 2010, 15:09
Località: Versilia

0
voti

[67] Re: Alimentatore

Messaggioda Foto UtenteMar48 » 16 gen 2012, 22:07

posso anche fare quella modifica , però mi dovete postare lo schema modificato.Quella modifica vale solo per la parte positiva , ma , per quella negativa?
Non posso dirti quali correnti erogano in uscita i due trasformatori. Ma cosa centrano i due diodi , perche vanno in fumo loro inveche che gli lm? e perche solo nel ramo negativo? La mia domanda era semplicemente questa!
O_/
Avatar utente
Foto UtenteMar48
35 5
Frequentatore
Frequentatore
 
Messaggi: 130
Iscritto il: 7 mag 2011, 19:53
Località: Grosseto

0
voti

[68] Re: Alimentatore

Messaggioda Foto Utentemarco438 » 17 gen 2012, 9:07

In effetti non e' normale.
Ma tu sei sicuro dei collegamenti che hai fatto?
Perche' non ci fai vedere una fotografia della realizzazione?
Mar48 ha scritto:posso anche fare quella modifica , però mi dovete postare lo schema modificato.

Hai lo schema originale, hai quello della modifica; perche' lo schema definitivo non te lo fai da solo, cosi' vediamo come adoperi Fidocadj?
marco
Avatar utente
Foto Utentemarco438
37,1k 7 11 13
-EY Legend-
-EY Legend-
 
Messaggi: 16323
Iscritto il: 24 mar 2010, 15:09
Località: Versilia

0
voti

[69] Re: Alimentatore

Messaggioda Foto Utentealev » 17 gen 2012, 11:05

marco438 ha scritto:perche' lo schema definitivo non te lo fai da solo, cosi' vediamo come adoperi Fidocadj?

Oltretutto, con quell'avatar, non mi aspetto problemi da parte di Foto UtenteMar48 :mrgreen:
Avatar utente
Foto Utentealev
5.990 2 9 12
free expert
 
Messaggi: 6282
Iscritto il: 19 lug 2010, 14:38
Località: Altrove

0
voti

[70] Re: Alimentatore

Messaggioda Foto UtenteMar48 » 17 gen 2012, 19:29

x quanto riguarda l'avatar è una foto che simboleggia l'elettronica e non ci trovo nulla di strano :mrgreen: .
I collegamenti credo che sono fatti bene , perche sono stati controllati diverse volte e l'alimentatore ha funzionato subito( con il trasformatore 12+12).
Posso scaricare il programma fidocadj e postare lo schema , ma se ci capisco poco non posso propri farlo. Se avete la gentilezza ,bene, sono contento di avere degli amici ( anche se virtuali) altrimenti vi ringrazio di avermi assistito fino a qui ed io mi rivolgerò altrove!
Sempre vostro compagno di forum: Marsilio!
Avatar utente
Foto UtenteMar48
35 5
Frequentatore
Frequentatore
 
Messaggi: 130
Iscritto il: 7 mag 2011, 19:53
Località: Grosseto

PrecedenteProssimo

Torna a Elettronica generale

Chi c’è in linea

Visitano il forum: Google Adsense [Bot] e 388 ospiti