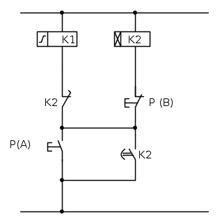
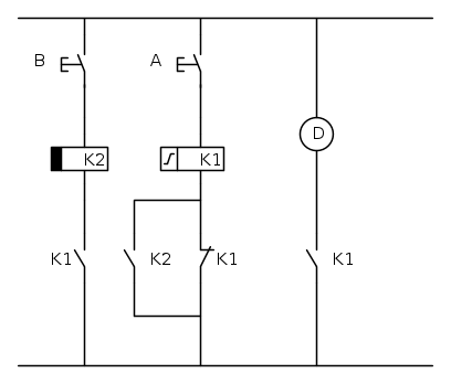
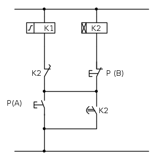
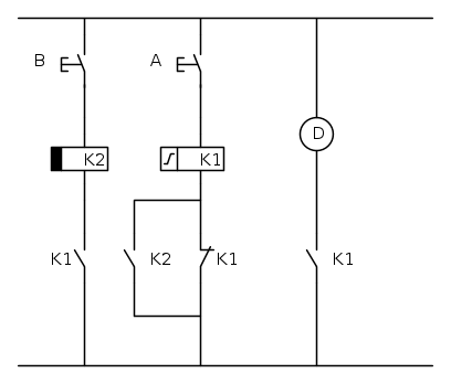
K1 è un relè a ritenuta (o relè interruttore) che attivato dal pulsante P (A) attiva il carico (D, non presente nello schema) e allo stesso tempo manda in autoritenuta il relè K2 (con ritardo all' eccitazione). Questo tempo di ritardo va regolato al minimo, in modo che una volta attivato il carico (D), il contatto N.C. (ritardato) di K2 si apra e inibisca il pulsante P (A) ai successivi comandi, nello stesso momento anche il contatto N.O. di K2 si chiude autoritenendo il relè K2 che rimane in quella posizione (coi contatti commutati) finché la sua bobina risulta alimentata, ovvero finché non si agisce sul pulsante P (B), che fa cadere l' autoritenuta di K2 richiudendo il suo contatto N.C. e riabilitando il pulsante P (A) per la successiva commutazione.
Nota: Non sono nelle ottimali condizioni di lucidità in questo periodo e quindi potrei anche avere sparato un' emerita caxxata, soprattutto riguardo al funzionamento o meno di tale circuito. Abbiate pazienza

Elettrotecnica e non solo (admin)
Un gatto tra gli elettroni (IsidoroKZ)
Esperienza e simulazioni (g.schgor)
Moleskine di un idraulico (RenzoDF)
Il Blog di ElectroYou (webmaster)
Idee microcontrollate (TardoFreak)
PICcoli grandi PICMicro (Paolino)
Il blog elettrico di carloc (carloc)
DirtEYblooog (dirtydeeds)
Di tutto... un po' (jordan20)
AK47 (lillo)
Esperienze elettroniche (marco438)
Telecomunicazioni musicali (clavicordo)
Automazione ed Elettronica (gustavo)
Direttive per la sicurezza (ErnestoCappelletti)
EYnfo dall'Alaska (mir)
Apriamo il quadro! (attilio)
H7-25 (asdf)
Passione Elettrica (massimob)
Elettroni a spasso (guidob)
Bloguerra (guerra)









