Cos'è ElectroYou | Login Iscriviti

ElectroYou - la comunità dei professionisti del mondo elettrico

Attivazione/Disattivazione dispositivo elettrico

Progettazione, esercizio, manutenzione, sicurezza, leggi, normative...

Moderatori: Foto Utentesebago, Foto UtenteMASSIMO-G, Foto Utentelillo, Foto UtenteMike

1
voti

[21] Re: Attivazione/Disattivazione dispositivo elettrico

Messaggioda Foto Utenteangus » 20 gen 2012, 22:30

Attilio ha scritto:pensi che lo schema del messaggio [11] vada ugualmente bene?

Devo dire la verità che lo avevo guardato anche oggi pomeriggio, ma mi ero perso a metà spiegazione... ma ero di fretta.
ora l'ho riguardato... e, compatibilmente con lo stato dei miei neuroni, sembra ok. :ok:
in /dev/null no one can hear you scream
Avatar utente
Foto Utenteangus
8.475 4 6 9
G.Master EY
G.Master EY
 
Messaggi: 4170
Iscritto il: 20 giu 2008, 17:25

0
voti

[22] Re: Attivazione/Disattivazione dispositivo elettrico

Messaggioda Foto Utenteattilio » 20 gen 2012, 22:39

Grazie :mrgreen:
Allora facciamo così, se c'è qualcuno con neuroni "certificati" che ha qualcosa da contestare ai nostri... vabbè.. al mio schema, lo faccia ora o mai più :mrgreen:
Ognuno sta solo sul cuor della terra
trafitto da un raggio di sole:
ed è subito sera


Salvatore Quasimodo
Avatar utente
Foto Utenteattilio
61,5k 8 12 13
free expert
 
Messaggi: 9175
Iscritto il: 21 gen 2007, 14:34

1
voti

[23] Re: Attivazione/Disattivazione dispositivo elettrico

Messaggioda Foto UtenteGuidoB » 21 gen 2012, 12:58

Attilio ha scritto:se c'è qualcuno con neuroni "certificati"...
:lol:
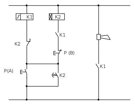
Ciao Foto Utenteattilio, per comodità riporto di seguito il tuo schema:

Secondo me funziona tutto fino alla seconda pressione sul pulsante A. Però a questo punto il relè K2 viene attratto di nuovo, e disabilita di nuovo il pulsante A. Per riportarsi alle condizioni iniziali è necessaria una ulteriore pressione sul pulsante B.
Credo che potresti risolvere aggiungendo un contatto NA di K1 in serie alla bobina di K2. Con un ritardo all'eccitazione di K2 sufficiente, alla seconda pressione del pulsante A, K1 dovrebbe tornare a riposo e aprire il suo contatto NA prima che K2 riesca a eccitarsi.
Ricontrolla quanto dico perché sono un po' fuso stamattina e non "certificato" ... :mrgreen:
O_/
Avatar utente
Foto UtenteGuidoB
17,8k 7 12 13
G.Master EY
G.Master EY
 
Messaggi: 2811
Iscritto il: 3 mar 2011, 16:48
Località: Madrid

2
voti

[24] Re: Attivazione/Disattivazione dispositivo elettrico

Messaggioda Foto Utenteattilio » 21 gen 2012, 16:24

GuidoB, hai perfettamente ragione... in effetti continuavo a guardare lo schema con una certa diffidenza ;-)
La tua proposta mi pare corretta, vediamo se è vero...

Ognuno sta solo sul cuor della terra
trafitto da un raggio di sole:
ed è subito sera


Salvatore Quasimodo
Avatar utente
Foto Utenteattilio
61,5k 8 12 13
free expert
 
Messaggi: 9175
Iscritto il: 21 gen 2007, 14:34

0
voti

[25] Re: Attivazione/Disattivazione dispositivo elettrico

Messaggioda Foto Utentetixy » 21 gen 2012, 19:07

Scusatemi se sono insistente, ma non riesco a "intuire" il percorso che fa la corrente ad ogni azione (pressione) e conseguente reazione. Perciò mi sarebbe più comodo uno schema come lo Immagine
schema inserito da "admin" per spiegare i relè; e comunque il relè "a tempo" non va bene per il mio caso perché devo avere tutto il tempo che voglio da quando premo B a quando vado a spegnere l'allarme. ^_^
Ultima modifica di Foto Utenteadmin il 9 feb 2012, 14:50, modificato 2 volte in totale.
Motivazione: per immagini interne al sito si può usare il tag img. NB:L'articolo è di Enrico Biagi
Avatar utente
Foto Utentetixy
65 1 3
New entry
New entry
 
Messaggi: 75
Iscritto il: 18 gen 2012, 14:49

0
voti

[26] Re: Attivazione/Disattivazione dispositivo elettrico

Messaggioda Foto Utenteattilio » 21 gen 2012, 19:12

comunque il relè "a tempo" non va bene per il mio caso perché devo avere tutto il tempo che voglio prima di andare a spegnere l'allarme.

Il relè temporizzatore (K2) del mio schema, non ti limita in quel senso. La sua azione può solo richiedere di mantenere la pressione sul pulsante A per almeno un secondo o due (per sicurezza).

Cerco di fare un' illustrazione passo-passo, dammi un po' di tempo.
Ognuno sta solo sul cuor della terra
trafitto da un raggio di sole:
ed è subito sera


Salvatore Quasimodo
Avatar utente
Foto Utenteattilio
61,5k 8 12 13
free expert
 
Messaggi: 9175
Iscritto il: 21 gen 2007, 14:34

0
voti

[27] Re: Attivazione/Disattivazione dispositivo elettrico

Messaggioda Foto Utentetixy » 21 gen 2012, 19:17

:ok:

^_^
Avatar utente
Foto Utentetixy
65 1 3
New entry
New entry
 
Messaggi: 75
Iscritto il: 18 gen 2012, 14:49

0
voti

[28] Re: Attivazione/Disattivazione dispositivo elettrico

Messaggioda Foto UtenteStefanoSunda » 21 gen 2012, 19:21

Attilio fa un “marcia-arresto” la marcia stanza A – lo stop stanza B – contatto di ritenuta + sirena.
Avatar utente
Foto UtenteStefanoSunda
2.885 3 6 10
Master
Master
 
Messaggi: 1965
Iscritto il: 16 set 2010, 19:29

2
voti

[29] Re: Attivazione/Disattivazione dispositivo elettrico

Messaggioda Foto Utenteattilio » 21 gen 2012, 19:48

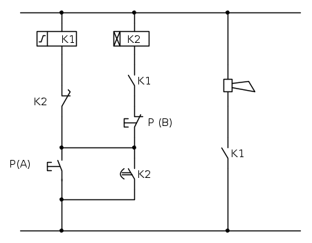
Dunque, dando per assodato lo schema con "circuito a riposo" (il precedente che tu stesso hai ri-postato), passiamo direttamente al primo step:

FASE 1
Il seguente schema illustra lo stato dei contatti successivamente alla pressione del pulsante P (A). In rosso sono evidenziati i contatti commutati.



FASE 2
Abbiamo appena lasciato il circuito con P(A) inibito, vediamo ora cosa accade premendo il pulsante P(B):



FASE 3
A questo punto, tacitiamo la sirena, premendo nuovamente P(A) e vediamo cosa succede:



A questo punto, dovremmo ritrovarci nelle condizioni di partenza, col circuito pronto ad un' altra sequenza di manovre.

Resta da verificare che durante le transizioni (Fase 2 e Fase 3) durante la commutazione dei contatti di K2 (ritorno allo stato di quiete) non si venga ad avere un' attivazione involontaria del relè K1 che taciterebbe la sirena prima del "secondo" comando di P(A), ma penso di no.

Fammi sapere se ora la cosa è un po' più chiara di prima...
Ognuno sta solo sul cuor della terra
trafitto da un raggio di sole:
ed è subito sera


Salvatore Quasimodo
Avatar utente
Foto Utenteattilio
61,5k 8 12 13
free expert
 
Messaggi: 9175
Iscritto il: 21 gen 2007, 14:34

1
voti

[30] Re: Attivazione/Disattivazione dispositivo elettrico

Messaggioda Foto UtenteCox » 23 gen 2012, 12:31

Siccome mi piace quando non è indispensabile evitare l'utilizzo di temporizzatori o relè con funzioni particolari e mi piace anche utilizzare il minor numero di componenti possibile in quanto costa meno e c'è meno roba che si rompe avrei pensato a questo.



fa esattamente le funzioni che occorrono, l'unico componente diciamo... particolare, è il pulsante A che dovrà essere del tipo con contatto in scambio anzichè semplicemente normalmente aperto, per i relè andrà bene qualsiasi tipo di monostabile reperibile in commercio con tensione di lavoro a scelta, utilizzando lo schema in questo modo la tensione del diffusore acustico sarà uguale a quella che si utilizzerà per alimentare i relè.
Avatar utente
Foto UtenteCox
333 2 6
Stabilizzato
Stabilizzato
 
Messaggi: 320
Iscritto il: 9 dic 2010, 17:46

PrecedenteProssimo

Torna a Impianti, sicurezza e quadristica

Chi c’è in linea

Visitano il forum: Google [Bot] e 110 ospiti