comparatore non funziona
Moderatori:
carloc,
g.schgor,
BrunoValente,
IsidoroKZ
9 messaggi
• Pagina 1 di 1
0
voti
GrazieSalve, sto usando un un lm339n per utilizzarlo come comparatore ma non riesco a farlo funzionare... in poche parole invece di avere in uscita o 0v o +Vsat mi trovo ad avere o 0v o pochi millivolt... inoltre l'uscita del comparatore aumenta la tensione all' aumentare della resistenza che gli applico ma senza mai arivare a +Vsat neanche lontanamente, non dovrebbe essere costante? ho provato a cambire piu integrati ma niente. una cosa simile mi succede usando anche un lm 741cn, se in uscita non ho almeno 2k prima di gnd non va in saturazione ma resta a pochi volt, quindi penso mi sfugga qualcosa... L' operazionale è alimentato a 12-0 V.
0
voti
Schema con FidoCadJ, altrimenti non si capisce nulla. Poi ne riparliamo.
It's a sin to write
instead of
(Anonimo).
...'cos you know that
ain't
, right?
You won't get a sexy tan if you write
in lieu of
.
Take a log for a fireplace, but don't take
for
arithm.
instead of
(Anonimo)....'cos you know that
ain't
, right?You won't get a sexy tan if you write
in lieu of
.Take a log for a fireplace, but don't take
for
arithm.-

DirtyDeeds
55,9k 7 11 13 - G.Master EY

- Messaggi: 7012
- Iscritto il: 13 apr 2010, 16:13
- Località: Somewhere in nowhere
1
voti
I comparatori che hai usato sono degli open collector, ti serve una resistenza di pull up sull'uscita, il datasheet dell'LM339N consiglia 10 kΩ.
-

marioursino
5.687 3 9 13 - G.Master EY

- Messaggi: 1598
- Iscritto il: 5 dic 2009, 4:32
0
voti
L' uscita serve a manovrare il gate di un scr, con 10k la tensione arriva a 0.5V.
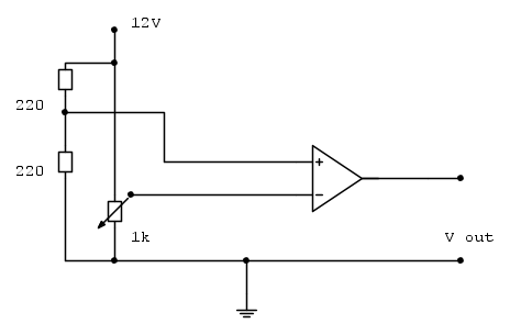
Ma in teoria misurando la tensione in uscita dall AO senza collegarla a niente come nel disegno non dovrei trovarmi una tensione vicina a vcc?
Grazie
Ma in teoria misurando la tensione in uscita dall AO senza collegarla a niente come nel disegno non dovrei trovarmi una tensione vicina a vcc?
Grazie
1
voti
No. Con l'uscita flottante avrai sempre 0 V o alta impedenza, quindi con il tester misurerai sempre 0 V. La resistenza di pull up va inserita così:
Se vuoi evitare la resistenza di pull up devi usare un operazionale push-pull come l'LM338. Se la presenza della resistenza influenza negativamente il pilotaggio della giunzione del diodo SCR (non li ho mai usati e non ne ho idea) puoi usare un transistor aggiuntivo (BJT o MOS) per garantirne il giusto comportamento ma non credo sia necessario.
Se vuoi evitare la resistenza di pull up devi usare un operazionale push-pull come l'LM338. Se la presenza della resistenza influenza negativamente il pilotaggio della giunzione del diodo SCR (non li ho mai usati e non ne ho idea) puoi usare un transistor aggiuntivo (BJT o MOS) per garantirne il giusto comportamento ma non credo sia necessario.
-

marioursino
5.687 3 9 13 - G.Master EY

- Messaggi: 1598
- Iscritto il: 5 dic 2009, 4:32
0
voti
Ok grazie mille ora va, ho dovuto solo aggiungere un diodo prima del gate dell' scr altrimenti questo non restava in conduzione e togliendogli tensione si spegneva l' effetto valanga. per ora sembra tutto a posto grazie mille per l' aiuto.
9 messaggi
• Pagina 1 di 1
Chi c’è in linea
Visitano il forum: Nessuno e 198 ospiti

Elettrotecnica e non solo (admin)
Un gatto tra gli elettroni (IsidoroKZ)
Esperienza e simulazioni (g.schgor)
Moleskine di un idraulico (RenzoDF)
Il Blog di ElectroYou (webmaster)
Idee microcontrollate (TardoFreak)
PICcoli grandi PICMicro (Paolino)
Il blog elettrico di carloc (carloc)
DirtEYblooog (dirtydeeds)
Di tutto... un po' (jordan20)
AK47 (lillo)
Esperienze elettroniche (marco438)
Telecomunicazioni musicali (clavicordo)
Automazione ed Elettronica (gustavo)
Direttive per la sicurezza (ErnestoCappelletti)
EYnfo dall'Alaska (mir)
Apriamo il quadro! (attilio)
H7-25 (asdf)
Passione Elettrica (massimob)
Elettroni a spasso (guidob)
Bloguerra (guerra)



