Be' se non sai quanta corrente assorbe il relè e non sai misurarla, puoi almeno misurare la resistenza in ohm della bobina.
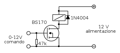
Comunque se il relè non è grande e se sei sotto i 100mA la soluzione più semplice per la tua applicazione è il mosfet e puoi utilizzare pari pari lo schema che già ti ho postato e che riporto qui con i componenti adatti.
Utilizzando il mosfet hai alcuni vantaggi: non assorbe corrente dal comando, si chiude con una tensione di ingresso compresa tra qualche volt e una quindicina di volt, la tensione in ingresso può scendere fino ad una quindicina di volt negativi senza problemi, con un transistor non sarebbe possibile e occorrerebbe proteggerlo in qualche modo.
Per contro, avendo il mosfet una impedenza di ingresso prossima all'infinito, è sensibile alle cariche elettrostatiche e a tutto quello che, proprio a causa dell'alta impedenza, potrebbe facilmente far innalzare molto il potenziale del gate rispetto a quello del source e del drain e che quindi potrebbe danneggiarlo, ma questo solo prima di essere saldato al circuito, quindi occorre un minimo di precauzioni nel montarlo.
La resistenza da 47k in parallelo all'ingresso in effetti non serve al normale funzionamento ma l'ho messa per garantire la non rottura del mosfet nel caso venisse scollegato il cavo di collegamento al comando (se ad esempio volessi utilizzare un connettore per la seriale), per evitare cioè che il gate con la sua alta impedenza, rimanendo appeso, possa essere esposto al pericolo di innalzamento accidentale del suo potenziale.
Il mosfet lo trovi qui e il datasheet è questo
Dimenticavo: i normali operazionali in genere non erogano in uscita una corrente sufficiente per pilotare direttamente un relè: sarebbe comunque stato necessario un transistor o un mosfet per amplificare la corrente e quindi...
Dubbio su amplificazione di corrente
Moderatori:
carloc,
g.schgor,
BrunoValente,
IsidoroKZ
15 messaggi
• Pagina 2 di 2 • 1, 2
0
voti
Ragazzi, non mi resta che ringraziarvi per le puntuali e precise soluzioni proposte
grazie!
Non ho mai usato il mosfet, ma visto che me lo avete consigliato vedrò di leggere qualcosa in proposito...in ogni caso comunque se applico una tensione al source, chiudo il contatto drain-gate (e se la tolgo lo apro)?
Bisogna polarizzarlo in qualche maniera o basta solo il circuito proposto da BrunoValente?
grazie!
Non ho mai usato il mosfet, ma visto che me lo avete consigliato vedrò di leggere qualcosa in proposito...in ogni caso comunque se applico una tensione al source, chiudo il contatto drain-gate (e se la tolgo lo apro)?
Bisogna polarizzarlo in qualche maniera o basta solo il circuito proposto da BrunoValente?
0
voti
inoff ha scritto:...in ogni caso comunque se applico una tensione al source, chiudo il contatto drain-gate (e se la tolgo lo apro)?
No, attenzione: il source è il polo comune tra il circuito di comando e quello comandato e va quindi collegato al negativo dell'alimentazione.
Se alzi il potenziale del gate rispetto al source va in conduzione tra drain e source.
inoff ha scritto:Bisogna polarizzarlo in qualche maniera o basta solo il circuito proposto da BrunoValente?
Be', se non ti fidi di me, non posso essere io a risponderti
-

BrunoValente
39,6k 7 11 13 - G.Master EY

- Messaggi: 7796
- Iscritto il: 8 mag 2007, 14:48
0
voti
ah ok ho capito!
E chi l'ha detto?! anzi...
ci mancherebbe
BrunoValente ha scritto:Be', se non ti fidi di me, non posso essere io a risponderti
E chi l'ha detto?! anzi...
ci mancherebbe
0
voti
Vista la dispersione delle caratteristiche dei MOS, un paio di operazionali per stabilizzare la polarizzazione ce li metterei, o anche un microcontrollore, ma per fare questo bisogna conoscere quanto deve essere la corrente assorbita dal carico e la resistenza stessa del carico.
Per usare proficuamente un simulatore, bisogna sapere molta più elettronica di lui
Plug it in - it works better!
Il 555 sta all'elettronica come Arduino all'informatica! (entrambi loro malgrado)
Se volete risposte rispondete a tutte le mie domande
Plug it in - it works better!
Il 555 sta all'elettronica come Arduino all'informatica! (entrambi loro malgrado)
Se volete risposte rispondete a tutte le mie domande
15 messaggi
• Pagina 2 di 2 • 1, 2
Chi c’è in linea
Visitano il forum: Nessuno e 44 ospiti

Elettrotecnica e non solo (admin)
Un gatto tra gli elettroni (IsidoroKZ)
Esperienza e simulazioni (g.schgor)
Moleskine di un idraulico (RenzoDF)
Il Blog di ElectroYou (webmaster)
Idee microcontrollate (TardoFreak)
PICcoli grandi PICMicro (Paolino)
Il blog elettrico di carloc (carloc)
DirtEYblooog (dirtydeeds)
Di tutto... un po' (jordan20)
AK47 (lillo)
Esperienze elettroniche (marco438)
Telecomunicazioni musicali (clavicordo)
Automazione ed Elettronica (gustavo)
Direttive per la sicurezza (ErnestoCappelletti)
EYnfo dall'Alaska (mir)
Apriamo il quadro! (attilio)
H7-25 (asdf)
Passione Elettrica (massimob)
Elettroni a spasso (guidob)
Bloguerra (guerra)

