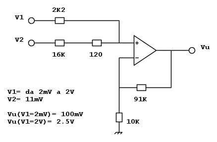
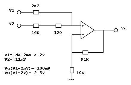
giuliotheboss ha scritto:.allora se chiedevo, dall'inizio, solo come portare 20uv a 100mv e 20mv a 2.5 V me lo dicevi?
No, ti avrei chiesto perché lo volevi fare e saremmo arrivati alle stesse domande. Continuo a dirti che secondo me la tua/vostra soluzione (quella di amplificare una tensione) è sbagliata, perché usando un amplificatore a transresistenza avreste errori molto minori. Se devi amplificare 20 µV, l'offset e le derive dell'amplificatore contano moltissimo; con l'amplificatore a transresistenza, nel tuo caso, potrebbero contare molto meno. Però senza dati specifici non si può dire di più.
- Che scuola fai? Superiori/università, indirizzo, anno.
- Cosa insegna il tuo prof?

Elettrotecnica e non solo (admin)
Un gatto tra gli elettroni (IsidoroKZ)
Esperienza e simulazioni (g.schgor)
Moleskine di un idraulico (RenzoDF)
Il Blog di ElectroYou (webmaster)
Idee microcontrollate (TardoFreak)
PICcoli grandi PICMicro (Paolino)
Il blog elettrico di carloc (carloc)
DirtEYblooog (dirtydeeds)
Di tutto... un po' (jordan20)
AK47 (lillo)
Esperienze elettroniche (marco438)
Telecomunicazioni musicali (clavicordo)
Automazione ed Elettronica (gustavo)
Direttive per la sicurezza (ErnestoCappelletti)
EYnfo dall'Alaska (mir)
Apriamo il quadro! (attilio)
H7-25 (asdf)
Passione Elettrica (massimob)
Elettroni a spasso (guidob)
Bloguerra (guerra)
instead of
(Anonimo).
ain't
, right?
in lieu of
.
for
arithm.


