da
RenzoDF » 6 feb 2012, 9:21
Emilio3000 ha scritto:....se per caso c'è qualcuno armato di calcolatore elettronico e buona volontà che mi posta tutta la soluzione passaggio per passaggio con il metodo delle correnti di maglia mi fa un enorme piacere.
Passaggio per passaggio te lo farai tu, io ti posto la soluzione al calcolatore con Maxima

- 2012-02-06_083148.gif (9.43 KiB) Osservato 2199 volte
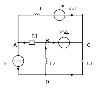
a) in %i4 ho inserito i dati del problema
b) in %i5, %i6 e %i7 ho inserito le equazioni alle maglie
c) in %i8 ho risolto il sistema
d) in %11 ho calcolato la potenza sul resistore
Emilio3000 ha scritto:... Inoltre se è possibile vorrei che mi giustificaste il margine di errore nel caso ci sia....

Emilio3000 ha scritto:....il risultato dell' esercizio svolto con il metodo della sovrapposizione degli effetti è 9.42 W (chiedo questo perché ...vorrei sapere perché è circa 3 volte superiore?)
Perche' i due Dottori, pur con la supervisione del Professore, sono riusciti a sbagliare ugualmente i calcoli.

... e sono anche riusciti a scegliere il peggior metodo risolutivo.
-------------------------------------
Edit 6 Febbraio ... aggiungo lo schema utilizzato per la scrittura del sistema