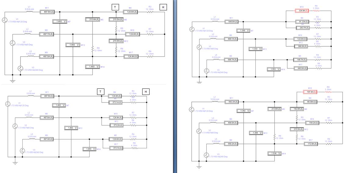
Con riferimento all'immagine allegata, i due circuiti a sinistra sono equivalenti dal punto di vista dei generatori così come mostra la simulazione fatta con Electonic WorkBanch. La stessa simulazione però mostra che non sono equivalenti dal punto di vista dei punti T ed H quando tra questi due punti viene connesso un resistore di valore R.
Nel risolvere i due circuiti ho usato due strategie diverse e di queste in una ho applicato il teorema di Thevenin ai punti T H ( figura in basso a destra); in tutte e due i casi ho ottenuto i risultati mostrati dalle rispettive simulazioni.
Non so più qual è il risultato corretto... aiutatemi a capire, Grazie
Dubbi su soluzioni di un circuito trifase
Moderatori:
g.schgor,
IsidoroKZ
14 messaggi
• Pagina 1 di 2 • 1, 2
0
voti
Ultima modifica di
freccia1956 il 9 feb 2012, 0:53, modificato 3 volte in totale.
-

freccia1956
16 4 - New entry

- Messaggi: 50
- Iscritto il: 11 apr 2011, 22:26
0
voti
Specifico che Il risultato cercato è il valore della corrente nel resistore esterno connesso tra T ed H
-

freccia1956
16 4 - New entry

- Messaggi: 50
- Iscritto il: 11 apr 2011, 22:26
0
voti
Secondo me dovresti postare lo schema del circuito con fidocadj in modo da poterlo visualizzare con chiarezza 
Emanuele Lorina
- Chi lotta contro i mostri deve fare attenzione a non diventare lui stesso un mostro. E se tu riguarderai a lungo in un abisso, anche l'abisso vorrà guardare dentro di te (F. Nietzsche)
- Tavole della legge by admin
- Chi lotta contro i mostri deve fare attenzione a non diventare lui stesso un mostro. E se tu riguarderai a lungo in un abisso, anche l'abisso vorrà guardare dentro di te (F. Nietzsche)
- Tavole della legge by admin
-

Lele_u_biddrazzu
8.154 3 8 13 - Master EY

- Messaggi: 1288
- Iscritto il: 23 gen 2007, 16:13
- Località: Modena
0
voti
Sono diversi in quanto con il resistore presente non e piu' possibile collegare il centrostella della stella trasformata con il centro stella destro del sistema, in quanto il resistore porta ad avere un sistema squilibrato.
"Il circuito ha sempre ragione" (Luigi Malesani)
0
voti
@RenzoDF, ma allora quale dei due risultati devo considerare corretto ?
-

freccia1956
16 4 - New entry

- Messaggi: 50
- Iscritto il: 11 apr 2011, 22:26
0
voti
freccia1956 ha scritto:@RenzoDF, ma allora quale dei due risultati devo considerare corretto ?
Se la rete iniziale e' quella senza la semplificazione del triangolo, la seconda; in sostanza non puoi collegare un bipolo ad una rete semplificata, che e' equivalente all'originale solo come comportamento ai morsetti.
"Il circuito ha sempre ragione" (Luigi Malesani)
0
voti
dunque il circuito va risolto con Thevenin e mai diversamente... è giusto ?
-

freccia1956
16 4 - New entry

- Messaggi: 50
- Iscritto il: 11 apr 2011, 22:26
0
voti
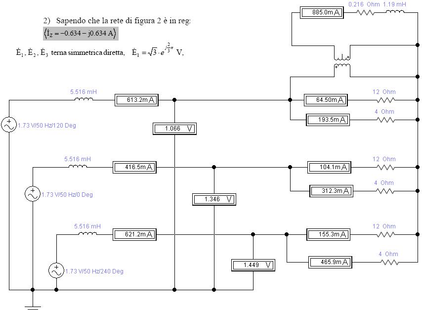
posto un'immagine più chiara.
Il circuito di partenza vedeva tre resistori di 12 ohm connessi a triangolo, trasformati in un secondo momento a stella ( R = 4 Ohm) e connessi in parallelo alle R di 12 Ohm della stella a destra.
Ho applicato Thevenin ai suddetti punti T H ed ho risolto. il risultato coincide esattamente sia in modulo e fase con quello annotato dal Prof in un compito di esami degli anni passati.
Tu dici che non posso applicare un bipolo ad una rete semplificata, ma la stella formata dal parallelo di R=4 Ohm ed R=12 Ohm non è una rete semplificata ? e allora non capisco... non sarà che il Prof avrà sbagliato a trascrivere il risultato ? Ciao e grazie tante.
Il circuito di partenza vedeva tre resistori di 12 ohm connessi a triangolo, trasformati in un secondo momento a stella ( R = 4 Ohm) e connessi in parallelo alle R di 12 Ohm della stella a destra.
Ho applicato Thevenin ai suddetti punti T H ed ho risolto. il risultato coincide esattamente sia in modulo e fase con quello annotato dal Prof in un compito di esami degli anni passati.
Tu dici che non posso applicare un bipolo ad una rete semplificata, ma la stella formata dal parallelo di R=4 Ohm ed R=12 Ohm non è una rete semplificata ? e allora non capisco... non sarà che il Prof avrà sbagliato a trascrivere il risultato ? Ciao e grazie tante.
-

freccia1956
16 4 - New entry

- Messaggi: 50
- Iscritto il: 11 apr 2011, 22:26
0
voti
Scusa ma forse non ci capiamo, io vorrei vedere il testo e lo schema originale, possibilmente in FidoCadJ, e soprattutto senza nessuna trasformazione; se mi dici che i tre resistori in origine erano collegati a triangolo lasciali a triangolo.
Se non vedo il testo completo di virgole, i dati e la situazione iniziale, non riesco a capirci nulla
Se poi mi fai "apparire" :
a) un trasformatore senza specificarne le caratteristiche
b) con l'aggiunta di un induttore addizionale al secondario, che non compariva nei precedenti schemi,
come pensi io possa risolvere l'enigma di questa rete "in reg" (btw che vo di' in reg? )
Cercando di indovinare la configurazione, vorrei comunque sottolineare che se il trasformatore fosse connesso in parallelo al resistore R3 della stella destra, la trasformazione triangolo stella dei tre resistori R5-R6-R7 da 12 ohm, pur possibile, sarebbe completamente inutile, in quanto il centro della stella ottenuta, non sarebbe allo stesso potenziale:
né del centro stella della stella destra (R3-R7-R4), a causa del riporto al primario dell'impedenza secondaria, che verrebbe a portare i due suddetti potenziali a valori diversi
né del potenziale di riferimento dei generatori, vista la presenza dei tre induttori serie.
Chiaramente, applicando Thevenin, nel calcolo della tensione "a vuoto", possiamo unire i centri stella per ottenere una stella equivalente complessiva da tre ohm e, anche se poi il calcolo dell'impedenza equivalente non e' proprio immediato, questo e' di sicuro il miglior metodo risolutivo, viste le richieste del problema.
BTW posso sapere: dove studi? ... cosa studi? ... come si chiama il tuo Proff. ?
BTW2 la semplificazione triangolo stella, porta ad una rete equivalente solo come comportamento fra i tre morsetti comuni, ovvero una volta trasformato un triangolo in una stella non posso connettere il centro stella ad un altro punto se non nel caso particolarissimo di equipotenzialita'.
Se non vedo il testo completo di virgole, i dati e la situazione iniziale, non riesco a capirci nulla
Se poi mi fai "apparire" :
a) un trasformatore senza specificarne le caratteristiche
b) con l'aggiunta di un induttore addizionale al secondario, che non compariva nei precedenti schemi,
come pensi io possa risolvere l'enigma di questa rete "in reg" (btw che vo di' in reg? )
Cercando di indovinare la configurazione, vorrei comunque sottolineare che se il trasformatore fosse connesso in parallelo al resistore R3 della stella destra, la trasformazione triangolo stella dei tre resistori R5-R6-R7 da 12 ohm, pur possibile, sarebbe completamente inutile, in quanto il centro della stella ottenuta, non sarebbe allo stesso potenziale:
né del centro stella della stella destra (R3-R7-R4), a causa del riporto al primario dell'impedenza secondaria, che verrebbe a portare i due suddetti potenziali a valori diversi
né del potenziale di riferimento dei generatori, vista la presenza dei tre induttori serie.
Chiaramente, applicando Thevenin, nel calcolo della tensione "a vuoto", possiamo unire i centri stella per ottenere una stella equivalente complessiva da tre ohm e, anche se poi il calcolo dell'impedenza equivalente non e' proprio immediato, questo e' di sicuro il miglior metodo risolutivo, viste le richieste del problema.
BTW posso sapere: dove studi? ... cosa studi? ... come si chiama il tuo Proff. ?
BTW2 la semplificazione triangolo stella, porta ad una rete equivalente solo come comportamento fra i tre morsetti comuni, ovvero una volta trasformato un triangolo in una stella non posso connettere il centro stella ad un altro punto se non nel caso particolarissimo di equipotenzialita'.
"Il circuito ha sempre ragione" (Luigi Malesani)
0
voti
ecco il testo completo.
Ultima modifica di
admin il 9 feb 2012, 16:42, modificato 2 volte in totale.
Motivazione: Inserita l'immagine in linea con il testo per evitare lo sconfinamento a destra
Motivazione: Inserita l'immagine in linea con il testo per evitare lo sconfinamento a destra
-

freccia1956
16 4 - New entry

- Messaggi: 50
- Iscritto il: 11 apr 2011, 22:26
14 messaggi
• Pagina 1 di 2 • 1, 2
Torna a Elettrotecnica generale
Chi c’è in linea
Visitano il forum: Nessuno e 28 ospiti

Elettrotecnica e non solo (admin)
Un gatto tra gli elettroni (IsidoroKZ)
Esperienza e simulazioni (g.schgor)
Moleskine di un idraulico (RenzoDF)
Il Blog di ElectroYou (webmaster)
Idee microcontrollate (TardoFreak)
PICcoli grandi PICMicro (Paolino)
Il blog elettrico di carloc (carloc)
DirtEYblooog (dirtydeeds)
Di tutto... un po' (jordan20)
AK47 (lillo)
Esperienze elettroniche (marco438)
Telecomunicazioni musicali (clavicordo)
Automazione ed Elettronica (gustavo)
Direttive per la sicurezza (ErnestoCappelletti)
EYnfo dall'Alaska (mir)
Apriamo il quadro! (attilio)
H7-25 (asdf)
Passione Elettrica (massimob)
Elettroni a spasso (guidob)
Bloguerra (guerra)
