Cos'è ElectroYou | Login Iscriviti

ElectroYou - la comunità dei professionisti del mondo elettrico

Quale relè usare?

Elettronica lineare e digitale: didattica ed applicazioni

Moderatori: Foto Utentecarloc, Foto Utenteg.schgor, Foto UtenteBrunoValente, Foto UtenteIsidoroKZ

0
voti

[11] Re: Quale relè usare?

Messaggioda Foto UtenteVincenzoP89 » 15 feb 2012, 22:02

ok cercherò, grazie mille.

Appena l'ho fatto vi farò sapere! O_/
Avatar utente
Foto UtenteVincenzoP89
0 2
 
Messaggi: 17
Iscritto il: 30 gen 2012, 20:30

0
voti

[12] Re: Quale relè usare?

Messaggioda Foto Utentedonciccio » 16 feb 2012, 12:43

se dopo tu riesci a trovare un rele da 9V con una resistenza della bobina uguale o superiore a 200ohm(in commercio ci sono,eccone uno:tianbo hjr-3ff-s-z 9v),il circuito si puo semplificare ulteriormente,dato che l'ne555 puo erogare minimo 100mA,lo si puo collegare direttamente al pin3 (la corrente in uscita con questo rele risulterebbe di 45mA quindi ci stiamo):
Avatar utente
Foto Utentedonciccio
574 2 6 7
Sostenitore
Sostenitore
 
Messaggi: 857
Iscritto il: 15 ago 2010, 10:43

0
voti

[13] Re: Quale relè usare?

Messaggioda Foto UtenteVincenzoP89 » 16 feb 2012, 14:29

A breve mi comprerò una Bread board e proverò anche questo, perché mi serve per una luce vicino al citofono!

Ma il diodo è sempre IN 4004 o nell'ultimo schema cambia ed è 1n 4004?

Grazie mille
Avatar utente
Foto UtenteVincenzoP89
0 2
 
Messaggi: 17
Iscritto il: 30 gen 2012, 20:30

0
voti

[14] Re: Quale relè usare?

Messaggioda Foto UtenteVincenzoP89 » 16 feb 2012, 15:24

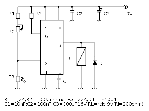
Immagine

Qui hai cambiato anche C3 rispetto al mio circuito?

E il C1 nel mio circuito sarebbe il C2 del tuo circuito solamente spostato di posizione?

Scusa ma mi sono venuti sti dubbi perché mi sto scrivendo una lista dei componenti da comprare! O_/
Avatar utente
Foto UtenteVincenzoP89
0 2
 
Messaggi: 17
Iscritto il: 30 gen 2012, 20:30

0
voti

[15] Re: Quale relè usare?

Messaggioda Foto Utentedonciccio » 17 feb 2012, 16:56

1N4004 o 1n4004 indicano sempre lo stesso componente,cioe un diodo raddrizzatore al silicio(d'altronde basta googlare per verificare);
i condensatori che ho inserito nei circuiti che ti ho postato vanno bene uguale
Avatar utente
Foto Utentedonciccio
574 2 6 7
Sostenitore
Sostenitore
 
Messaggi: 857
Iscritto il: 15 ago 2010, 10:43

0
voti

[16] Re: Quale relè usare?

Messaggioda Foto UtenteVincenzoP89 » 22 feb 2012, 21:31

Mi è arrivata oggi la Bread Board cosi mi sono messo subito a fare il circuito!

Mi scuso per i cavi multi color ma è la prima volta che uso la bread board e non ho molti attrezzi a mia disposizione quindi ho recuperato dei fili da un cavo per la video sorveglianza.

Il circuito per adesso è alimentato con la 9 V, manca il relè che va collegato al lungo cavo marrone a destra e al pezzo di cavo verde in alto a sinistra che esce dall'immagine.

Foto:

http://www.comesidevefare.it/vincenzo/IMG_0482.JPG

E qui sotto il video!

http://www.youtube.com/watch?v=lSOJTPV3X7o&feature=youtube_gdata

Una sola domanda, cosi com'è adesso posso tranquillamente alimentarlo con la 12 v?
perché ho i relè da 12v!

Grazie per l'aiuto donciccio !

p.s.

Se hai altri consigli da darmi li accetto ben volentieri! O_/

Edit marco438: Le foto vanno postate direttamente sul forum (640x480 pixel) usando il comando "invia allegato". No server esterni!
Avatar utente
Foto UtenteVincenzoP89
0 2
 
Messaggi: 17
Iscritto il: 30 gen 2012, 20:30

0
voti

[17] Re: Quale relè usare?

Messaggioda Foto Utentedonciccio » 22 feb 2012, 22:33

il circuito funziona sia a 9V che a 12V,devi solo cambiare il rele;se trovi un rele da 12V con una resistenza della bobina di almeno 250ohm,puoi fare a meno del transistor
Avatar utente
Foto Utentedonciccio
574 2 6 7
Sostenitore
Sostenitore
 
Messaggi: 857
Iscritto il: 15 ago 2010, 10:43

0
voti

[18] Re: Quale relè usare?

Messaggioda Foto UtenteVincenzoP89 » 23 feb 2012, 1:35

Ok grazie mille!
Avatar utente
Foto UtenteVincenzoP89
0 2
 
Messaggi: 17
Iscritto il: 30 gen 2012, 20:30

0
voti

[19] Re: Quale relè usare?

Messaggioda Foto UtenteVincenzoP89 » 23 feb 2012, 17:41

Vorrei aggiungere che ho messo il relè da 12 volt, la bobina aveva 200 ohm di resistenza cosi ci ho aggiunto in seria una resistenza da 100 ohm.

E ho levato R1 perché altrimenti dovevo settare il trimmer al minimo della resistenza altrimenti non funzionava.

Levando R1 posso lasciare il trimmer a circa 1/4 della sua resistenza cosi ho un po' di regolazione!


Ciao!

donciccio ha scritto:col primo schema devi usare il contatto nc(normalmente chiuso del rele),pero è piu logico questo schema dove collegherai l'utenza al contatto na(normalmente aperto) del rele:
Avatar utente
Foto UtenteVincenzoP89
0 2
 
Messaggi: 17
Iscritto il: 30 gen 2012, 20:30

0
voti

[20] Re: Quale relè usare?

Messaggioda Foto Utentedonciccio » 23 feb 2012, 23:44

se hai realizzato questo schema,non occorre mettere in serie alla bobina del rele una resistenza,puo darsi che funziona lo stesso,pero puoi rendere incerta la commutazione
Avatar utente
Foto Utentedonciccio
574 2 6 7
Sostenitore
Sostenitore
 
Messaggi: 857
Iscritto il: 15 ago 2010, 10:43

Precedente

Torna a Elettronica generale

Chi c’è in linea

Visitano il forum: Nessuno e 214 ospiti