E dire che parliamo del comando a relè maggiormente diffuso, almeno in ambito "civile"
Comando luce da due punti
Moderatori:
sebago,
MASSIMO-G,
lillo,
Mike
31 messaggi
• Pagina 2 di 4 • 1, 2, 3, 4
0
voti
Qualcuno vuole inserire qualche altro schema?
E dire che parliamo del comando a relè maggiormente diffuso, almeno in ambito "civile"
E dire che parliamo del comando a relè maggiormente diffuso, almeno in ambito "civile"
Ognuno sta solo sul cuor della terra
trafitto da un raggio di sole:
ed è subito sera
Salvatore Quasimodo
trafitto da un raggio di sole:
ed è subito sera
Salvatore Quasimodo
3
voti
In realtà... dipende.
Ovviamente si interrompe la fase sul carico (lampade), ma (con i relè ad impulsi elettronici) i pulsanti si possono collegare in entrambi i modi, in base al tipo di collegamento (3 o 4 "fili")
Vedi questo schema a pag. 6
http://gfinder.findernet.com//assets/Se ... /S13IT.pdf
da due punti, in genere, non uso mai un relè. Faccio la classica deviata.
Ovviamente si interrompe la fase sul carico (lampade), ma (con i relè ad impulsi elettronici) i pulsanti si possono collegare in entrambi i modi, in base al tipo di collegamento (3 o 4 "fili")
Vedi questo schema a pag. 6
http://gfinder.findernet.com//assets/Se ... /S13IT.pdf
da due punti, in genere, non uso mai un relè. Faccio la classica deviata.
in /dev/null no one can hear you scream
2
voti
Io sono d'accordo con
Mike, non uso mai interrompere il neutro, nemmeno per i pulsanti. E' vero che gli schemi lo prevedono, ma in genere per il comando viene usato un colore diverso dal blu, e a mio parere in un impianto, questo non è corretto.
Porto solo a titolo di esempio, cosa mi è successo non tantissimo tempo fa. Ho aggiunto un PIR ad un comando a pulsante per un campanello; per funzionare correttamente però, il rilevatore doveva interrompere per forza la fase. Ho dovuto girare nei pulsanti "visibili", il comando sulla fase. Dopo non troppo tempo è stato premuto un pulsante seminascosto ancora collegato al neutro. Risultato: un bel corto e PIR che ho dovuto sostituire gratis.
La colpa era mia, visto che non ho controllato tutto sufficientemente bene, comunque rimane il fatto che la colorazione dei cavi risulta in quel caso, fuorviante.
Porto solo a titolo di esempio, cosa mi è successo non tantissimo tempo fa. Ho aggiunto un PIR ad un comando a pulsante per un campanello; per funzionare correttamente però, il rilevatore doveva interrompere per forza la fase. Ho dovuto girare nei pulsanti "visibili", il comando sulla fase. Dopo non troppo tempo è stato premuto un pulsante seminascosto ancora collegato al neutro. Risultato: un bel corto e PIR che ho dovuto sostituire gratis.
La colpa era mia, visto che non ho controllato tutto sufficientemente bene, comunque rimane il fatto che la colorazione dei cavi risulta in quel caso, fuorviante.
Igor
-

elettrodomus
10,1k 6 11 13 - G.Master EY

- Messaggi: 2607
- Iscritto il: 28 gen 2011, 22:38
- Località: Bassa Bresciana
0
voti
a me a scuola hanno insegnato il contrario dicendomi che secondo la norma il pulsante deve essere usato solo con la fase e non con il neutro .
A prescindere che il relè prenda la fase o il neutro; quando si apre l’interruttore dell’utenza, a lampada spenta non deve esserci tensione.
-

StefanoSunda
2.885 3 6 10 - Master

- Messaggi: 1965
- Iscritto il: 16 set 2010, 19:29
1
voti
Io la penso diversamente, e sono in sintonia con l' ultimo messaggio di
StefanoSunda,
se nello schema di collegamento del relè elettromeccanico a 3 morsetti, messaggio [9], collegate i pulsanti sulla fase e poi al morsetto A2, dovrete per forza di cose portare su A1/1 (unico morsetto) il neutro, di conseguenza il comando al carico interromperà il neutro e non la fase, col risultato di avere la fase diretta ai punti luce.
Sbaglierò ma a me questa soluzione non piace, sono davvero pochi quelli che staccano l' intera alimentazione del circuito interessato durante la sostituzione delle lampade o la pulizia dei punti luce, per questo motivo, quando mi trovo davanti questo tipo di relè è ormai mia abitudine seguire tale collegamento.
se nello schema di collegamento del relè elettromeccanico a 3 morsetti, messaggio [9], collegate i pulsanti sulla fase e poi al morsetto A2, dovrete per forza di cose portare su A1/1 (unico morsetto) il neutro, di conseguenza il comando al carico interromperà il neutro e non la fase, col risultato di avere la fase diretta ai punti luce.
Sbaglierò ma a me questa soluzione non piace, sono davvero pochi quelli che staccano l' intera alimentazione del circuito interessato durante la sostituzione delle lampade o la pulizia dei punti luce, per questo motivo, quando mi trovo davanti questo tipo di relè è ormai mia abitudine seguire tale collegamento.
Ognuno sta solo sul cuor della terra
trafitto da un raggio di sole:
ed è subito sera
Salvatore Quasimodo
trafitto da un raggio di sole:
ed è subito sera
Salvatore Quasimodo
5
voti
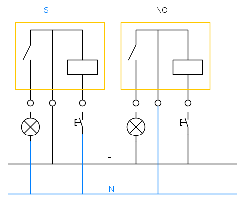
In quel relè che hai portato d'esempio, come ha mostrato
Candy non ci sono alternative al collegamento proposto perché bobina e contatto hanno internamente un terminale in comune. La condizione che prevale e che si deve rispettare è che alla lampada sia portato il neutro.
Ma quando bobina e contatti sono completamente indipendenti la bobina va al neutro ed il pulsante interrompe la fase, come ha detto
Mike, per ragioni di sicurezza.
Se il pulsante interrompe il neutro, un guasto a terra può attivare il relè senza che intervengano le protezioni. Se il pulsante interrompe la fase, questo non succede
Ma quando bobina e contatti sono completamente indipendenti la bobina va al neutro ed il pulsante interrompe la fase, come ha detto
Se il pulsante interrompe il neutro, un guasto a terra può attivare il relè senza che intervengano le protezioni. Se il pulsante interrompe la fase, questo non succede
1
voti
come ha mostrato candy non ci sono alternative
Egli non ha che riportato (in FidoCadJ) lo schema che avevo già inserito al [9] e che penso avesse poche incomprensibilità.
I morsetti erano infatti siglati A2, A1/1 e 2 (lasciamo stare che quello in figura è un commutatore). Mi pare logico che A1/1 faccia capire che quel morsetto funge contemporaneamente da alimentazione bobina e "comune".
Errore mio che ho dato per scontato fin dall' inizio che trattavasi di relè elettromeccanico a 3 fili, ed errore di chi ha interpretato che trattavasi invece di relè a 4 fili.
L' unico che ha detto giusto è
Ognuno sta solo sul cuor della terra
trafitto da un raggio di sole:
ed è subito sera
Salvatore Quasimodo
trafitto da un raggio di sole:
ed è subito sera
Salvatore Quasimodo
1
voti
A margine,
quel discorso sul guasto a massa
admin, pur se sicuramente contemplato dalle norme e dalla "buona tecnica", mi sembra un po' una questione di lana caprina e ne espongo le mie ragioni:
1) Si parla di impianti a posa fissa, che se eseguiti a regola d' arte non dovrebbero permettere un serio deterioramento dell' isolate.
2) C'è sempre la necessità che vi siano masse (o conduttori di protezione) con le quali l' eventuale neutro possa andare in contatto, se non ce ne sono, non c'è possibilità che il guasto si manifesti.
3) Se siamo in un TT, probabilmente un guasto a massa (fig. sinistra) potrebbe già fare intervenire il differenziale [non è detto che ciò avvenga, quindi questo punto non va preso molto in considerazione]
Che poi sia cosa buona e giusta fare in quel modo mi sta anche bene, ma volevo sottolineare solo, come a mio avviso la casistica/probabilità di certi avvenimenti sia in certi casi molto piccola o comunque condizionata dalla bontà dell' installazione.
In questo contesto, quella risposta così assolutistica di
Mike devo dire che mi aveva non poco preoccupato, così come successivamente anche il discorso di
elettrodomus.
Va bene il discorso del guasto a terra, le mie sono solo considerazioni del fatto che prima di prendere una posizione univoca, bisognerebbe guardare la cosa nel suo complesso.
Nel caso del relè in questione e del suo comando (a 3 fili), metto la fase ai pulsanti, scongiuro un problema e poi mi ritrovo con la fase non interrotta a circuito aperto, beh, mi sembra molto più imprudente questo modo di procedere. Tutto qui.
----
Questo discorso, ha una certa analogia col la richiesta della EN 60204-1, relativamente alle macchine/automazioni, di mettere a terra ed equipotenzializzare i comuni delle bobine dei contattori in modo da evitare un avviamento intempestivo in caso di doppio guasto a terra sul ramo dei comandi (così facendo, il primo guasto a terra diventa un cto-cto).
In quel caso però, a mio avviso, la cosa ha molto più senso e ne ho trovato riscontro in diverse occasioni.
quel discorso sul guasto a massa
1) Si parla di impianti a posa fissa, che se eseguiti a regola d' arte non dovrebbero permettere un serio deterioramento dell' isolate.
2) C'è sempre la necessità che vi siano masse (o conduttori di protezione) con le quali l' eventuale neutro possa andare in contatto, se non ce ne sono, non c'è possibilità che il guasto si manifesti.
3) Se siamo in un TT, probabilmente un guasto a massa (fig. sinistra) potrebbe già fare intervenire il differenziale [non è detto che ciò avvenga, quindi questo punto non va preso molto in considerazione]
Che poi sia cosa buona e giusta fare in quel modo mi sta anche bene, ma volevo sottolineare solo, come a mio avviso la casistica/probabilità di certi avvenimenti sia in certi casi molto piccola o comunque condizionata dalla bontà dell' installazione.
In questo contesto, quella risposta così assolutistica di
Va bene il discorso del guasto a terra, le mie sono solo considerazioni del fatto che prima di prendere una posizione univoca, bisognerebbe guardare la cosa nel suo complesso.
Nel caso del relè in questione e del suo comando (a 3 fili), metto la fase ai pulsanti, scongiuro un problema e poi mi ritrovo con la fase non interrotta a circuito aperto, beh, mi sembra molto più imprudente questo modo di procedere. Tutto qui.
----
Questo discorso, ha una certa analogia col la richiesta della EN 60204-1, relativamente alle macchine/automazioni, di mettere a terra ed equipotenzializzare i comuni delle bobine dei contattori in modo da evitare un avviamento intempestivo in caso di doppio guasto a terra sul ramo dei comandi (così facendo, il primo guasto a terra diventa un cto-cto).
In quel caso però, a mio avviso, la cosa ha molto più senso e ne ho trovato riscontro in diverse occasioni.
Ognuno sta solo sul cuor della terra
trafitto da un raggio di sole:
ed è subito sera
Salvatore Quasimodo
trafitto da un raggio di sole:
ed è subito sera
Salvatore Quasimodo
0
voti
Ho scatenato una bella rissa, vedo che ci tenete a far le cose per bene. Credo di essere più sicuro sul come collegare la bobina
Grazie a tutti
Grazie a tutti
31 messaggi
• Pagina 2 di 4 • 1, 2, 3, 4
Torna a Impianti, sicurezza e quadristica
Chi c’è in linea
Visitano il forum: Nessuno e 136 ospiti

Elettrotecnica e non solo (admin)
Un gatto tra gli elettroni (IsidoroKZ)
Esperienza e simulazioni (g.schgor)
Moleskine di un idraulico (RenzoDF)
Il Blog di ElectroYou (webmaster)
Idee microcontrollate (TardoFreak)
PICcoli grandi PICMicro (Paolino)
Il blog elettrico di carloc (carloc)
DirtEYblooog (dirtydeeds)
Di tutto... un po' (jordan20)
AK47 (lillo)
Esperienze elettroniche (marco438)
Telecomunicazioni musicali (clavicordo)
Automazione ed Elettronica (gustavo)
Direttive per la sicurezza (ErnestoCappelletti)
EYnfo dall'Alaska (mir)
Apriamo il quadro! (attilio)
H7-25 (asdf)
Passione Elettrica (massimob)
Elettroni a spasso (guidob)
Bloguerra (guerra)






