Ciao a tutti,
qualcuno di voi ha qualche link utile o dritta particolare per la progettazione di un Gate Driver alta tensione (500VDC) con almeno 8/10A di picco in uscita ?
Vi spiego il problema.
Attualmente sto pilotando un full bridge con 3 MosFET per ramo (12 MosFET in tutto), a 40Khz, utilizzando un gate driver monolitico (questo qui della Silabs ==> SI8234) che eroga 2A in source e 4A in sink. I MosFET per quanto li scelga con Qg la più bassa possibile devo pur sempre tirare almeno 20A di Id cadauno e più di tanto con il Qg non riesco a scendere. Sto utilizzando quindi i Gate driver al limite della loro corrente (14V e 22ohm di Rgate per MOS) e nonostante questo ho delle commutazioni lentissime (sono sui 200/300nSec in rise e 400/500nSec in fall).
Il tutto funziona ma ovviamente i MOS scaldano non tando per la RDS quanto per le perdite in commutazione.
Avevo quindi intenzione di fare una revisione nuova del driver ma senza più usare integrati monolitici ma a discreti, usando dei buffer e facendo gestire il deadtime al micro (attualmente è gestito dagli Si8234).
Un'idea generale di come farlo ce l'ho ma volevo chiedere se avete qualche lettura interessante da propormi o se avete qualche dritta particolare.
Intanto lavoro su uno schema di massima e poi posto qualcosa.
Grazie per l'aiuto.
Max
Gate driver a discreti
Moderatori:
carloc,
g.schgor,
BrunoValente,
IsidoroKZ
5 messaggi
• Pagina 1 di 1
4
voti
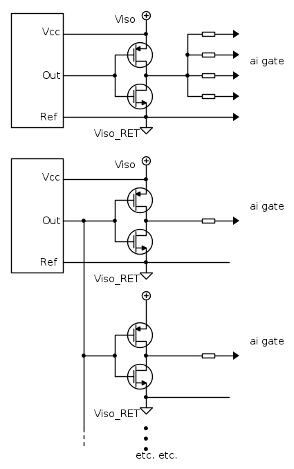
Io terrei il driver isolato integrato che hai, che ti risolve tutti i problemi di bootstrap ed isolamento, e amplificherei in corrente l'uscita....
una di queste due soluzioni, ampli singolo o individuale
magari con uno di questi dual MOS integrati o con quello che ti pare
una di queste due soluzioni, ampli singolo o individuale
magari con uno di questi dual MOS integrati o con quello che ti pare
Se ti serve il valore di beta: hai sbagliato il progetto!
0
voti
Grazie Carlo.
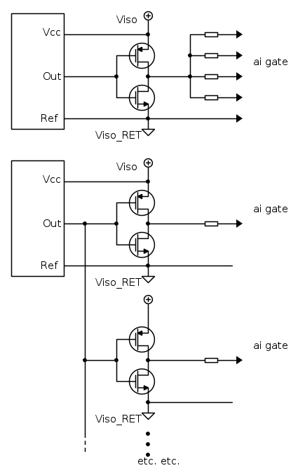
Avevo pensato a una cosa così ma utilizzare sia il gate driver che il buffer esterno mi dava un po l'idea di un lavoro arrabattato: è un po come usare una scarpa e una ciabatta !
Che tu sappia non ci sono controindicazioni ad utilizzare il driver in questo modo ?
La Vds max. della coppia N-P è sufficiente che sia la tenisone del gate driver giusto ?
Avevo pensato a una cosa così ma utilizzare sia il gate driver che il buffer esterno mi dava un po l'idea di un lavoro arrabattato: è un po come usare una scarpa e una ciabatta !
Che tu sappia non ci sono controindicazioni ad utilizzare il driver in questo modo ?
La Vds max. della coppia N-P è sufficiente che sia la tenisone del gate driver giusto ?
3
voti
Ma no, mi sembra un buon lavoro... in fondo anche i gate dei driver hanno bisogno della loro corrente... così anche l'IC ha un perché
Ma soprattutto con la tensione in modo comune che si devono sorbire i driver "di sopra" io non mi metterei a progettare un driver ex-novo...ci sono notevoli problemi da affrontare, l'alta tensione ma sopra tutto un dv/dt da brividi....
Edit: per la VDS non saprei che tensione usi (12V ?) comunque vedi un po' tu e scegliti dei MOS che ti piacciono... quelli che ho linkato sono solo un esempio, sono da 30-40V ma ci sono anche più "bassi" e forse hanno migliori specifiche sulla rdson....
Ma soprattutto con la tensione in modo comune che si devono sorbire i driver "di sopra" io non mi metterei a progettare un driver ex-novo...ci sono notevoli problemi da affrontare, l'alta tensione ma sopra tutto un dv/dt da brividi....
Edit: per la VDS non saprei che tensione usi (12V ?) comunque vedi un po' tu e scegliti dei MOS che ti piacciono... quelli che ho linkato sono solo un esempio, sono da 30-40V ma ci sono anche più "bassi" e forse hanno migliori specifiche sulla rdson....
Se ti serve il valore di beta: hai sbagliato il progetto!
0
voti
scusate se riesumo questo vecchio post. sto effettuando delle prove con questa configurazione ma il ponte fa cose strane. fino a 25/30v di vbus tutto ok a parte qualche piccola spuria ma appena la tensione sale si generano overvoltage elevatissimi e le commutazioni sono sporche tanto che si fa spesso fatica a triggerarle.
leggendo in rete un po di letteratura mi sono imbattuto in parecchi circuiti che utilizzano il totem pole con MOS P e N ma al contrario rispetto allo schema di Carlo e a come in effetti avrei fatto anch'io. in pratica il P channel lo mettono sopra e il N channel sotto.
sapete dirmi come mai e quali differenze pratiche ci sono a parte l'inversione delle polarità logica del segnale?
grazie
leggendo in rete un po di letteratura mi sono imbattuto in parecchi circuiti che utilizzano il totem pole con MOS P e N ma al contrario rispetto allo schema di Carlo e a come in effetti avrei fatto anch'io. in pratica il P channel lo mettono sopra e il N channel sotto.
sapete dirmi come mai e quali differenze pratiche ci sono a parte l'inversione delle polarità logica del segnale?
grazie
5 messaggi
• Pagina 1 di 1
Chi c’è in linea
Visitano il forum: Google [Bot] e 203 ospiti

Elettrotecnica e non solo (admin)
Un gatto tra gli elettroni (IsidoroKZ)
Esperienza e simulazioni (g.schgor)
Moleskine di un idraulico (RenzoDF)
Il Blog di ElectroYou (webmaster)
Idee microcontrollate (TardoFreak)
PICcoli grandi PICMicro (Paolino)
Il blog elettrico di carloc (carloc)
DirtEYblooog (dirtydeeds)
Di tutto... un po' (jordan20)
AK47 (lillo)
Esperienze elettroniche (marco438)
Telecomunicazioni musicali (clavicordo)
Automazione ed Elettronica (gustavo)
Direttive per la sicurezza (ErnestoCappelletti)
EYnfo dall'Alaska (mir)
Apriamo il quadro! (attilio)
H7-25 (asdf)
Passione Elettrica (massimob)
Elettroni a spasso (guidob)
Bloguerra (guerra)


