Ciao a tutti,
dovrei alimentare un circuito a 3V con doppia alimentazione: una che esclude l'altra.
Ad esempio il circuito potrebbe essere alimentato con una batteria al litio o con 5 V. Diciamo che i cinque volt dovrebbero avere priorita' e quindi, quando presenti, i 5 V dovrebbero escludere la batteria.
Che ne pensate? Come si potrebbe fare?
PEnsavo di usare dei MOS, magari due MOS configurati come inverter. I 5 V dovrebbero pilotare la base dei MOS...
Secondo voi funziona? Altre idee? Magari conoscete gia' qualche chip che fa al caso mio?
Grazie mille.
Doppia alimentazione
Moderatori:
carloc,
g.schgor,
BrunoValente,
IsidoroKZ
30 messaggi
• Pagina 1 di 3 • 1, 2, 3
0
voti
Secondo la tua descrizione non molto approfondita, opterei per un comparatore di tensione. Una idea di base potrebbe essere questa:
Anche se potrebbe non essere una soluzione. Il comparatore come lo alimenteresti? A 5V o a 3V? Servono più info per dare una soluzione più certa..
Non ho capito perché vuoi usare i MOS come invertitori.

Anche se potrebbe non essere una soluzione. Il comparatore come lo alimenteresti? A 5V o a 3V? Servono più info per dare una soluzione più certa..
Non ho capito perché vuoi usare i MOS come invertitori.

0
voti
Se i 5 V li inserisci con uno spinotto, la commutazione può essere meccanica: vedi questa spiegazione di
carloc.
It's a sin to write
instead of
(Anonimo).
...'cos you know that
ain't
, right?
You won't get a sexy tan if you write
in lieu of
.
Take a log for a fireplace, but don't take
for
arithm.
instead of
(Anonimo)....'cos you know that
ain't
, right?You won't get a sexy tan if you write
in lieu of
.Take a log for a fireplace, but don't take
for
arithm.-

DirtyDeeds
55,9k 7 11 13 - G.Master EY

- Messaggi: 7012
- Iscritto il: 13 apr 2010, 16:13
- Località: Somewhere in nowhere
0
voti
Ciao gohan e DirtyDeeds. Grazie per le risposte...
Gohan, se ho capito bene la tua idea, in uscita al comparatore avrei Vcc o 0 a seconda del fatto che ci siano o meno i 5 volt. Ma quindi, come giustamente dici tu, non saprei dove prendere Vcc.
Aiutami a cercare di spiegare come deve essere il circuito. Cosa non ti torna della mia spiegazione?
l'idea era alimentare il circuito a 3 volt prendendo l'alimentazione da due sorgenti diverse: 5V o 3.7 volt.
Per questo prevedero' un regolatore lineare per abbassare la tensione a 3V.
Ora, vorrei dare la precedenza ai 5V. Quindi mettiamo che il circuito stia funzionando a batteria, collego (tramite un altro connettore) un alimentatore da banco a 5V e vorrei che la batteria venisse esclusa e che il circuito prendesse l'alimentazione dai 5V (quindi nel regolatore lineare ci vanno i 5V).
Pensando a come farli mi e' venuto in mente l'idea dei due MOS collegati in quel modo. I 5 volt (quando presenti) vanno sui gates, facendoli lavorare come interruttori. Non so se puo' funzionare pero'.
DirtiDeeds, il connettore non puo' essere uno di quelli.
Avete altre idee?
Graaazie.
Gohan, se ho capito bene la tua idea, in uscita al comparatore avrei Vcc o 0 a seconda del fatto che ci siano o meno i 5 volt. Ma quindi, come giustamente dici tu, non saprei dove prendere Vcc.
Aiutami a cercare di spiegare come deve essere il circuito. Cosa non ti torna della mia spiegazione?
l'idea era alimentare il circuito a 3 volt prendendo l'alimentazione da due sorgenti diverse: 5V o 3.7 volt.
Per questo prevedero' un regolatore lineare per abbassare la tensione a 3V.
Ora, vorrei dare la precedenza ai 5V. Quindi mettiamo che il circuito stia funzionando a batteria, collego (tramite un altro connettore) un alimentatore da banco a 5V e vorrei che la batteria venisse esclusa e che il circuito prendesse l'alimentazione dai 5V (quindi nel regolatore lineare ci vanno i 5V).
Pensando a come farli mi e' venuto in mente l'idea dei due MOS collegati in quel modo. I 5 volt (quando presenti) vanno sui gates, facendoli lavorare come interruttori. Non so se puo' funzionare pero'.
DirtiDeeds, il connettore non puo' essere uno di quelli.
Avete altre idee?
Graaazie.
0
voti
Dunque,
Il circuito lo alimenti con un regolatore a 3V, che poi risultano essere 3.7V. Il regolatore è solo uno e può avere in entrata i 5V o la tensione della batteria.
Quanto vale la tensione della batteria? Hai già in mente un regolatore? Se si, quale?
Torno a precisare, 3 o 3,7V? Quanta corrente consuma il circuito?
Il circuito lo alimenti con un regolatore a 3V, che poi risultano essere 3.7V. Il regolatore è solo uno e può avere in entrata i 5V o la tensione della batteria.
Quanto vale la tensione della batteria? Hai già in mente un regolatore? Se si, quale?
Torno a precisare, 3 o 3,7V? Quanta corrente consuma il circuito?
0
voti
Ok, ora ho capito. Sono stato poco preciso...
Il circuito puo' essere alimentato a 5 volt o a 3,7 volt perche' poi tramite un regolatore lineare abbasso l'alimentazione a 3 volt (tensione necessaria al mio circuito). Quindi il regolatore lineare prende in ingresso o 5 volt o 3,7 volt e restituisce sempre 3 volt.
Il circuito assorbira' circa 200mA.
Sulla board ci saranno due connettori:
- uno per la batteria (3,7 volt)
- uno per i 5volt
Visto che entrambe vanno in ingresso al regolatore lineare, devo gestire il caso in cui entrambe le alimentazioni sono collegate. Mi piacerebbe che la 5V escludesse automaticamente i 3,7 volt.
Se non e' ancora chiaro, stasera provo ad usare fidocad.
Grazie mille.
Il circuito puo' essere alimentato a 5 volt o a 3,7 volt perche' poi tramite un regolatore lineare abbasso l'alimentazione a 3 volt (tensione necessaria al mio circuito). Quindi il regolatore lineare prende in ingresso o 5 volt o 3,7 volt e restituisce sempre 3 volt.
Il circuito assorbira' circa 200mA.
Sulla board ci saranno due connettori:
- uno per la batteria (3,7 volt)
- uno per i 5volt
Visto che entrambe vanno in ingresso al regolatore lineare, devo gestire il caso in cui entrambe le alimentazioni sono collegate. Mi piacerebbe che la 5V escludesse automaticamente i 3,7 volt.
Se non e' ancora chiaro, stasera provo ad usare fidocad.
Grazie mille.
0
voti
leo78 ha scritto:Se non e' ancora chiaro, stasera provo ad usare fidocad.
Grazie mille.
A volte uno schema serve piu' di dieci post.
Cerca di disegnare uno schema (imparare ad usare fidocad non e' difficile) e vedrai che la situazione si risolve.
marco
0
voti
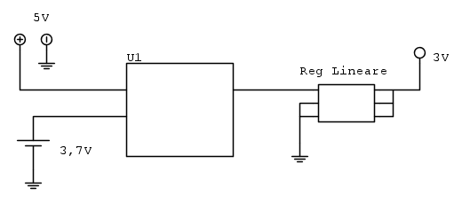
Ho provato a fare uno schemino di quello che vorrei realizzare:
Sto cercando cosa mettere al posto di u1. Quindi se sono presenti entrambe le alimentazioni, i 5V devono avere precedenza sui 3,7 volt.
Praticamente vorrei implementare la stessa funzione che questo connettore svolge meccanicamente http://www.electroyou.it/phpBB2/viewtopic.php?f=13&t=30774&p=255981#p255981, usando dei componenti.
Sapreste aiutarmi?
Grazie
Sto cercando cosa mettere al posto di u1. Quindi se sono presenti entrambe le alimentazioni, i 5V devono avere precedenza sui 3,7 volt.
Praticamente vorrei implementare la stessa funzione che questo connettore svolge meccanicamente http://www.electroyou.it/phpBB2/viewtopic.php?f=13&t=30774&p=255981#p255981, usando dei componenti.
Sapreste aiutarmi?
Grazie
0
voti
Ora mi è tutto più chiaro.. Evidentemente ieri ero un po' rincoglionito dopo tante ore sveglio.
Il regolatore dovrebbe essere idealmente con una caduta di tensione bassa, dalle parti di 1V se possibile, questo o questo (se i 300mV in più non danno fastidio) potrebbero essere presi in considerazione, altri per il momento non ne ho trovati. Hai bisogno di una certa precisione per i 3V?
Un circuito con comparatore non mi sembra la soluzione ideale perché come ripeto, con quale delle due tensioni lo alimenti? Ne usi 2? Uno alimentato a 5V e l'altro a 3.7V?
Che circuito è (il carico) quello che consuma 200mA? Di cosa si tratta? Sei sicuro che la batteria da 3.7V duri abbastanza con un carico di 200mA?
Infine, ultima domanda per curiosità:
Perché? Sembra essere la soluzione ideale a quanto pare per la commutazione..
Ciao
Il regolatore dovrebbe essere idealmente con una caduta di tensione bassa, dalle parti di 1V se possibile, questo o questo (se i 300mV in più non danno fastidio) potrebbero essere presi in considerazione, altri per il momento non ne ho trovati. Hai bisogno di una certa precisione per i 3V?
Un circuito con comparatore non mi sembra la soluzione ideale perché come ripeto, con quale delle due tensioni lo alimenti? Ne usi 2? Uno alimentato a 5V e l'altro a 3.7V?
Che circuito è (il carico) quello che consuma 200mA? Di cosa si tratta? Sei sicuro che la batteria da 3.7V duri abbastanza con un carico di 200mA?
Infine, ultima domanda per curiosità:
leo78 ha scritto:DirtiDeeds, il connettore non puo' essere uno di quelli.
Perché? Sembra essere la soluzione ideale a quanto pare per la commutazione..
Ciao
30 messaggi
• Pagina 1 di 3 • 1, 2, 3
Chi c’è in linea
Visitano il forum: Nessuno e 58 ospiti

Elettrotecnica e non solo (admin)
Un gatto tra gli elettroni (IsidoroKZ)
Esperienza e simulazioni (g.schgor)
Moleskine di un idraulico (RenzoDF)
Il Blog di ElectroYou (webmaster)
Idee microcontrollate (TardoFreak)
PICcoli grandi PICMicro (Paolino)
Il blog elettrico di carloc (carloc)
DirtEYblooog (dirtydeeds)
Di tutto... un po' (jordan20)
AK47 (lillo)
Esperienze elettroniche (marco438)
Telecomunicazioni musicali (clavicordo)
Automazione ed Elettronica (gustavo)
Direttive per la sicurezza (ErnestoCappelletti)
EYnfo dall'Alaska (mir)
Apriamo il quadro! (attilio)
H7-25 (asdf)
Passione Elettrica (massimob)
Elettroni a spasso (guidob)
Bloguerra (guerra)



