Salve.
Volevo utilizzare 4 pile stilo AA ricaricabili per caricare il mio telefono cellulare.
Ecco alcuni dati:
- Batteria del cellulare: 3.7V 120mA
- Il caricatore del cellulare ha come uscita 5V a 700 mA.
- Le pile sono da 1.2 V a 2300 mA.
- Con il tester le quattro pile mi danno 5,2 V.
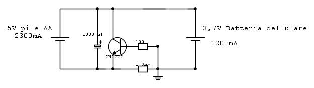
Un possibile schema potrebbe essere il seguente?:
I valori delle resistenze sono indicativi, non so come si calcolano per ottenere i 700 mA come quelli del caricatore a presa 220 V.
Che dite?
Caricare il cellulare con 4 pile AA.
Moderatori:
carloc,
g.schgor,
BrunoValente,
IsidoroKZ
18 messaggi
• Pagina 1 di 2 • 1, 2
0
voti
1
voti
Dico che non va. Quello che puoi fare e` mettere le 4 pile in serie e collegarle allo spinotto di ingresso del telefono. Il circuito che si prende cura delle btterie e` dentro al telefono, e ci pensa lui a mettere a posto tensioni e correnti, anche perche' ricaricare una cella al litio e` complicato e se non lo si fa correttamente si danneggia ed eventualmente danneggia anche il telefono e te se decide di esplodere :)
Per usare proficuamente un simulatore, bisogna sapere molta più elettronica di lui
Plug it in - it works better!
Il 555 sta all'elettronica come Arduino all'informatica! (entrambi loro malgrado)
Se volete risposte rispondete a tutte le mie domande
Plug it in - it works better!
Il 555 sta all'elettronica come Arduino all'informatica! (entrambi loro malgrado)
Se volete risposte rispondete a tutte le mie domande
0
voti
Si ho omesso questo particolare, non voglio caricare direttamente la batteria del cellulare ma collegarmi con lo spinotto ad esso. Quello di cui ho "paura " è che il suo caricatore originale in uscita da 700 mA mentre le pile (che metto in serie) danno 2300 mA e non vorrei che fossero troppi da gestire per la circuteria del telefonino.
Mi sbaglio?
Mi sbaglio?
0
voti
Il cellulare dovrebbe decidere quanta corrente assorbire, quindi anche con le batterie dovrebbe andare bene lo stesso. Una volta i cellulari in base alla tensione applicata e di quanto scendeva sotto carico decidevano quanta corrente assorbire. Adesso invece si sta andando verso una alimentazione a 5V e si regolano loro.
Posso chiedere a una amica che progettava i circuiti di ricarica dei cellulari, vediamo cosa dice.
Posso chiedere a una amica che progettava i circuiti di ricarica dei cellulari, vediamo cosa dice.
Per usare proficuamente un simulatore, bisogna sapere molta più elettronica di lui
Plug it in - it works better!
Il 555 sta all'elettronica come Arduino all'informatica! (entrambi loro malgrado)
Se volete risposte rispondete a tutte le mie domande
Plug it in - it works better!
Il 555 sta all'elettronica come Arduino all'informatica! (entrambi loro malgrado)
Se volete risposte rispondete a tutte le mie domande
0
voti
Fai attenzione perché mA è diverso da mAh
L'assorbimento di corrente dipende dal carico, se il cellulare assorbe 500mA assorbirà sempre 500mA qualsiasi batteria utilizzarai.
Io mi preoccuperei piuttosto dal valore di tensione.
Il caricabatterie originale fornisce sempre 5V costanti, mentre il tuo pacco batterie?
Non sapendo il range di tensione accettate dal circuito interno di ricarica della batteria, magari il cellulare si caricherà fino a che la tensione del pacco batterie sarà sopra i 4,5V e poi nulla, chi lo sa...
boh
L'assorbimento di corrente dipende dal carico, se il cellulare assorbe 500mA assorbirà sempre 500mA qualsiasi batteria utilizzarai.
Io mi preoccuperei piuttosto dal valore di tensione.
Il caricabatterie originale fornisce sempre 5V costanti, mentre il tuo pacco batterie?
Non sapendo il range di tensione accettate dal circuito interno di ricarica della batteria, magari il cellulare si caricherà fino a che la tensione del pacco batterie sarà sopra i 4,5V e poi nulla, chi lo sa...
boh
-

AjKDAP
1.255 2 6 9 - Expert EY

- Messaggi: 796
- Iscritto il: 17 mag 2006, 0:13
- Località: nella coda dei pronti
0
voti
AjKDAP ha scritto:Fai attenzione perché mA è diverso da mAh![]()
L'assorbimento di corrente dipende dal carico, se il cellulare assorbe 500mA assorbirà sempre 500mA qualsiasi batteria utilizzarai.
Io mi preoccuperei piuttosto dal valore di tensione.
Il caricabatterie originale fornisce sempre 5 V costanti, mentre il tuo pacco batterie?
Non sapendo il range di tensione accettate dal circuito interno di ricarica della batteria, magari il cellulare si caricherà fino a che la tensione del pacco batterie sarà sopra i 4,5 V e poi nulla, chi lo sa...
boh
In tal caso non si caricherà più ma non farà danni. Posso fare una prova. Non mi esplode il cellulare
vero?0
voti
ok ora sto caricando il mio vecchio cellulare, anche lui ha bisogno dei 5V. Per ora tutto ok, la batteria era a metà della sua carica.
0
voti
Ora ho scollegato il cavo dal telefono e lo stato della batteria mi segna una tacca in meno!!
Cosa c'è che non ha funzionato?
0
voti
AjKDAP ha scritto:Hai caricato le batterie sbagliate
ma può essere davvero così? le quattro batterie AA scollegate dal circuito inizialmente davano 5.2 V. Quando le ho collegate al telefonino sono scese a 3.7 V. Dopo 5 ore le batterie mi segnano 4.8 V e il cellulare si e scaricato.
18 messaggi
• Pagina 1 di 2 • 1, 2
Chi c’è in linea
Visitano il forum: Nessuno e 53 ospiti

Elettrotecnica e non solo (admin)
Un gatto tra gli elettroni (IsidoroKZ)
Esperienza e simulazioni (g.schgor)
Moleskine di un idraulico (RenzoDF)
Il Blog di ElectroYou (webmaster)
Idee microcontrollate (TardoFreak)
PICcoli grandi PICMicro (Paolino)
Il blog elettrico di carloc (carloc)
DirtEYblooog (dirtydeeds)
Di tutto... un po' (jordan20)
AK47 (lillo)
Esperienze elettroniche (marco438)
Telecomunicazioni musicali (clavicordo)
Automazione ed Elettronica (gustavo)
Direttive per la sicurezza (ErnestoCappelletti)
EYnfo dall'Alaska (mir)
Apriamo il quadro! (attilio)
H7-25 (asdf)
Passione Elettrica (massimob)
Elettroni a spasso (guidob)
Bloguerra (guerra)



