Salve a tutti,
Volevo mettere al posto del classico interruttore on/off del mio circuito un pulsante, che premuto per un certo numero di secondi dia l'alimentazione al circuito e premendolo nuovamente lo spenga.
Tipo quando si accende un cellulare che bisogna premere il pulsante di accensione per un certo tempo.
Il circuito è alimentato a 5volt da una batteria, quindi volevo utilizzare dei componenti a basso consumo e magari non volevo utilizzare il classico relè ma qualcosa di alternativo (rele ssr o a circuito integrato o meglio ancora senza relè), anche perché il tutto verrà in dimensioni molto ridotte.
Ringrazio tutti che vorranno darmi suggerimenti o aiuto per fare il circuito per tale pulsante.
Grazie.
pulsante come interruttore on/off
Moderatori:
carloc,
g.schgor,
BrunoValente,
IsidoroKZ
20 messaggi
• Pagina 1 di 2 • 1, 2
0
voti
0
voti
paoloj ha scritto:che premuto per un certo numero di secondi dia l'alimentazione al circuito e premendolo nuovamente lo spenga.
Ti serve un bistabile (flip flop) con un circuito di ritardo. Quanto consuma il circuito che vuoi commutare? Suppongo che venga alimentato anche lui a 5V giusto? Di che circuito si tratta?
0
voti
Grazie per la risposta.
Si anche il circuito da commutare è a 5volt.
Si tratta di un PAD CodeBar, basato su un lettore di codice a barre collegato ad un Micro e trasmissione dati in wireless, il consumo del circuito dovrebbe starci attorno ai 500mA-1A.
Mi puoi suggerire giusto un circuito di ritardo con flip-flop o dove posso vedere un esempio soprattutto i componenti (sigle valori) che occorrono.
Grazie.
Si anche il circuito da commutare è a 5volt.
Si tratta di un PAD CodeBar, basato su un lettore di codice a barre collegato ad un Micro e trasmissione dati in wireless, il consumo del circuito dovrebbe starci attorno ai 500mA-1A.
Mi puoi suggerire giusto un circuito di ritardo con flip-flop o dove posso vedere un esempio soprattutto i componenti (sigle valori) che occorrono.
Grazie.
0
voti
questo potrebbe essere un circuito di ritardo :
Il ritardo è di 5 secondi secondo questo calcolo :

spero di esserti stato d'aiuto
Il ritardo è di 5 secondi secondo questo calcolo :

spero di esserti stato d'aiuto

-

milan1996pato2
851 3 10 13 - Sostenitore

- Messaggi: 1062
- Iscritto il: 4 ago 2011, 17:42
0
voti
Vorrei ringraziare a milan1996pato2 per il circuito, ma non ho ben capito dove poi va messo il flip-flop bistabile in modo da prendere l'alimentazione al mio circuito da commutare.
Per gohan: posso tranquillamente decidere il tempo di ritardo avevo pensato da 2 a 4 secondi, il ritardo dovrebbe essere solo sul ON, mentre sul OFF basta che rispingo il pulsante.
Grazie.
Per gohan: posso tranquillamente decidere il tempo di ritardo avevo pensato da 2 a 4 secondi, il ritardo dovrebbe essere solo sul ON, mentre sul OFF basta che rispingo il pulsante.
Grazie.
0
voti
io ho messo solo il circuito per il ritardo però per le altre cose devi chiedere a [user]gohan[/user] comunque sono curioso di vedere come andrò a finire =)
-

milan1996pato2
851 3 10 13 - Sostenitore

- Messaggi: 1062
- Iscritto il: 4 ago 2011, 17:42
1
voti
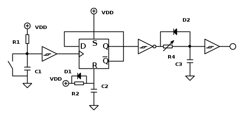
Dunque, questo è il circuito a cui ho pensato io.
Come Flip Flop D puoi usare un 74HC74 mentre per i buffer ed invertitore un 74HC14.
Il 74HC74 ha un Reset attivo a 0 logico, disattivare il reset in circa 1ms dovrebbe andar bene.
La transizione di clock del 74HC74, come puoi vedere dal datasheet, è attiva sul fronte di salita (PGT), e quando accendi il circuito
e
.
La tensione al capo di C1 deve raggiungere la tensione di soglia
dopo la disattivazione del reset, in modo da mandare a stato logico alto l'uscita Q ed avere l'ultima uscita dell'ultimo buffer a 0 all'accensione, usando idealmente un NMOS sull'output dell'ultimo buffer.
Quindi, il tempo di carica di C1 deve essere maggiore di C2.
Per D1 e D2 puoi usare un 1N4148 ciascuno, R4 e C3 li devi dimensionare anche loro come R1 e C1, in maniera da raggiungere la tensione di soglia
nel tempo desiderato. In questo modo ci mette un tot di tempo per mandare l'ultima uscita a 1 e praticamente niente per mandarla a 0.
Se per R4 preferisci usare un trimmer penso sarebbe meglio tararlo con due resistenze fisse ai suoi capi, e forse non sarebbe male mettere una resistenza di basso valore in serie a D2..
Con questo circuito però non hai bisogno di tenere premuto il pulsante per un tot di tempo.
Forse il circuito per questa caratteristica, usando un solo pulsante si complica di più, anche se a mio parere questo è più comodo.
Spero non ci siano sviste particolari e che tutto sommato ti possa andar bene..
Se ti va bene possiamo proseguire..
Come Flip Flop D puoi usare un 74HC74 mentre per i buffer ed invertitore un 74HC14.
Il 74HC74 ha un Reset attivo a 0 logico, disattivare il reset in circa 1ms dovrebbe andar bene.
La transizione di clock del 74HC74, come puoi vedere dal datasheet, è attiva sul fronte di salita (PGT), e quando accendi il circuito
e
. La tensione al capo di C1 deve raggiungere la tensione di soglia
dopo la disattivazione del reset, in modo da mandare a stato logico alto l'uscita Q ed avere l'ultima uscita dell'ultimo buffer a 0 all'accensione, usando idealmente un NMOS sull'output dell'ultimo buffer.Quindi, il tempo di carica di C1 deve essere maggiore di C2.
Per D1 e D2 puoi usare un 1N4148 ciascuno, R4 e C3 li devi dimensionare anche loro come R1 e C1, in maniera da raggiungere la tensione di soglia
nel tempo desiderato. In questo modo ci mette un tot di tempo per mandare l'ultima uscita a 1 e praticamente niente per mandarla a 0.Se per R4 preferisci usare un trimmer penso sarebbe meglio tararlo con due resistenze fisse ai suoi capi, e forse non sarebbe male mettere una resistenza di basso valore in serie a D2..
Con questo circuito però non hai bisogno di tenere premuto il pulsante per un tot di tempo.
Forse il circuito per questa caratteristica, usando un solo pulsante si complica di più, anche se a mio parere questo è più comodo.
Spero non ci siano sviste particolari e che tutto sommato ti possa andar bene..
Se ti va bene possiamo proseguire..
0
voti
Aggiungo che mi insospettisce il consumo che hai riportato in precedenza.. La batteria è da 12V per auto o comunque di una tensione superiore o uguale a 5V e di una durata in Ah sufficiente?
1
voti
Prima di tutto ti voglio ringraziare
simo85 per la tua disponibilità e per l'esauriente spiegazione.
Quindi se ho capito bene, il circuito che hai postato prevede che alla pressione del pulsante, anche se lo rilascio subito, dopo un certo tempo mi attiva l'uscita dove poi ci collego il mio circuito.
Il tempo di ritardo è relativo ai valori R4 e C3, giusto?
Per quanto riguarda l'alimentazione è di circa 4.8-5volt prelevata da una batteria ricaricabile NiMh di 2450mAh.
Se non ti chiedo troppo, mi potresti indicare i valori dei vari componenti passivi in modo da ottenere un ritardo di circa 3-4 secondi.
Che consumo avrei con questo circuito ed eventuali cadute di tensione, quanti V otterrei all'uscita ?
Grazie.
Quindi se ho capito bene, il circuito che hai postato prevede che alla pressione del pulsante, anche se lo rilascio subito, dopo un certo tempo mi attiva l'uscita dove poi ci collego il mio circuito.
Il tempo di ritardo è relativo ai valori R4 e C3, giusto?
Per quanto riguarda l'alimentazione è di circa 4.8-5volt prelevata da una batteria ricaricabile NiMh di 2450mAh.
Se non ti chiedo troppo, mi potresti indicare i valori dei vari componenti passivi in modo da ottenere un ritardo di circa 3-4 secondi.
Che consumo avrei con questo circuito ed eventuali cadute di tensione, quanti V otterrei all'uscita ?
Grazie.
20 messaggi
• Pagina 1 di 2 • 1, 2
Chi c’è in linea
Visitano il forum: Nessuno e 352 ospiti

Elettrotecnica e non solo (admin)
Un gatto tra gli elettroni (IsidoroKZ)
Esperienza e simulazioni (g.schgor)
Moleskine di un idraulico (RenzoDF)
Il Blog di ElectroYou (webmaster)
Idee microcontrollate (TardoFreak)
PICcoli grandi PICMicro (Paolino)
Il blog elettrico di carloc (carloc)
DirtEYblooog (dirtydeeds)
Di tutto... un po' (jordan20)
AK47 (lillo)
Esperienze elettroniche (marco438)
Telecomunicazioni musicali (clavicordo)
Automazione ed Elettronica (gustavo)
Direttive per la sicurezza (ErnestoCappelletti)
EYnfo dall'Alaska (mir)
Apriamo il quadro! (attilio)
H7-25 (asdf)
Passione Elettrica (massimob)
Elettroni a spasso (guidob)
Bloguerra (guerra)



